规范网
更新
当前位置:
规范网
范文
内容详情
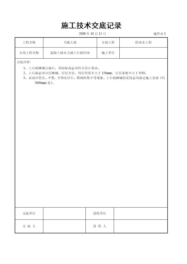
混凝土雨水方涵土石硝回填交底
混凝土雨水方涵土石硝回填交底 (钢筋混凝土雨水方沟图集)(1页)
加入收藏
下载文件
声明:资源收集自网络或用户分享,仅供学习参考,如侵犯您的权益,请联系我们处理。
不能下载?报告错误
下页:
省级文明工地措施1
相关推荐
陕22G08 钢筋混凝土雨篷挑檐图集(替代陕09G08图集)
陕09G07、陕09G08、陕09G09图集 钢筋混凝土住宅阳台、钢筋混凝土雨篷挑檐、预应力混凝土空心板
混凝土雨水方涵 污水管道基槽开挖交底
混凝土雨水方涵土石硝回填交底
YBJ-PS04-2006图集 混凝土雨水检查井图集(OCR文字可搜索、完整版)
混凝土雨水方涵土石硝回填交底
下载文件
免费下载
标签
钢球标准
个人自传
电气
国密密码规范
15s202
单位通知
地震规范
密封圈标准
新闻出版规范
供销合作规范
压力容器标准
出差申请
湖北省标准
管道标准
17J927-1
能源规范
河南省标准
湖南省标准
家长会发言稿
消防救援规范
蝶阀标准
安全帽标准
16g101-1
管件标准
劳动和劳动安全规范
工作通知
水利
12j201