当前位置:首页  范文内容详情

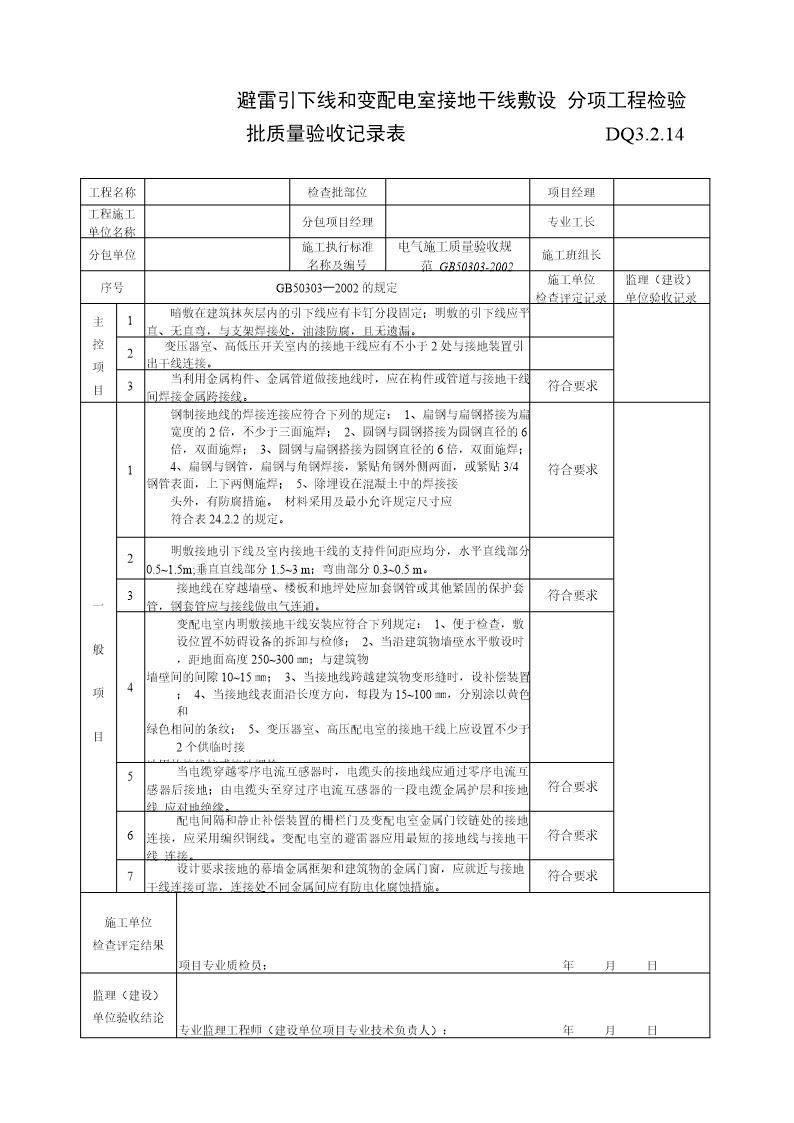
避雷引下线和变配电室接地干线敷设检验批质量验收记录

避雷引下线和变配电室接地干线敷设检验批质量验收记录 (避雷引下线和变配电室接地干线敷设安装工程检验批表)(2页)

避雷引下线和变配电室接地干线敷设检验批质量验收记录

声明:本站为网络服务提供者及网络索引服务平台资源索引自网络/用户分享,如有版权问题,请联系站方删除。

不能下载?报告错误