计算人工挖土的定额直接费
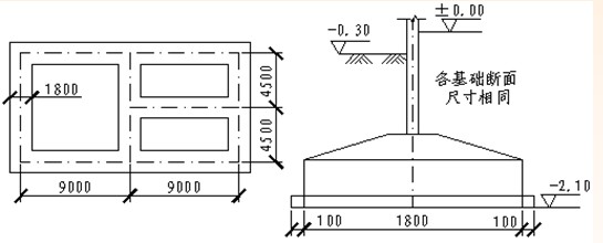
已知基础平面图如图所示,土为三类土,计算人工挖土的定额直接费。(砼垫层施工时需支模板)。若本土改为四类土,人工挖土定额直接费又为多少。

人工挖土的定额直接费
解:1-34人工挖地槽(2m以内)
工程量:(1.8+0.2+20.3+0.331.8)1.8(54+6.42)=3.841(100m3)
基 价:1530.46(元/100m3)
综合基价:3.8411530.46=5878.50(元)
若改为四类土,不需要放坡,计算如下:
1-38人工挖地槽(2m以内)
工程量:(1.8+0.2+20.3)1.8(5.4+6.42)=3.126(100m3)
基 价:2251.83(元/100m3)
综合基价:3.1262251.83=7039.22(元)
分析:
①在计算地槽工程量时,其长度,外墙按中心线长度计算,内墙按地槽净长计算。
②工作面的宽度,当无施工组织设计尺寸时,按定额规定计算。砼支模板,定额规定每边加30。
③在计算地槽工作量时,由于放坡,在T字接头处造成土方的重复计算不予扣除,放坡应从垫层底部计算,无垫层的,从基底计算。
④四类土是砂砾坚土,其放坡起点为2m,故不应放坡,尽管不放坡工程量减少,但是由于开挖砂砾坚土的基价较高,其综合基价还是大于坚土的综合基价。
⑤若基槽断面尺寸不同时,应分别计算工程量,按不同深度特征套用定额计算。