如何汁算单桩工程量?
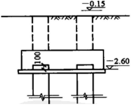
某工程打预制钢筋混凝土方桩,断面为350mm350mm,桩长18m(6+6+6),二类土,硫磺胶泥接头,承台大样如图所示,试汁算单桩工程量。
已知:(1)接头2个。
(2)送桩深度:(2.6-0.1-0.15+0.5)m=2.85m

桩立面图
【解】(1)定额工程量:
方桩制作:0.350.35181.02m=2.25m
方桩场外运输:0.350.35181.019m=2.25m
方桩场内运输:0.350.35181.015=2.24
方桩硫磺胶泥接头:0.350.352=0.25
套用基础定额2-35。
打桩:0.350.35181.015rT13=2.24m
送桩:0.350.352.85m=0.35m
套用基础定额2-39。
(2)清单工程量:139
清单工程量计算见表。
