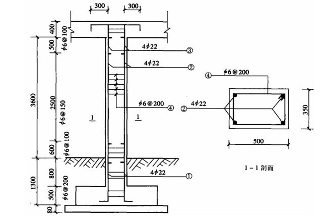
如何计算矩形柱钢筋用量并套用定额及清单?
【例】如图所示,求矩形柱钢筋用量并套用定额及清单。
【解】(1)定额工程量:
①22:(0.5+0.8+0.6+3.50.0222-0.035)42.98kg=24.066kg
套用基础定额5-302。

现浇雨篷矩形柱示意图
②22:(0.5+2.5+0.6+3.50.0222)42.98kg=44.75kg
套用基础定额5-302。
③22:(0.5+0.4+0.3+3.50.0222-0.025)42.98kg=15.84kg
④6:[(0.5+0.4)/0.1+1]根=10根
(2.5/0.15+1)根=18根
(0.6/0.1+1)根=7根
[(0.8+0.5)/0.2+1]根=8根
[(0.5+0.35)2-0.0158+20.16](10+18+7+8)0.222kg=18.14kg
套用基础定额5-355。
(2)清单工程量计算方法同定额工程量。
清单工程量计算见表。
