如何计算轻钢檩条及角的工程量?

檩条及角
答:轻钢檩条及角的工程量计算:
长度*该规格的理论重量
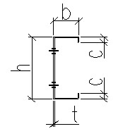
[注:如檩条为C型钢时其理论重量(kg/m)=(h+2b+2c- 4t)*t*0.00785]
备注:
1、根据檩条节点详图计算节点板工程量(钢板面积*该规格的理论重量),工程量计入屋面梁中。
2、总重:单根檩条重量*檩条根数(参照檩条布置图)

答:轻钢檩条及角的工程量计算:
长度*该规格的理论重量
[注:如檩条为C型钢时其理论重量(kg/m)=(h+2b+2c- 4t)*t*0.00785]
备注:
1、根据檩条节点详图计算节点板工程量(钢板面积*该规格的理论重量),工程量计入屋面梁中。
2、总重:单根檩条重量*檩条根数(参照檩条布置图)