建筑工程单独基础钢筋布置要求有哪些?
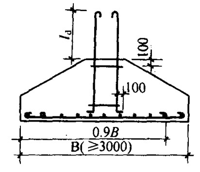
(1)单独基础系双向受力,其受力钢筋直径不宜小于8mm,间距为100~200mm。沿短边方向的受力钢筋一般置于长边受力钢筋的上面。当基础边长B3000mm时(除基础支承在桩上外),受力钢筋的长度可减为0.9B交错布置。
(2)现浇柱下单独基础的插筋直径、根数和间距应与柱中钢筋相同,下端宜做成直弯钩,放在基础的钢筋网上(图9-30);当基础高度较大时,仅四角插筋伸至基底。插筋的箍筋与柱中箍筋相同,基础内设置二个。

图9-30现浇柱下单独基础配筋
(3)预制柱下杯形基础,当b/h1<0.65时(b为杯口宽度,h1为杯口外壁高度),杯口需要配筋,见图9-31。
