承插型盘扣式钢管模板支架搭设构造要求有哪些?
1、模板支架应根据施工方案计算得出的立杆排架尺寸选用定长的水平杆,并应根据支撑高度组合套插的立杆段、可调托座和可调底座。
2、当搭设高度不超过8m的满堂模板支架时,支架架体四周外立面向内的第一跨每层均应设置竖向斜杆,架体整体底层以及顶层均应设置竖向斜杆,并应在架体内部区域每隔5跨由底至顶纵、横向均设置竖向斜杆(图2-1)或采用扣件钢管搭设的大剪刀撑(图2-2)。当满堂模板支架的架体高度不超过4节段立杆时,可不设置顶层水平斜杆;当架体高度超过4节段立杆时,应设置顶层水平斜杆或扣件钢管水平剪刀撑。

图2-1满堂架高度不大于8m斜杆设置立面图 图2-2满堂架高度不大于8m剪刀撑设置立面图
1-立杆;2-水平杆;3-斜杆;4-大剪刀撑
3、 当搭设高度超过8m的满堂模板支架时,竖向斜杆应满布设置,水平杆的步距不得大于1.5m,沿高度每隔4~6个节段立杆应设置水平层斜杆或扣件钢管大剪刀撑(图3-1),并应与周边结构形成可靠拉结。对长条状的独立高支模架,架体总高度与架体的宽度之比H/B不应大于3 (图3-2)。

图3-1满堂架高度大于8m水平斜杆设置立面图 图3-2条状支模架的高宽比
1-立杆;2-水平杆;3-斜杆;4-水平层斜杆或大剪刀撑
4、当模板支架搭设成独立方塔架时,每个侧面每步距均应设竖向斜杆。当有防扭转要求时,可在顶层及每隔3~4步增设水平层斜杆或钢管水平剪刀撑(图4)。

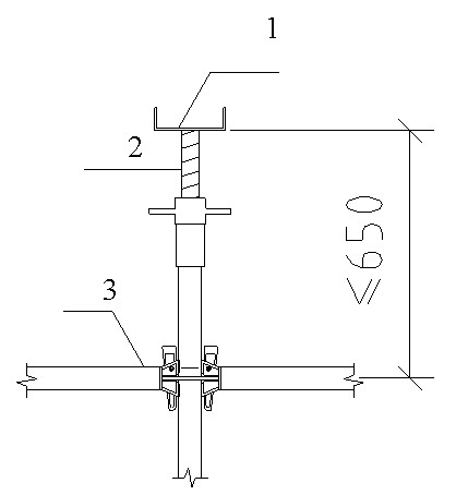
5、模板支架立杆可调托座的伸出顶层水平杆的悬臂长度(图5)严禁超过650mm,可调托座插入立杆长度不得小于150mm;架体最顶层的水平杆步距应比标准步距缩小一个盘扣间距。

图5 立杆带可调托座伸出顶层水平杆的悬臂长度
1-可调托座;2-立杆悬臂端;3-顶层水平杆
6、模板支架应设置扫地水平杆,可调底座调节螺母离地高度不得大于300mm,作为扫地杆的水平杆离地高度应小于550mm。当可调底座调节螺母离地高度不大于200mm时,第一层步距可按照标准步距设置,且应设置竖向斜杆,并可间隔抽除第一层水平杆形成施工人员进入通道,与通道正交的两侧立杆间应设置竖向斜杆。
7、模板支架应与周围已建成的结构进行可靠连接。
8、当模板支架体内设置人行通道时,应在通道上部架设支撑横梁,横梁截面大小应按跨度以及承受的荷载确定。通道两侧支撑梁的立杆间距应根据计算结果设置,通道周围的模板支架应连成整体。洞口顶部应铺设封闭的防护板,两侧应设置安全网。通行机动车的洞口,必须设置安全警示和防撞设施。

图8 模板支架人行通道设置图
1-支撑横梁;2-立杆加密