悬挑式钢管脚手架的底部承力架的构造要求有哪些?
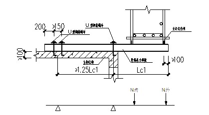
1 悬挑承力钢梁宜采用双轴对称截面的型钢,型号按设计计算确定。当采用I字形截面的型钢时,其截面高度不应小于160mm。
2 锚固于楼面结构的悬挑钢梁尾端宜设置两道U形钢筋锚环或U形螺栓,其相邻间距宜取150mm~200 mm(图3.2.3)。
3 固定悬挑钢梁的锚环钢筋直径与U形螺栓的直径应按设计确定,U形锚环钢筋或锚固螺栓的直径应不小于16mm。

悬挑承力钢梁构造
摘自:DGJ32J121-2011江苏省建筑施工悬挑式钢管脚手架安全技术规
1 悬挑承力钢梁宜采用双轴对称截面的型钢,型号按设计计算确定。当采用I字形截面的型钢时,其截面高度不应小于160mm。
2 锚固于楼面结构的悬挑钢梁尾端宜设置两道U形钢筋锚环或U形螺栓,其相邻间距宜取150mm~200 mm(图3.2.3)。
3 固定悬挑钢梁的锚环钢筋直径与U形螺栓的直径应按设计确定,U形锚环钢筋或锚固螺栓的直径应不小于16mm。

摘自:DGJ32J121-2011江苏省建筑施工悬挑式钢管脚手架安全技术规