如何计算轻钢楼层梁次梁工程量?

次梁
答:轻钢楼层梁次梁工程量计算:
计算方法同钢梁:
翼缘板=(梁长度-端头节点板至梁的距离*2)*翼缘板宽度*翼缘板理论重量
腹板=(梁长度-端头节点板至梁的距离*2)*(腹板截面高度-两块翼缘板厚度)*腹板理论重量
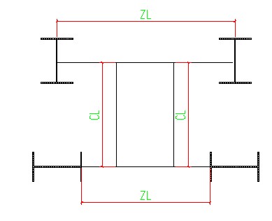
〔梁长=主梁腹板中心线间距-主梁腹板厚度)
备注:
1、在计算楼层次梁工程量时按照图纸节点详图把相关的节点板工程量计算出来并把工程量并入次梁中。
2、总重:单根次梁重量*次梁根数(参照楼面梁布置图)

答:轻钢楼层梁次梁工程量计算:
计算方法同钢梁:
翼缘板=(梁长度-端头节点板至梁的距离*2)*翼缘板宽度*翼缘板理论重量
腹板=(梁长度-端头节点板至梁的距离*2)*(腹板截面高度-两块翼缘板厚度)*腹板理论重量
〔梁长=主梁腹板中心线间距-主梁腹板厚度)
备注:
1、在计算楼层次梁工程量时按照图纸节点详图把相关的节点板工程量计算出来并把工程量并入次梁中。
2、总重:单根次梁重量*次梁根数(参照楼面梁布置图)