规范网
更新
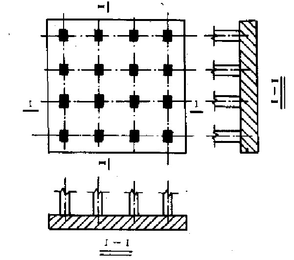
什么是平板式基础
什么是平板式基础?
它的底板是一块厚度相等的钢筋混凝土底板,片筏基础底板通常是双向板。
平板式基础混凝土用量较多但它不需要模板,施工简单,建造速度快,常被采用。
平板式基础
展开剩余
%
加入收藏
上一篇:
单层厂房阶形柱计算长度的折减系数
筏板厚度怎么确定
:下一篇
相关推荐
监理项目部常见失职行为分析及防范
监理如何做好工程进度管控
13条工程施工过程中的监理建议
如何提升监理的安全管控水平和风险规避能力
新开工项目监理进场后的主要工作