如何计算杯型基础的综合基价?
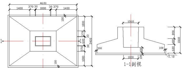
某工程有现浇杯型基础共20个,尺寸如图,砼为C20(40),每个杯型基础钢筋设计用量为400,试计算杯型基础的综合基价。土为坚土,室内外高差0.15m,垫层为C10(40)无筋砼。(回填土及运土不计)

杯型基础的综合基价
解:1-43 人工挖地坑
工程量:[(5.4+0.332.05)(4.2+0.332.05)2.05+1/30.3322.053]20=12.212(100m3)
基 价:1010.41(元/100 m3)
综合基价:12.2121010.41=12339.13(元)
1-55 原土打夯
工程量:5.44.220=4.536(100)
基 价:40.07(元/100)
综合基价:4.53640.07=181.44(元)
5-14 C10(40)无筋砼垫层
工程量:4.803.600.120=3.456(10 m3)
基 价:2631.58(元/10 m3)
综合基价:3.4562631.58=9094.74(元)
5-8 C20(40)杯型基础
工程量:(V1+V2+V3V4)20=13.7520=27.50(10 m3)
其中:V1=4.63.40.6=9.384(m3)
V2=0.46(4.63.4+1.81.4+6.44.8)=3.259(m3)
V3=1.81.40.8=2.016(m3)
V4=1.46(1.060.66+10.6+2.061.26)=0.909(m3)
基 价:3505.11+(143.68-135.47)10.150=3588.44(元/10 m3)
综合基价:27.503588.44=98682.10(元)
5-220 钢筋调整
工程量:△=0.4201.02-(0.016+0.084+0.196)27.50=0.02(t)
基 价:3142.35(元/t)
综合基价:0.023142.35=62.85(元)
综合基价合计:12339.13+181.44+9094.74+98682.10+62.85=120360.26(元)