规范网
更新
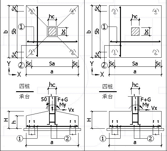
结构施工图中四桩承台图例
结构施工图中四桩承台图例
结构施工图,四桩承台
展开剩余
%
加入收藏
上一篇:
结构施工图中六桩承台的画法
结构施工图中五桩承台的画法
:下一篇
相关推荐
结构施工图中六桩承台的画法
门式刚架结构施工图有哪些审查要点
普通钢结构施工图有哪些审查要点
混凝土结构施工图有哪些审查要点
多层砌体结构施工图有哪些审查要点