监理验筋主要看哪方面?
1、 柱子变径在梁内变径。
2、 悬挑梁下有柱子时,要在梁底和柱之间加挤塑板,不能改变受力结构。
3、 加密箍筋、吊筋不能漏设。
4、 梁柱节点处,柱钢筋要与箍筋绑扎,箍筋数量按加密绑扎。
5、 马凳高度要与板的厚度相互一致。(也就是说120板要用90高的马凳,不然板上部钢筋保护层就会不满足图纸要求。)
6、 穿梁套管要加附加箍筋和加强钢筋。
7、 顶层框架梁节点做法,采用柱锚梁,柱外侧钢筋从梁底算锚入1.5lae,而且要注意,从柱内侧算起,也要锚入梁内最少50公分,同时梁的上部纵向钢筋伸至柱外边柱纵筋内侧,向下弯折到梁底标高。

8、 构造钢筋锚固长度15d,受拉钢筋锚固长度同框架梁下部纵筋。
9、 拉筋间距为非加密区箍筋间距的两倍,拉筋弯钩角度是135度。
10、 线管相交处,要加设钢筋网片,300*300的间距100,线管上下都加,找马凳架起,把线管夹在中间。
11、 板的底部钢筋进入支座5d,伸入支座中心线。
12、 穿梁管洞要加设加强钢筋,套管直径D梁高/5,且150mm,连续开洞净距>3D。
13、 悬挑板阴阳角一般要附加斜向钢筋,注意不要漏设。
14、 如图要注意框架梁和框架柱节点处的最上和最下的一组箍筋位置

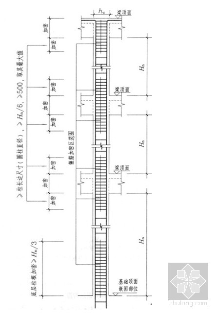
15、 柱箍筋加密柱长边尺寸(圆柱直径),楼层净高/6,500取其最大值,底层柱箍筋加密是楼层净高/3,


16、 梁箍筋加密2梁截面高度,且500

17、如图注意一下,梁柱在节点处的锚固长度

