接地与防雷管理要点有哪些?
1 在施工现场专用变压器供电的TNS接零保护系统中,电气设备的金属外壳必须与保护零线连接,保护零线应由工作接地线、配电室电源总开关电源侧零线或总漏电保护器电源侧零线处引出

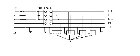
专用变压器供电时TNS接零保护系统示意
1工作接地 2PE线重复接地 3电气设备金属外壳
4L1、L2、L3相线 N工作零线 Dk电源隔离开关
RCD总漏电保护器 T变压器
2 采用TN系统作保护接零时,工作零线(N线)必须通过总漏电保护器,保护零线(PE)必须由电源进线零线重复接地处或总漏电保护器电源侧零线处引出形成局部TNS接零保护系统。

三相四线供电时局部TNS接零保护系统保护零线引出示意
1NPE线重复接地;2PE线重复接地;L1、L2、L3相线;
N工作零线;PE保护零线;Dk总电源隔离开关;
RCD总漏电保护器(兼有短路、过载、漏电保护功能的漏电保护器)