规范网
更新
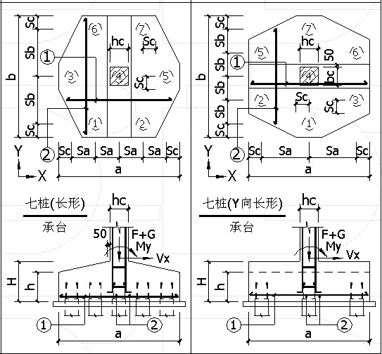
图纸中七桩承台的画法
图纸中七桩承台的画法
A
B
C
图纸,七桩承台,画法
展开剩余
%
加入收藏
上一篇:
工程项目目标控制的分类有哪些
梁纵向钢筋单排最大根数(保护层厚度30)
:下一篇
相关推荐
图纸、资料会审要求有哪些
城市堤岸勘察前必须要哪些资料和图纸
城市道路勘察前必须要哪些资料和图纸
城市桥涵勘察前必须要哪些资料和图纸
图纸会审的定义是什么