(1)构件的编号规则
剪力墙构件的编号规则见表附.2.6。

(2)截面注写方式
1)洞口的表示方法
①在剪力墙平面布置图上绘制洞口示意,并标注洞口中心的定位尺寸。
②在洞口中心引注洞口编号、洞口几何尺寸、洞口中心相对标高、洞口每边的补强钢筋。
洞口几何尺寸标注规则:矩形洞口为宽高(bh); 圆形洞口为洞口直径。
洞口中心相对标高是指相对于结构层楼(地)面标高至洞口中心的高度。洞口中心高于楼(地)面时为正值,低于结构层楼(地)面时为负值。
洞口每边的补强钢筋按以下规则表示:
(1)当矩形洞口的宽、高均不大于800mm时,如果设置构造补强纵筋,即洞口每边加筋212且不小于同向被切
断钢筋总面积的50%时,可以不标注。当不符合以上条件时,应注写洞口每边补强钢筋的数值。
例如:JD2 400300 +3.10 316表示2号矩形洞口;宽400mm高300mm ;洞口至楼面3.1 m;洞口四边每边补强钢筋为316。
(2)当矩形洞口的宽>800 mm时,在洞口上下需设置补强暗梁,此时应注写暗梁的纵筋与箍筋(补强暗梁的梁高一律定为400mm,若梁高不是400 mm应另行标注);当洞口上下为剪力墙的连梁时此项免标;洞口竖向两侧按边缘构件配筋,此项不标注。
例如:JD5 18002100 +1.80 6208@150表示5号矩形洞口,洞宽1800 mm洞高2100mm,洞口中心距结构层1.8 m,洞上下设补强暗梁,暗梁的纵筋为620, 箍筋为8@150。
(3)当圆形洞口直径300 mm时需注写圆洞四边的补强钢筋,
(4)当洞口直径300 mm<D<800 mm时,其加强钢筋按照外切正六边形的边角布置,此时,注写六边形中一边的补墙钢筋的具体数值。
例如:YD3 400 +1.00 214表示3号圆形洞口,直径为400 mm,洞中心距结构层1 m,洞口加强钢筋呈外切正六边形布置,每一边为214。
2)其它方面的标注
在抗震设计中,对一、二级抗震等级的剪力墙,应标注底部加强区,在剪力墙平法施工图中标出其所在部位及其高度和范围。
当剪力墙中有偏心受拉墙肢时,均采用机械连接或焊接的钢筋接头,在施工图中应注明。
图附.2.14为截面注写方式示例。

(3)列表注写方式
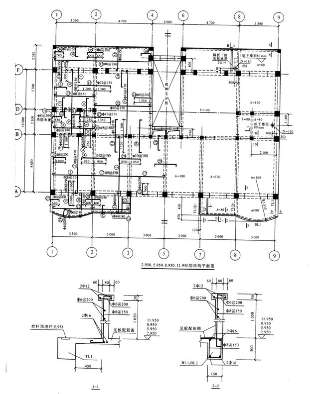
列表注写方式需要画出结构层楼面标高和结构层高表、暗梁或边框梁布置简图,与图附.2.14相同。其余见图附.2.15。

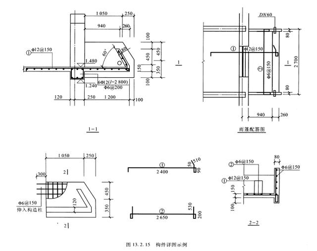
4.其它构件的详图
对其他构件,需要按制图规则,绘出其构件详图。如图所示。
