1、采用三级配电系统; 2、采用TN-S接零保护系统;3、采用二级漏电保护系统。
原则一:采用三级配电系统
从电源进线开始至用电设备之间,经过三级配电装置配送电力。
即由总配电箱(一级箱)开始,依次经由分配电箱(二级箱)、开关箱(三级箱)到用电设备。
这种分三个层次逐级配送电力的系统就称为三级配电系统。


为保证三级配电系统能够安全、可靠、有效地运行,在实际设置系统时尚应遵守四项规则:
分级分路规则:
1、从一级向二级配电可以分路。
即一个总配电箱(配电柜)可以分若干分路向若干分配电箱配电;每一分路也可分支支接若干分配电箱。
2、从二级向三级配电同样可以分路。
即一个分配电箱也可以分若干分路向若干开关箱配电,而其每一分路也可以支接或链接若干开关箱。
3、从三级开关箱向用电设备配电必须实行一机一闸制,不存在分路问题。即每一个开关箱只能联接控制一台与其相关的用电设备(含插座),包括一组不超过30A负荷的照明器,或每一台用电设备必须有其独立专用的开关箱。
动照分设规则:
动力配电箱与照明配电箱宜分别设置;若需共箱配电,则动力与照明应分路配电。
动力开关箱与照明开关箱必须分箱设置,不存在共箱分路设置问题。
压缩配电间距规则:
分配电箱应设在用电设备或负荷相对集中的场所。
分配电箱与开关箱的距离不得超过30m。
开关箱与其供电的固定式用电设备的水平距离不宜超过3m。
环境安全规则
环境保持干燥、通风、常温。
周围无易燃易爆物及腐蚀介质。
能避开外物撞击、强烈振动、液体浸溅和热源烘烤。
周围无灌木、杂草丛生。
周围不堆放器材、杂物。
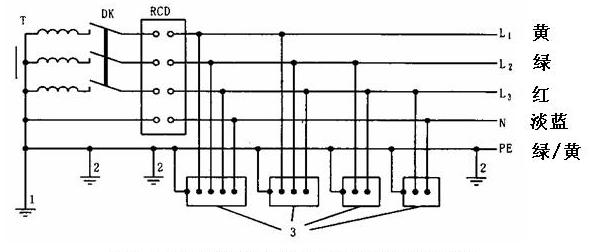
原则二:采用TN-S 接零保护系统
TN-S系统:就是工作零线与保护零线分开设置的接零保护系统。
T电源中性点直接接地。
N电气设备外露可导电部分通过零线接地。
S工作零线(N线)与保护零线(PE线)分开的 系统。

原则三:采用二级漏电保护系统
在基本供配电系统的总配电箱和开关箱设置漏电保护器。
总配电箱中的漏电保护器可以设置于总路,也可以设置于各分路,但不必重叠设置 。
合理选择总配电箱、开关箱中漏电保护器的额定漏电动作参数。