1.梁需要计算的钢筋

2.楼层框架梁钢筋计算方法
(1)上下部贯通钢筋长度算法
公式:长度=净跨长+左支座锚固+右支座锚固
A.当梁支座足够宽时,上下部纵筋直锚在支座里,应满足如下条件,见图。

左、右支座锚固长度的取值判断:
当hc-保护层(直锚长度)LaE时, 取Max(LaE ,0.5hc+5d)
B.当梁支座不能满足直锚时,纵筋应弯锚,满足下图条件。

左、右支座锚固长度的取值判断:
当hc-保护层(直锚长度)LaE时,必须弯锚, 取Max[(LaE),(0.4 LaE+15d),(hc-保护层+15d)
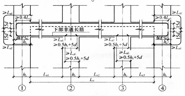
(2)下部非贯通筋长度算法
A.当端支座足够宽时,直锚在支座里

计算公式:
首尾跨下部非贯通筋长度=净跨Ln1(Ln3)+左右锚入支座内长度Max[(LaE),(0.5hc+5d)]
中间跨下部非贯通筋长度=净跨Ln2+左右锚入支座内长度Max[(LaE),(0.5hc+5d)]

梁钢筋算量的基本方法
B.当端支座不能满足直锚时,应弯锚

计算公式:
首尾跨下部非贯通筋长度=净跨Ln1(Ln3)+端支座Max[(LaE),(0.4LaE+15d),(hc-保护层+15d)+中间支座Max[(LaE),(0.5hc+5d)]
中间跨下部非贯通筋长度=净跨Ln2+左右锚入支座内长度Max[(LaE),(0.5hc+5d)]

(3)梁端支座负筋长度算法

第一排长度=Ln/3+Max[(LaE),(0.4 LaE+15d),(hc-保护层+15d)
第二排长度= Ln/4+Max[同上] (Ln指净跨长)
(4)中间支座负筋长度算法 第一排长度=2*max(第一跨,第二跨)净跨长/3+支座宽 第二排长度=2*max(第一跨,第二跨)净跨长/4+支座宽 连接框架梁第一排支座负筋的钢筋叫架立筋。 注:当梁的上部既有通长筋又有架立筋时,其中架立筋的搭接长度为150 架立筋长度=净跨长-净跨长/3*2+150*2 首尾跨长度=Ln1-Ln1/3-max(Ln1,Ln2)/3+150*2 中间跨长度=Ln2-max(Ln1,Ln2)/3-max(Ln2,Ln3)/3 +150*2 当梁净高h450时,在梁的两个侧面沿高度配置纵向构造钢筋,纵向构造钢筋间距a200. 构造筋长度=净跨长+2*15d 梁的侧面抗扭钢筋的计算方法和下通筋一样,分两种情况,直锚和弯锚。 抗扭筋长度=净跨长+2*锚固长度(同框架梁下部纵筋) 拉筋直径取值:梁宽350取6mm,350取8mm 拉筋长度=梁宽-2*保护+2*1.9d+2*max(10d,75mm)+2d 拉筋根数=((净跨长-50*2)/非加密间距*2+1))*排数 箍筋1长度=(梁宽b-保护层*2+d*2)*2+(梁高h-保护层*2+d*2)*2+1.9d*2+max(10d,75mm)*2 箍筋2长度=[(梁宽b-保护层*2-D)/(梁下部第一排纵筋的根数-1)*间距数+D]*2+[(梁高h-保护层*2]*2+1.9d*2+max(10d,75mm)*2 根数=((左加密区长度-50)/加密间距+1)+(非加密区长度/非加密间距-1)+((右加密区长度-50)/加密间距+1) 根数=((左加密区长度-50)/加密间距+1)+(非加密区长度/非加密间距-1)+((右加密区长度-50)/加密间距+1) 吊筋夹角取值:梁高800取45度,800取60度 吊筋长度=次梁宽+2*50+2*(梁高-2保护层)/正弦45度(60度)+2*20d
(5)架立筋的计算


(6)侧面纵向构造或抗扭钢筋的计算

侧面纵筋的拉筋长度的计算

侧面纵筋的拉筋根数的计算

(7)梁箍筋的计算
箍筋1长度计算

箍筋2长度计算

箍筋根数计算


(8)吊筋的计算

(9)附加箍筋的计算
