一、作业组织形式
1、顺序施工:工种依次进行,不交叉作业。拖时间、但不会窝工,资源好配置 。工作面受限情况采用。

2、平行施工:多个项目同时开工、齐头并进、同时竣工、有利缩短工期,可能窝工,资源浪费。工期紧张情况采用。
3、流水施工:各工种依一定顺序和时间间隔在不同施工段(或工作面上)连续进行。资源消耗均匀。它综合了顺序施工和平行施工的优点:可充分利用工作面,缩短工期;各工作队实现专业化,有利提高劳动生产率和工程质量;能连续性施工、资源消耗.均匀.有利成本控制。是组织生产的一种高级形式,为文明施工和科学管理创造了条件。

二、流水作业表示形式和参数
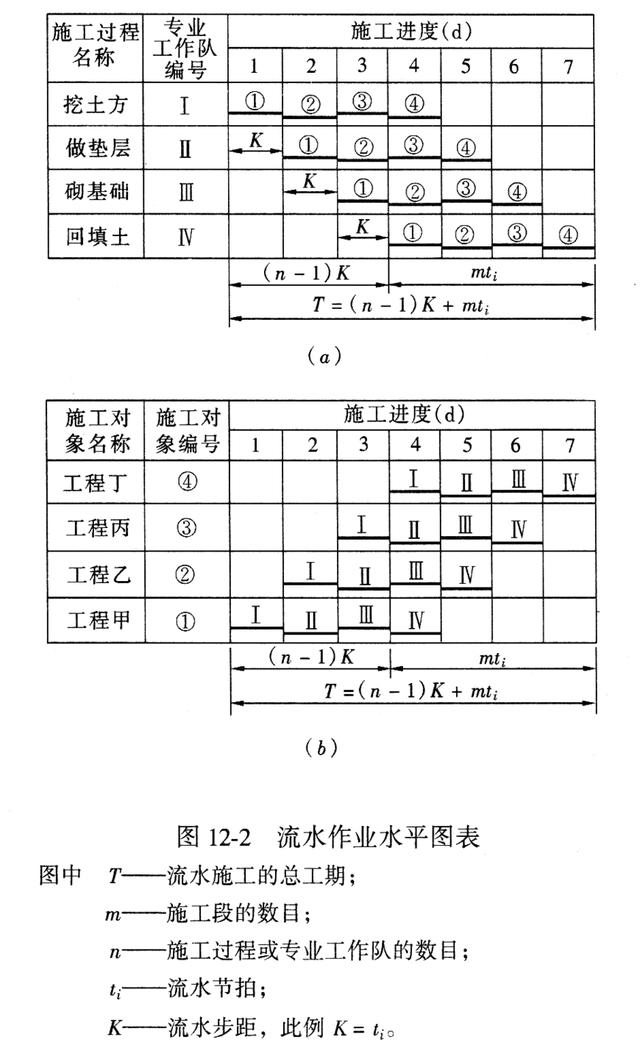
1、表示形式:横道图(水平图表图、 垂直图表 )


2、参数
① 施工过程数(n)工序数即专业工作队数,施工过程数视工程大小和复杂程度确定;
② 施工段数(m)按平面或空间划分的施工区段 。施工段的划分尽量保证各段消耗的劳动量大致相等,且满足多工种同时施工对工作面要求,使mn;
③ 流水节拍(ti)某施工段的工作持续时间;
④ 流水步距(ki)相邻施工队进场时间间隔;
⑤工艺或组织间隙时间(s);
⑥平行搭接时间(c)

三、流水作业的基本方式及工期计算
1、流水线作业法:适合沟槽、道路等线性工程

工期:T= (n-1) k+L /v
2、固定节拍专业流水
特征:某一施工过程在各施工段的耗时相同,即t1=t2=ti ; 某一施工段各施工过程在该段所花费时间相同并等于流水步距,即ti=ti+1=k

总工期 T=ki ki+1+Tn-C+S
∵ ti =k , Tn= m ti , ki ki+1 = (n-1)k
T =ki ki+1+Tn-C+S = (n-1) k+m ti-C+S =(m+n-1)k-C+S = (m+n-1) ti-C+S
3 、成倍节拍专业流水
① 一般成倍节拍流水
特征:同一个施工段,各个施工过程在该施工段所用时时间互成倍数关系

总工期T=ki*ki+1+Tn-C+S
难点 ki.. ki+1 = ?
∵ t1t2 , k1 2 =t1 =5 天
t2 = t 3 ,k2 3 = t2 = 10 天
t3t4 ,k3 4 = m t3-(m-1) t4=25天
ti ( ti ti+1 ) 两相邻工序中.前道工序的流水节拍小于或等于后
ki I+1 ={道工序的流水节拍时.它们的流水步距等于前道工序的流水节拍.
mti -( m-1) ti+1 (titi+1)
② 加快节拍流水

总工期 T = ( N-1 ) K+mk -C+S=(m+N-1)K0 -C+S
K0---任何两相邻施工过程之间的流水步距最小值。(最大公约数)
为加快节拍 令 k= tmin =k o (本例tmin =5 天)
在同一施工段上,某工作未加快流水节拍需时ti,加快节拍流水后需时为
tmin = ti/ ni 即 ni= ti / tmin(需增加的施工队数)
4 、分别流水法

特点:各施工段工作量不等;各施工队效率不同;各施工过程的节拍随施工段的不同而改变。各施工过程可以组织连续流水作业,但对整个工程而言,各分别流水之间可以产生间隙。