高层和超高层建筑高宽比较大,在风荷载和地震荷载作用下,结构整体抗倾覆直接关系到结构安全,所以,高层和超高层建筑的抗倾覆验算至关重要。
一、规范要求:
《高规》第12.1.7条要求,高宽比大于4的高层建筑,基础底面不宜出现零应力区;高宽比不大于4的高层建筑,零应力区面积不应超过基础底面面积的15%。
二、结构整体抗倾覆验算方法:
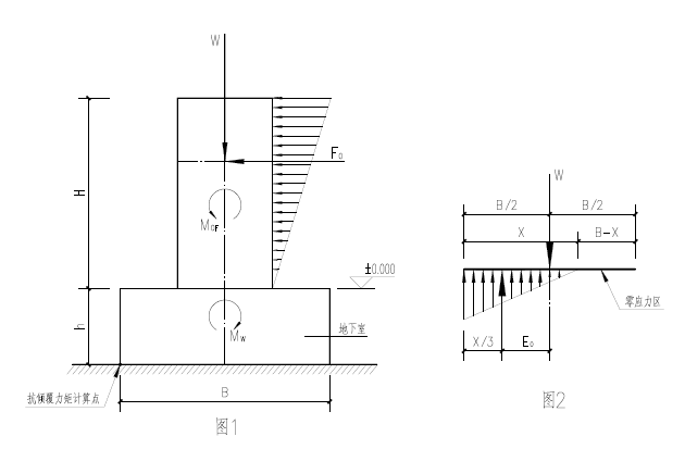
图1和图2中符号的含义:
M0F-------倾覆力矩标准值;
H----------地面以上建筑高度,即房屋结构高度;
h----------地下室埋深;
F0--------总水平力标准值;
MW-------抗倾覆力矩标准值;
W---------上部结构及地下室基础总重力荷载代表值;
B----------地下室基础底面宽度;

倾覆力矩M0F是指水平力对基础底面产生的力矩,M0F= F0(2H/3+h);
抗倾覆力矩MW是指竖向力对基础边缘产生的力矩;假定竖向力合力中心与基础底面形心重合,因此MW=WB/2;
设X为地基反力的分布宽度,则零应力区长度为B-X,如图2所示;
偏心距E0=B/2-X/3;同时,E0= M0V/G;
因此,B/2-X/3= M0F/W,从而得到:
X=3B/2-3 M0F/W;
零应力区与基础底面积之比为:
(B-X)/B=(B-3B/2+3 M0F/W)/B=1-3/2+3 M0F/WB=3 M0F/WB-1/2;
由MW=WB/2可得, WB=2 MW;代入上式并整理可得:
(B-X)/B= =3 M0F/2 MW -1/2=(3 M0F/ MW -1)/2;
令k代表抗倾覆安全系数,k= MW/ M0W;
则零应力区与基础底面面积之比为:(B-X)/B=(3-k)/2k;
由此式可以求得抗倾覆安全度与零应力区面积比的对应关系,如下表。

从上表可以看出,对于高宽比>4的高层建筑,抗倾覆安全系数3时,基底不出现零应力区;高宽比不大于4的高层建筑,抗倾覆安全系数2.308时,零应力区面积比就不会超过15%;如果抗倾覆安全系数不满足要求,则可将弯矩作用方向的基础宽度加宽,直到满足为止;
需要说明的是:
(1)在上述计算中,假定地下室及上部结构是完全刚性的,地基反力是直线分布的;所以,对于整体刚度较弱的的高层建筑,或者风和地震较强的地区,及地基刚度较弱时,抗倾覆安全度尚宜适当加大。
(2)抗倾覆力矩是相对于基础边线计算的,该力矩不代表真实的抗倾覆能力,而是仅用于计算的虚拟值;
(3)上述计算中未考虑地下室周围土体约束的有利作用。