1标号:电路每个节点编号,标号遵循以下原则
(1) 从正极开始标1
(2) 导线连通的节点标同样的数字
(3) 沿着导线过一个用电器,数字+1
(4) 到遇到电源负极为止
(5) 要求所有点的标号要大于等于1,小于等于负极的标号
2画图
(1) 在平面上画出节点号
(2) 根据原图画出节点之间的用电器或电表
(3) 整理,美化
3注意事项
(1) 当用电器两端标号不等时,电流从小标号点到大标号点,因为小标号更接近正极
(2) 当用电器两端标号相等时,相当于一根导线接在用电器两端,因此用电器短路没有电流
如图,这道题太典型了,估计每个老师都要讲。答案估计大家都知道,同学甲说这个是串联;同学乙说,不对!R1应该被短路了,没看见上面的天线么;这时候老师蹦出来,说你们都错了,实际上是标准的并联电路。倒~,确实不好理解,很多同学老师讲过一遍还是搞不清楚为啥,最后背下结论了事。现在轮到我们的标号大法上场了,为了说明方便,先用字母对每个点进行标记下

首先进行标号,我们的标号用红色数字表示,从电源正极出来a点标1,同样在一条导线上的b、d点也标1;检查所有该标1的都标了,那就过一个电阻吧!例如从b点过到c点,这样c点标2。同一导线上的e、f、g点都标

2,这样我们惊奇的发现已经到电源负极了!标号结束!轻松~进入第二步画图阶段,先画出节点号1,2,其中1节点电源正极,2节点接电源负极,如下图;

然后再原图中查找每个电阻两端的节点标号,放到简化图中对应标号之间,我们看到R1、R2、R3都在1、2点之间,所以把它们仨依次连接在1、2点之间,就形成了右图,很~清纯的并联电路,不是么?

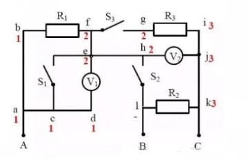
例2:简化3个电路图。(1) 电源正极接A,负极接C,只闭合S2;(2) 只闭合S3;(3) 电源正极接A,负极接B,只断开S2

第1问
a. 标号,A点出来a、b、c、d都标1,S1断开,所以e、f点不能标1;过R1后,e、f、h标2,S2闭合,所以l也标2;过R2,i,j,k都标3。有同学问,能否由i过R3,在g点标4?这是不可以的,参看口诀第五条,g点的标号不能比i大,而且g点后面S3断开,使得电流无处流了,所以正确答案是这个电路图R3并没有被接入电路。标号结果参看上图

b. 画图,先画三个节点;

找每个用电器所在的位置,R1和V1在1,2之间,R2和V2在2,3之间,装上即可;R3的g点没有标号,所以没有接入电路

第2问
a.标号,标1节点与原来相同;由于S3闭合,g点闭合,由于S2断开,l点无法标注;3节点标注与原来相同

b.画图:可以看到R2不在图里

第3问
a.标号,A点正极,S1,S3闭合,所以a,b,c,d,e,f,g,h都标记1,过R3标记i,j,k标记2;过R2,l标记3,B点是负极,停止标号

b.画图,R1,V1两端都是1,说明也就是他们被短路了,没有接入电路;R3,V2接在1,2之间;R2接在2,3之间

如果遇到电流表,可将电流表视为导线,然后在简化图中放入电流表。