尤其是防水工程,基坑干不了,防水就没办法进行施工!
今天的重点是车库顶板边缘部位阳角节点的优秀做法展示,如何将地库顶板阳角部位的防水做好,使得立面防水与顶板平面防水进行有效的闭合,达到地下室整体防水的一个效果。
对于这个部位,一定要跟每个工人进行技术交底,强调重点部位的防水施工工艺,将节点的做法牢牢的掌握住。
先上节点图:

注意事项:
基层找平处理,阳角部位首先要做弧形倒角,增加卷材贴合度
用刷子均匀涂刷冷底子油,8到12小时候进行卷材铺贴
同第一层防水卷材材料进行附加层铺贴,每侧250宽

地下室顶板的防水卷材可以根据实际选择两个方向的铺贴方法,下面将两种铺贴方法均介绍一下:
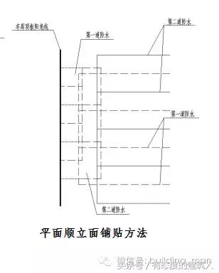
接头不允许留置在立面上,第一道防水卷材应超过阳角线不小于600宽将卷材接头留在平面上
第二道防水卷材与第一道防水卷材错开1/2个幅宽,并超过第一道卷材外边不少于500
立面和平面卷材搭接宽度均不得低于150

1、平面垂直方向铺贴方法

1、平面顺立面铺贴方法
阳角部位的卷材按本文所示例做法施工,防水效果必然杠杠的,不服来辩!