一,首先我们了解一下关于供电系统的供电线路符号
1,国际电工委员会( IEC )规定的供电方式符号中,第一个字母表示电力(电源)系统对地关系。如 T 表示是中性点直接接地; I 表示所有带电部分绝缘。
2,第二个字母表示用电装置外露的可导电部分对地的关系。如 T 表示设备外壳接地,它与系统中的其他任何接地点无直接关系; N 表示 负载采取接零保护。
3,第三个字母表示工作零线与保护线的组合关系。如 C 表示工作零线与保护线是合一的,如 TN-C ; S 表示工作零线与保护线是严格分开的,所以 PE 线称为专用保护线,如 TN-S 。

二,建筑工程供电使用的基本供电系统有三相三线制三相四线制,三相五线制等,但这些名词术语内涵不是十分严格。国际电工委员会( IEC )对此作了统一规定,称为 TT 系统、 TN 系统、 IT 系统。
TT 系统 TN-C
供电系统 TN 系统 TN-S
IT 系统 TN-C-S
A,TT 方式供电系统 TT 方式是指将电气设备的金属外壳直接接地的保护系统,称为保护接地系统,也称 TT 系统。第一个符号 T 表示电力系统中性点直接接地;第二个符号 T 表示负载设备外露不与带电体相接的金属导电部分与大地直接联接,而与系统如何接地无关。在TT系统中负载的所有接地均称为保护接地。

TT接地系统的特点
1,当电气设备的金属外壳带电(相线碰壳或设备绝缘损坏而漏电)时,由于有接地保护,可以大大减少触电的危险性。但是,低压断路器(自动开关)不一定能跳闸,造成漏电设备的外壳对地电压高于安全电压,属于危险电压。
2,当漏电电流比较小时,即使有熔断器也不一定能熔断,所以还需要漏电保护器作保护,困此 TT 系统难以推广。
3, TT 系统接地装置耗用钢材多,而且难以回收、费工时、费料。
B, TN 方式供电系统 这种供电系统是将电气设备的金属外壳与工作零线相接的保护系统,称作接零保护系统,用 TN 表示。

TN接零保护的特点
1,一旦设备出现外壳带电,接零保护系统能将漏电电流上升为短路电流,这个电流很大,是 TT 系统的 5.3 倍,实际上就是单相对地短路故障,熔断器的熔丝会熔断,低压断路器的脱扣器会立即动作而跳闸,使故障设备断电,比较安全。
2,TN 系统节省材料、工时,在我国和其他许多国家广泛得到应用,可见比 TT 系统优点多。
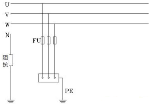
C, IT 方式供电系统 I 表示电源侧没有工作接地,或经过高阻抗接地。每二个字母 T 表示负载侧电气设备进行接地保护。

IT供电方式特点
1,IT 方式供电系统在供电距离不是很长时,供电的可靠性高、安全性好。一般用于不允许停电的场所,或者是要求严格地连续供电的地方,例如电力炼钢、大医院的手术室、地下矿井等处。地下矿井内供电条件比较差,电缆易受潮。运用 IT 方式供电系统,即使电源中性点不接地,一旦设备漏电,单相对地漏电流仍小,不会破坏电源电压的平衡,所以比电源中性点接地的系统还安全!
2,如果用在供电距离很长时,供电线路对大地的分布电容就不能忽视了。在负载发生短路故障或漏电使设备外壳带电时,漏电电流经大地形成架路,保护设备不一定动作,这是很危险的,只有在供电距离较短时才比较安全!