一、电动机接线
一般常用三相交流电动机接线架上都引出6个接线柱,当电动机铭牌上标为Y形接法时,D6、D4、D5相连接,D1~D3接电源;为△形接法时,D6与D1连接,D4与D2连接,D5与D3连接,然后D1~D3接电源。如下图所示连接方法连接。

三相交流电动机Y形和△形接线方法
如何确认三相电动机是何种接线方法?
1.打开电机的接线盒后,看三种不同颜色的线,如果三种不同颜色的线是一条线的头接一条线的尾则可以确定该接线法是Y型接线,如果三条线有一端是连接在一起的,则可以保证是星形接线法,
2.三角形接线时,三相电机每一个绕组承受线电压(380V),而星形接线时,电机每一承受相电压(220V).在电机功率相同的情况,角线电机的绕组电流较星接电机电流小。
二、单相电容运转电动机接线
下图是JX07A-4型单相电容运转电动机接线方法。电动机功率为60W,用220V/50Hz交流电源、电流为0.5A。它的转速为每分钟1400转。电容选用耐压400~500V、容量8F的产品。图4(a)为正转接线,图4(b)为反转接线。

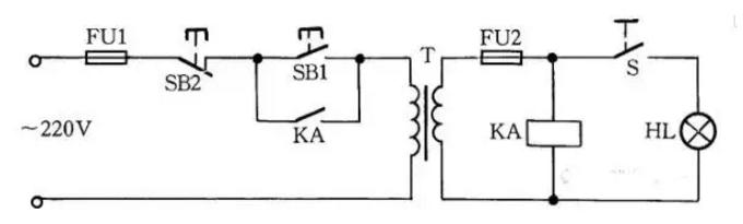
三、低压变压器短路保护线路
目前,机床的工作灯、行灯都采用低压变压器提供36V安全电压,由于灯具在使用中经常移动,极易发生短路故障,造成熔断器熔断甚至烧坏变压器。如果使用36V小型中间继电器或36V交流接触器做变压器的通断开关,可避免烧坏变压器。

低压变压器短路保护线路
变压器低压侧两相短路,对高压侧有什么影响啊?
变压器低压侧的短路电流与高压侧的短路电流有一些关系。
变压器高压侧短路电流比低压侧短路电流小;计算变压器低压侧短路电流时,除了要计入变压器本身阻抗外,还要计入高压侧电源回路的阻抗。而高压侧短路电流的大小,就说明了该电源回路阻抗的大小,高压侧的短路电流越大,说明电源回路的阻抗越小,计算下来变压器低压侧的短路电流也越大。不过由于变压器的阻抗往往远远大于电源的阻抗,低压侧短路电流与电源阻抗的关系不是很大,所以高压侧的短路电流大小对于变压器低压侧的短路电流影响不是很大。