一、继电器的控制关系
继电器在许多机械控制上及电子电路中都采用这种器件。

图 典型继电器的内部结构
继电器工作时,通过在线圈两端加上一定的电压,线圈中产生电流,从而产生电磁效应,衔铁就会在电磁力吸引的作用下克服复位弹簧的拉力吸向铁心,来控制触点的闭合,当线圈失电后,电磁吸力消失,衔铁会在复位弹簧的反作用力下返回原来的位置,使触点断开,通过该方法控制电路的导通与切断。
1.继电器常开触点的控制关系

图 继电器常开触点的连接关系

图 继电器常开触点的控制关系
2.继电器常闭触点的控制关系

图 继电器常闭触点的连接关系

图 继电器常闭触点的控制关系
3.继电器转换触点的控制关系

图 继电器的转换触点
继电器的转换触点是指继电器内部设有一个动触点和两个静触点,其中动触点与静触点1处于闭合状态,称为常闭触点,动触点与静触点2处于断开状态,称为常开触点。


图 继电器转换触点的连接关系


图 继电器转换触点的控制关系
二、接触器的控制关系
1.交流接触器的控制关系

图 典型的交流接触器的实物外形及内部结构
交流接触器主要用于远距离接通与分断交流供电电路的器件。


图 交流接触器的连接关系


图 电路接通时交流接触器的控制关系
2.直流接触器的控制关系

图 直流接触器的实物外形及内部结构
直流接触器主要用于远距离接通与分断直流供电电路的器件。直流接触器和交流接触器的结构虽然不同,但其控制方式基本相同,在此不再赘述。
三、熔断器的控制关系
熔断器在电路中的作用是检测电流通过的量,当电路中的电流超过熔断器规定值一段时间时,熔断器会以自身产生的热量使熔体熔化,从而使电路断开,起到保护电路的作用。

图 熔断器的连接关系


图 熔断器的控制关系
四、漏电保护器的控制关系

图 漏电检测原理
漏电保护器是一种具有对漏电、触点、过载、短路故障进行保护功能的保护器件。

图 漏电保护器的连接关系


图 漏电保护器的控制关系
五、温度继电器的控制关系

图 温度继电器的外形及内部结构
温度继电器是一种用于防止负载设备因温度过高或过电流而烧坏的保护器件,其感温面紧贴在负载设备的外壳上,接线端子与供电电路串联一起。

图 温度继电器的连接关系

图 正常温度下温度继电器的控制关系

图 温度过高时温度继电器的控制关系
待压缩机电动机和温度继电器的温度逐渐冷却时,双金属片又恢复到原来的形态,触点再次接通,压缩机电动机再次起动运转。
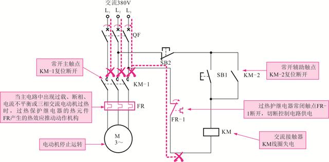
六、过热保护继电器的控制关系

图 过热保护继电器的外形及内部结构
过热保护继电器是利用电流的热效应来推动动作机构使其内部触点闭合或断开的,主要用于电动机的过载保护、断相保护、电流不平衡保护以及热保护。


图 过热保护继电器的连接关系


图 电路异常时过热保护继电器的控制关系