我们看到的PLC梯形图中,一条条程序基本上都是由触点或线圈的串联、并联或某部分程序块的串联、并联等构成的,这些串并联关系构成一定的逻辑关系,因而能够实现特定的控制结果,那么在编程过程中,如何确定触点间或程序块之间是串联关系还是并联关系,是梯形图程序的编程关键,也是程序编写的核心过程。
编程元件初始状态的确定
编程元件的初始状态,简单来说,就是确定触点为常开触点还是常闭触点。
确定触点的初始状态取决于触点动作时对线圈的控制关系,一般来说,若需要闭合时,线圈才执行动作,则其初始状态为常开触点;若需要其断开时,控制线圈执行某一动作,则其初始状态应为常闭触点。
例如,编程中需要实现触点I0.0闭合时,线圈Q0.0得电。由此可知,在保持初始状态下,所编写的程序应是断路的状态,根据分析,输入继电器触点初始状态应为常开触点,程序编写如下图所示,在该程序下可实现只有当操作外部条件使I0.0闭合,才能接通线圈Q0.0。

编程元件或程序块间串联关系的确定
PLC梯形图程序编写时,一般将控制同一个输出继电器线圈的触点,称为控制这个线圈的条件,当这些控制条件存在一定的制约关系,才能够完成对线圈的控制时,即构成与逻辑关系时,这些触点构成串联关系。
例如,要求起动按钮SB1控制电动机M起动,停止按钮SB2控制电动机M停止,电动机M起动与停止受接触器KM1控制,编写该控制过程梯形图。
根据控制要求可知,编写程序中有两个控制条件SB1、SB2,且为输入继电器,为其分配地址为I0.0、I0.1,PLC外接接触器KM1为执行元件,作为输出继电器,分配其地址为Q0.0,其程序编写过程如下图所示。

编程元件或程序块间并联关系的确定
PLC梯形图程序编写时,将控制同一个输出继电器线圈的触点,称为控制这个线圈的条件,当这些控制条件中任何一个动作均能够完成对线圈的控制时,即构成或逻辑关系时,这些触点构成并联关系。
例如,要求按下起动按钮SB1控制接触器KM1得电,电动机M起动,松开按钮SB1后,由接触器KM的自锁触点保持控制信号接通电动机仍运转。
根据控制要求可知,编写程序中有1个控制条件SB1,且为输入继电器,为其分配地址为I0.0,PLC外接接触器KM1为执行元件,其线圈作为输出继电器,分配地址为Q0.0,其自锁触点也作为一个控制条件,但同一个部件,其编程元件名称仍为Q0.0,编写过程如下图所示。


一些PLC梯形图的编程案例
1.电动机顺序起、停控制的PLC梯形图编程案例
案例描述:
按下起动按钮SB1,控制交流接触器KM1得电,电动机M1起动运转;
按下起动按钮SB3,控制交流接触器KM2得电,电动机M2继M1后顺序起动运转;
按下停止按钮SB4,控制交流接触器KM2失电,电动机M2停转;
按下停止按钮SB2,控制交流接触器KM1失电,电动机M1继M2后反顺序停转。
若线路中出现过载、过热故障由过热保护继电器FR自动切断控制线路。
为了确保只有在M1起动后,M2才能起动的顺序,在M2起动控制线路中串入电动机M1交流接触器KM1的常开触点。
同时,为了防止当起动电动机M2时,误操作按动电动机M1的停止按钮SB2,而关断电动机M1,在电动机M1的起动控制线路中并入电动机M2交流接触器KM2的常开触点,实现联锁控制。
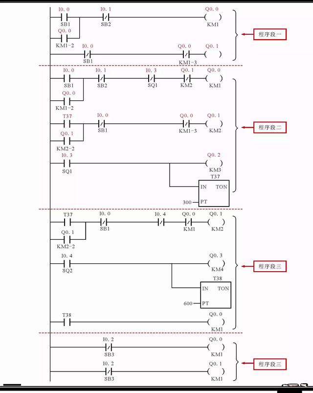
根据编程案例中对控制过程的描述,我们可以将整个控制关系划分成6部分,如下图所示。


接下来,要进行I/O分配。

I/O分配完毕,可根据控制过程完成PLC梯形图的程序编写。
1)电动机M1起动控制过程梯形图

2)电动机M2起动控制过程梯形图

3)电动机M2停机控制过程梯形图

4)电动机M1停机控制过程梯形图

5)电动机M1与M2互锁及联锁控制过程梯形图

6)电动机过热保护控制过程梯形图

7)程序的合并和调整

最终获得的PLC梯形图程序,如下图所示。

2.运输车自动往返控制的PLC梯形图编程案例
案例描述:
运输车的起动由左行起动按钮和右行起动按钮SB1、SB2进行控制;
运输车起动运行后,首先右行到限位开关SQ1处,此时运输车停止进行装料,30秒后装料完毕,运输车开始左行;
当运输车左行至限位开关SQ2处时,运输车停止进行卸料,60 s后卸料结束,再右行,行至限位开关SQ1处再停止,进行装料,如此循环工作。
按下停止按钮SB3后,运输车停止工作。
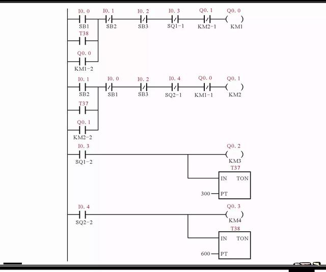
根据运输车的自动往返运行的控制要求,我们可以将功能模块划分为4部分,如下图所示。

编写程序之前填写PLC梯形图的I/O分配表。


I/O分配完毕,便可根据控制过程完成PLC梯形图的程序编写。
1)运输车右行起动控制过程的PLC梯形图

2)30s装料及自动左行控制过程的西门子PLC梯形图

3)60s卸料及自动返回(右行)控制过程的西门子PLC梯形图

4)运输车停止控制过程的PLC梯形图

5)程序的合并和调整

最终获得的PLC梯形图程序,如下图所示。

两个案例中省略了很多文字解析,如果大家有疑问的话,请留言,小编会补上相应的文字。