一、建设项目经济评价的目的、意义
建设项目经济评价是项目可行性研究的有机组成部分和重要内容,是项目决策科学化的重要手段。在项目经济评价过程中考虑资金的时间价值,引入项目径济评价方法与参数体系。把软科学引人决策程序,计算项目投资的费用和产生的效益,对拟建项目的合理性和经济可行性进行分析、论证,作出全面、科学的经济评价。项目经济评价的目的在于最大限度的提高投资效益,将风险减少到最低程度。
由于项目经济评价是在国民经济发展战略和行业、地区发展规划指导下进行的,因此有利于引导投资方向,控制投资规模,又能使项目、方案经过需要可能最佳,步步深入的比选、分析,达到优化。这样,可减少由于依据不足、方法不当、盲目决策等所导致的失误,把有限的资源用于经济效益和社会效益真正好的建设项目。
二、建设项目经济评价参数
为推动建设项目经济评价,尤其是国民经济评价工作的开展,国家有关主管部门发布各类评价参教,并随着时间推移不断的进行调整,现将这些参效介绍如下:
1、杜会折现率
社会折现率是项目经济评价的重要通用通用参数,是项目经济可行性和方案比选的主要判别依据。它在项目国民经济评价中用来计算经济净现值的折现率,并作为衡量经济内部收益的标准值。
社会折现率代表社会对资金时间价值的估量。恰当的社会折现率有助于合理分配建设资金,引导资金投向对国民经济贡献大的项目,调控投资规模,促进资金在短期和长期项目间的合理配置。按照国家计委规定,现行的社会折现率取12%。
2、影子汇率
影子汇率即外汇的影子价格,是项目国民经济评价的重要通用参数。它体现从国家角度对外汇直实价位的估量,在项目国民经济评价中用于外汇与人民币之间的换算。影子汇率取值的高低,直接影响项目(或方案)比选中的进出口抉择,影响对产品进口替代型项目和产品出口型项目的决策。现行的影子汇率为1美元折算5.8元人民币。
其他外币折算,应按照当时中国银行公布的外汇牌价换算成美元后,再按影子汇率计算。
3、影子工作
影子工资是指国家和社会为建设项目使用劳动力所付出的代价。它由两部分组成:一是由于项目使用劳动力而导致别处被迫放弃的原有净效益;二是因劳动力的就业或转移所增加的社会资源消耗,如交通运输费用、城市管理费用等。这些资源的耗费并没有提高职工的生活水平。
在国民经济评价中,影子工资作为劳务费用计入经营成本。为方便起见,可将财务评价中的工资及提取的职工福利基金(合称为名义工资)乘以工资换算系数,求得影子工资。
影子工资换算系数是项目国民经济评价的通用参数,是影子工资与财务评价中的名义工资对比。根据我国劳动力的状况、结构以及就业水平,目前国家有关部门规定一般建设项目的影子工资换算系数为1。对于就业压力很大的地区占用大量非熟练劳动力的项目,换算系数可小于1;对于占用大量短缺的专业技术人员的项目,换算系数可大于1.
4、影子价格
影子价格是国民经济评价中项目的投入物和产出物所使用的价格。它反映了对这些货物真实价值的度量。影子价格以直接值和换算系数两种形式给出。
把货物的财务价格转换为影子价格,可以直接选用某一适宜的价格,也可以用财务价格乘以某一适宜的价格换算系数。后一方法更适用于规则繁杂的货物。
国家有关部门发布了一些主要的大宗货物,重要原材料、主要燃料以及交通运输的影子价格,在项目条件符合时可直接选用。某些特殊项目应根据具体情况,分析使用条件、按照国民经济评价方法自行分析求得,防止简单套用。
三、建设项目经济评价的主要内容
项目经济评价的内容、深度及计算指标,应能满足审批项目建议书、可行性研究报告的要求。可行性研究阶段,必须做出全面、详细、完整的经济评价,项目建议书阶段的评价可适当从简。
(一)项目经济评价的两个层次
建设项目经济评价分为财务评价和国民经济评价两个层次。财务评价是根据国家现行财税制度和现行价格,分析计算拟建项目的投资、费用、盈利状况、清偿能力及外汇效果,以反映项目本身的财务可行性,各投资者可以根据财务评价的结论来决定项目是否值得投资兴建,项目的风险程度如何。
国民经济评价是从国民经济的整体角度,运用影子价格影子工资影子汇率、社会折现率等经济参数,分析计算项目需要国家付出的代价和对国家的贡献,考察投资的经济合理性和宏观可行性。决策机关可根据国民经济评价的结论,考虑项目的取舍。
项目经济评价应以国民经济评价为主,当财务评价与国民经济评价的结论相矛盾时,一般应由国民经济评价的结果来决定项目及方案的取舍。某些国计民生急需的建设项目,当国民经济评价认为可行,而财务评价认为不可行时,可向国家有关部门提出采取相应经济优惠措施的建议,使项目具有财务上的生存能力。
财务经济评价和国民经济评价是相互联系的,两种评价都寻求以最小的投入获得最大的产出.。都是在产品需求预测,工程技术方案、资金筹措等可行性研究的基础上进行评价的,都要计算包括建设期、生产期全过程的费用和效益。
财务评价与国民经济评价又有所不同,它们的主要区别是:
1.评价的角度不同,财务评价是从项目财务角度对项目进行考察,国民经济评价是从国民经济综合平衡角度对项目进行考察。
2.费用和效益的范围划分不同。财务评价是根据企业直接发生的财务收支,计算项目的费用和效益;国民经济评价是根据顶目所消耗的有用资源和对社会提供的有用产品及服务来考察项目的费用和效益。税金、国内借款利息和补贴视为国民经济内部转移支付,不列入项目的费用和效益。同时国民经济评价还要对项目引起的间接费用和间接效益进行分析、计算。
3.采用的价格不同。财务评价对投入物、产出物采用现行价格,国民经济评价则采用影子价格。
4.主要参数不同。财务评价采用的是官方汇率,以行业基准收益率作为折现率;国民经济评价则采用国家统一测定的社会折现率和影子汇率。
(二)不确定性分析概述
项目经济评价中所采用的数据,大部分来自预测和估算,有一定程度的不确定性。为了分析不确定因素对经济评价指标的影响,就需要进行不确定性分析,以预测项目可能承担的风险,确定项目在财务、经济上的可靠性。不确定性分析主要包括了盈亏平衡分析、敏感性分析和概率分析。
(三)方案比选概述
为了合理使用有限的建设投资,在项目可行性研究过程中,各项主要经济和技术决策(如工厂规模、产品方案、工艺流程和主要设备选型、原材料和燃料供应方式、厂址选择、布置以及资金筹措等等)均应根据实际情况提出各种可能的方案进行筛选,对选出的几个可行的方案,通过经济计算,结合投资情况详细论证、比较、优化,做出选择。
方案比较原则上应通过国民经济评价来确定。可以按各个方案所含的全部因素(相同因素和不同因素),计算个方案的全部经济效益,进行全面对比;也可仅就不同因素(不计算相同因素)计算相对经济效益,进行局部对比。比较时应注意保持各个方案的可比性。此外,还应注意在某些情况下,因使用不同的指标比较,可能导致相反的结论。
四、建设项目经济评价的步骤
(一)汇集、整理有关基础数据
1、建设总投资、分年投资支出和资金筹措来源;
2、生产期间的各年产品成本;
3、生产期间的各年产品销售量和销售收入;
4、生产期间的利润分配和贷款偿还计划;
5、综合以上数据编制整个项目计算期内的现今流量表等。
以上数据的汇集、整理应能满足财务评价与国民经济评价的不同要求。
(二)、编制财务、经济活动报表
为进行财务评价与国民经济评价,要分别编制财务、经济活动报表。这项工作实质上是分析项目建成后的财务与经济活动;它反应了项目在计算期内的财务与经济活动规律。一系列的财务、经济活动报表,就是以表格的形式来揭示这种规律,作为计算和分析经济指标的依据。
(三)进行财务评价
主要任务是,计算有关财务效益指标,评价建设项目的企业经济效益。
(四)进行国民经济评价
主要任务是,计算有关国民经济效益指标,评价建设项目的国民经济效益。
(五)综合分析与评价
主要任务是通过对建设项目企业经济效益与国民经济效益的综合分析,提出投资决策的经济依据,确定最佳投资方案。
五、财务评价
(一)财务评价的基本计算报表
财务评价的基本计算报表包括财务现今流量表、利润表以及财务平衡表。
1、财务现金流量表
该表反映项目计算期内各年的现金收支(现金流入和现金流出),用以计算各项动态和静态评价指标,进行项目财务盈利性分析。按投资计算基础不同,又将财务现金流量表分为全部投资和国内投资两种。
(1)财务现金流量表全部投资(详见表1-1)
该表设定的全部投资(包括固定资产投资和流动资金)均为自有资金,用以计算全部投资财务内部收益率、财务净现值及投资回收期等评价指标。

注:
根据需要可在现金流入和现金流出栏里增减项目。
生产期发生的更新改造投资作为现金流出单独列项或列入固定资产投资项中。
经营成本中不包括折旧、摊销费、流动资金利息、矿山项目采矿部分的维简费。
对于某些项目,如合资企业老厂改造项目需计算改造后效益的,必要时可以在建设期前另加一栏建设起点。将建设期初以前发生的现金流出填写在该栏,计算净现值时不予折现。
技术转让费是指生产期支付的技术转让费。
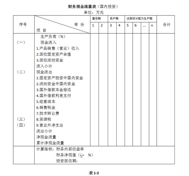
(二)财务现金流量表国内投资(表12)
该表适用于涉及外资的项目,以国内资金(包括国家预算内投资、国内贷款和自筹资金等)作为计算的基础,用以计算国内投资财务内部收益率、财务净现值。

注:同表11的注。
2、利润表(表13)
用以计算项目在计算期内各年的利润额。

注:技术转让费是指生产期支付的技术转让费
3、财务平衡表(表1-4)
根据项目的具体财务条件测算计算期内各年的资金盈余或短缺情况,供作选择资金筹措方案,指定适宜的借款及偿还计划,并据以测算固定资产投资借款偿还期,进行清偿能力分析。

涉及产品出口创汇及替代进口节汇的项目,一般应编制财务外汇流量表(表15),用来测算计算期内各年的净外汇流量、财务外汇净现值、财务换汇成本及财务结汇成本等指标,进行外汇效果分析。

注:技术转让费是指生产期支付的技术转让费
除应编制以上几种基本报表外,还可根据需要编制辅助报表。
(二)财务评价的主要指标
财务评价以财务内部收益率、投资回收期和固定资产投资借款偿还期等作为主要评价指标。建设项目产品出口创汇及替代进口结汇的项目,要计算财务外汇净现值、财务换汇和结汇成本等指标。根据项目的特点及实际需要,也可选择计算财务净现值、财务净现值率、投资利润率等辅助指标。
1、财务内部收益率(FIRR)
财务内部收益率是指项目在计算期内各年净现金流量现值累计等于零时的折现率,表达式为:

财务内部收益率(FIRR)可用试差法求得。然后将求出的财务内部收益率(FIRR)与部门或行业的基准收益率(ic)比较,当FIRRic时,应认为项目在财务上是可以接受的。(此处C应下标)
2、投资回收期
投资回收期是指以项目的净收益抵偿全部投资(包括固定资产投资和流动资金)所需要的时间;它是反映项目财务上投资回收能力的重要指标。投资回收期自建设开始年算起,同时还应注明自投产开始年算起的投资回收期。投资回收期(Pt,以年表示)的表达方式为:

投资回收期可用财务现金流量表全部投资累计净现金流量计算求得。计算公式为:

将项目评价求出的投资回收期(Pt)与部门或行业的基准投资回收期(Pc)比较,当PtPc时,应认为项目在财务上是可以考虑接受的。
3、固定自查投资借款偿还期(Pd)
固定资产投资借款偿还期(Pd),是分析项目清偿能力的主要指标,是在国家财政规定及项目具体财务条件下,以仙姑投产以后可作用还款的利润、折旧及其他收益额。偿还固定资产投资借款本金和利息所需要的时间。起表达式为:

式中
Id固定资产投资借款本金和利息之和;
Pd借款偿还期(建设开始年计算。当从投产年开始算起时,应予注明);
Rp年利润综合
D年可用作偿还借款的折旧;
Po年可用作偿还借款的其他收益;
Rr还款期间的年企业留利;
(Rp+D+Ro+Rr)t第t年可用于还款的收益额;
借款偿还期可由财务平衡表直接推算,以年表示。计算公式为:

涉及外资的项目,其国外借款部分的还本付息应按相应的借款偿还条件(包括偿还方士及偿还期限)计算。
4、财务净现值(FNPV)和净现值率(FNPVR)
财务净现值和净现值率都是反映项目在计算期内获利能力的动态评价指标。前者是指项目按部门或行业的基准收益率(ic),将各年的净现金流量折现到建设起点的现值之和;后者是项目净现值与全部投资现值之比,也就是单位投资限制的净现值。其表达式为:

式中Ip投资(包括固定资产投资和流动资金)的现值
财务净现值和财务净现值率可通过先进流量表计算。
财务净现值大于或等于零的项目是可以考虑接受的。在选择方案时,应选择净现值大的方案;当个方案投资额不同时,则要用净现值率来衡量。
5、投资利润率
投资利润率一般是指项目达到设计生产能力后的一个正常生产年份的年利润总额与项目总投资的比率。对生产期内各年的利润总额变化幅度较大的项目,应计算生产期年平均利润总额与总投资的比率,其计算公式为:

年利润总额=年产品销售收入-年总成本-年销售税金-年技术转让费-年资源税-年营业外净支出
总投资=固定资产投资(不包括生产期更新改造投资)+固定资产投资方向调节税+建设期投资贷款利息+流动资金
涉及产品出口创汇及替代进口结汇的项目,还应进行外汇效果分析,计算财务外汇净现值,换汇成本及结汇成本等指标。
六、国民经济评价
国民经济评价是项目经济评价的核心部分;他是从国家整体角度考察项目的效益和费用,用影子价格、影子工资、影子汇率和社会折现率,计算分析项目给国民经济带来的净效益,评价项目经济上的合理性。
(一)国民经济评价中若干问题的说明
项目国民经济评价应遵循统一的效益和费用划分的原则。项目的效益是指项目对国民经济所做的贡献,分为直接效益和间接效益。直接效益是指项目的产出物(物质产品或服务)用影子价格计算的经济价值。一般表现为增加该产出物数量,满足国内需求的效益;替代其他相同或类似企业的产出物,使被替代企业减产及减少国家有用资源耗费的效益;增加出口(或减少出口)所增收(或节支)的国家外汇等。间接效益亦称外部效益,是指项目为社会做出了贡献,而项目本身并未得益的那部分效益。
项目的费用是指国民经济为项目所付出的代价,分为直接费用和间接费用。直接费用是指用影子价格计算的项目投入物(固定资产投资和流动资金等一次性投入和经常性投入)的经济价值。一般表现为:其他部门为供应本项目投入物所耗用的资源费用;减少对其他项目(或最终消费者)投入物的供应而放弃的效益;增加进口(或减少出口)所耗用(或减收)的外汇等。间接费用亦称外部费用,是指社会为项目付出了代价,而项目本身并不需要付出的费用。
项目的间接效益(外部效益)和间接费用(外部费用)统称为外部效果。例如工业项目引进先进技术而引起的科学技术水平提高;排出废气、废水和废渣引起的环境污染等等。对显著的外部效果应做定量分析,不能定量的,应做定性描述。通常外部效果的较难计量的。为了减少计量的困难,首先应合理确定项目范围的边界。一般情况下,是扩大项目的范围,一些相互关联的项目被合在一起作为联合体进行评价。另外,由于国民经济评价用影子价格计算项目效益和费用,已对财务价格(实际价格)作了较大调整,使项目的外部效果在项目内部得到了体现。这样通过扩大计算范围和调整价格两步工作,实际上就将很多外部效果内部化、定量化了。
(二)国民经济评价的基本报表
国民经济评价的基本报表分为经济先进流量表全部投资(表1-6)和经济先进流量表国内投资(表1-7).前者以全部投资作为计算基础,用以计算全部投资经济内部收益率、经济净现值等评价指标;后者以国内投资作为计算基础,将国外借款利息和本金的偿还作为现金流出,用以计算国内投资的经济内部收益率、经济净现值、经济净现值率等指标。


涉及产品出口创汇及替代进出口结汇的项目,还应编制经济外汇流量表(图1_8)

上述报表中所列流入和流出项均按影子价格、影子工作计算,并剔除属于过敏经济内部转移支付的部分。
(三)国民经济评价的主要指标
过敏经济评价以经济内部收益率作为主要评价指标。根据需要,可计算经济净现值和经济净现值率等指标。在项目初选时,也可采用投资净效益率等静态指标。
1、经济内部收益率(EIRR)
经济内部收益率是反映项目对国民经济贡献的相对指标。它是使项目计算期内的经济净现值累计等于零时的折现率,其表达式为:

经济内部收益率大于或等于社会折现率的项目,国民经济评价应认为是可以接受的。
2、经济净现值(ENPV)和经济净现值率(ENPVR)
经济净现值是反映项目对国民经济所作贡献的绝对指标。它是用社会折现率将项目计算期内各年的净效益折算到建设起点(建设初期)的现值之和。当经济净现值大于零时,表示国家为拟建项目付出代价后,除可得到符合社会折现率的补偿外,还可以得到以现值计算的超额社会盈余。经济净现值率是反映项目单位投资为国民经济所做净贡献的相对指标,它是经济净现值与投资现值之比。以上两指标表达式分别为:

经济净现值大于或等于零的项目,国民经济评价应认为是可以接受的。在选择方案时,应选择经济净现值大的方案;当各方按投资额不同时,需用经济净现值率来衡量。
经济内部收益率、经济净现值和经济净现值率都是在折现计算的基础上进行的。一般的说,内部收益率比较指标,能直接表示项目投资对国民经济的净贡献能力,但当预计项目在生产期和大量追加投资时,可能有多个收益率,从而难以得到正确的解答。对这种非常规项目,通常可对现金流量做出适当调整,使之成为常规项目,则可得到一个内部收益率。净现值指标只能表明项目投资对国民经济的净贡献能力超过、等于或打不到社会折现率要求的水平,而该项目的贡献能量究竟比社会折现率的要求要多少抵多少,则表示不出来,过分强调这一指标易导致片面追求净现值最大化,忽视有限资金的合理利用。净现值率是在净现值的基础上发展起来的,可作为净现值的一个补充指标,他反应净现值与投资现值的关系。净现值率的最大化,将有利于实现有限投资的净贡献最大化。
评价独立方案和项目时,这三个指标得出的结论是一致的,进行互斥方案的选择时,三个指标有可能导致相反的结论,此时应采用差额投资的内部收益率法比较。当差额投资内部收益率大于社会折现率时,投资大的方案就是较好的方案;反之,投资小的方案较好。这与净现值得出的结论也是一致的。
进行多个方案和项目排队时,在资金不受限制的情况下,可用净现值法,在资金受限制的情况下,需要净现值率法。最理想的方法,还是净现值法和净现值率法并用,才能正确的确定优先顺序。
综上所述,三个主要评价指标的左右及应用范围归纳如表19

3、投资净效益率
投资净效益率是指项目达到设计生产能力后的一个正常生产年份内,其年净效益与项目全部投资的比率。它是反映项目投产后单位投资对国民经济所作的年净贡献的静态指标。对在生产期内各年的净效益变化幅度较大的项目,应计算生产期年平均净效益与全部投资的比率。计算公式为:

年净效益=年产品收入+年外部效益-年经营成本-年折旧费-年技术转让费-年外部费用
涉及产品出口创汇及替代进口结汇的项目,应进行外汇效果分析,计算经济外汇净现值、经济换汇成本、经济结汇成本等指标。
六、不确定分析
不确定分析包括盈亏平衡分析、敏感性分析和概率分析。盈亏平衡分析只用于财务评价,敏感性分析和概率分析可同时用于财务评价和国民经济评价。
1、盈亏平衡分析是通过盈亏平衡点(BEP)预测项目对市场需求变化的适应能力。盈亏平衡点通常依据正常的生产年份的产品产量或销售量、变动成本、固定成本、产品价格和销售税金等数据来进行计算。盈亏平衡点可以用产量或生产能力利用率等表示:

盈亏平衡点越低,表明项目适应市场变化的能力越大,抗风险能力越强。
2、敏感性分析是预测主要经济因素变化时,对内部收益率指标的影响程度,必要时也可分析对投资回收期和借款偿还器的影响。可能发生变化的主要因素一般是产品的产量,成本、价格、主要原材料或者动力价格,固定资产投资及建设工期等。项目指标对某种因素的敏感程度可表示为该因素按一定比例变化时引起评价指标的变动幅度(列表表示),也可以表示为评价指标达到临界点(如财务内部收益率等于财务基准收益率或经济内部收益率等于社会折现率)时允许某种因素变化的幅度,即极限变化。超过了此极限即预示该项目不可行。为求出内部收益率达到临界点时,某种因素允许变化的最大幅度,可绘制敏感性分析图,具体做法如下:
以全部投资内部收益率为纵坐标,以几种不确定因素的变化率(百分数)为横坐标,根据敏感性分析表所示(图1-1)标出财务基准收益率线或社会折现率线。

图中某种因素对全部投资内部收益率的影响曲线和基准收益率线或社会折现率线的焦点(临界点),为允许该种因素变化的最大幅度,即极限变化。变化幅度超过这个极限,项目就不可行。如果发生这种极限变化的可能性大,表明项目承担的风险很大,这个极限对于项目决策十分重要。
3、概率分析。是使用概率预测不确定因素和风险因素对项目经济评价指标影响的一种定量分析方法。一般是计算项目净现值的期望值级净现值大于或等于零的累计概率,也可以通过模拟法测算项目评价指标的概率分布,为项目决策提供重要依据。