(1)上部通长筋
通长筋的计算公式为:
通长筋长度=净跨长+左锚固长度+右锚固长度
左、右支座锚固长度的取值判断:
当hc-保护层(直锚长度)>laE时,取max(laE,0.5hc+5d)。
当hc-保护层(直锚长度)laE时,必须弯锚,这时有以下几种算法:
算法1:hc-保护层+15d;
算法2:取0.4laE+15d;
算法3:取max(laE,hc-保护层+15d);
算法4:取max(laE,0.4laE+15d)。
当纵向钢筋弯锚时锚固长度最终取值:根据《混凝土结构设计规范》第10.4.1条中不难得出,当梁上部纵向钢筋弯锚时,梁上部纵向筋在框架梁中间层端节点内的锚固长度为hc-保护层+15d较为合理。
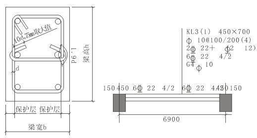
【例】 如图所示,根据KL1的配筋要求,计算其上部通长筋。大家可以好好想想这个题。

单跨结构平面图

KL1支座锚固、弯锚

KL1配筋
(2)下部通长筋
下部通长筋端支座锚固长度取值同框架梁上部钢筋取值,如果存在搭接情况,还需要把搭接长度加进去。
下部通长筋按下式计算。
通长筋长度=净跨长+左锚固长度+右锚固长度
(3)箍筋
箍筋长度=(梁宽b-保护层2+d2+d2)2+(梁高h-保护层2+d2)2+1.9d2+max(10d,75mm)2=(梁宽b-保护层2)2+(梁高h-保护层2)2+1.9d2+max(10d,75mm)2+8d
箍筋根数=[(左加密区长度-50)/加密区间距+1]+(非加密区长度/非加密区间距-1)+[(右加密区长度-50)/加密区间距+1]
(4)支座负筋

支座负筋有可能出现多排布置情况,当梁的支座负筋有三排时,第三排钢筋的长度计算同第二排。
端支座负筋的长度(第一排)=净跨长/3+支座锚固长度
端支座负筋的长度(第二排)=净跨长/4+支座锚固长度
(5)架立筋

架立筋长度=净跨长度-两边负筋净长+1502
(6)侧面纵向构造钢筋

当梁腹板高度(梁高-板厚)hw450mm时,须配置纵向构造钢筋。其搭接长度和锚固长度可取15d。一级钢筋要加弯钩6.25d。
侧面纵向构造钢筋长度=净跨长+15d+15d+26.25d
(7)拉筋

有梁侧面构造筋,就必须配置拉筋。当梁宽350mm时,拉筋直径为6mm。当梁宽>350mm时,拉筋直径为8mm。拉筋间距为非加密区箍筋间距的两倍,当设有多排拉筋时,上下两排竖向错开设置。
拉筋长度=梁宽-2保护层厚度+2d+21.9d+2max(10d,75mm)
(8)吊筋

吊筋底部宽出梁两端各50mm。当梁高800mm时夹角为45,当梁高>800mm时夹角为60。
吊筋上端水平锚固为20d。
吊筋长度=次梁宽+250+2(梁高-2保护层厚度)/sin45(sin60)+220d
(9)次梁加筋

《混凝土结构设计规范》第10.2.11条对此有规定:位于梁下部或梁截面高度范围内的集中荷载,应全部由附加横向钢筋承担;附加横向钢筋宜采用箍筋。设计时,一般优先采用左右加三道加密箍筋,并在设计强度不够用的情况下才在附加箍筋的基础上增加吊筋。