一、图纸介绍
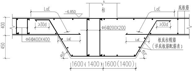
图1是柱墩的平面图

图1(柱墩平面图)
图1中X方向的11号筋与Y方向的5号筋的信息在图2里可以看出。

图2
图3是柱墩的剖面配筋图。

图3
()内数字表示y方向尺寸。
二、图纸分析
从以上图我们可以总结出如下信息:
1、用粗线条表示的底筋为x方向的11号筋,用点表示的底筋为y方向5号筋。两个方向的底筋都是不同直接的钢筋组合,隔一布一布置,相互之间间距为@100。
2、底筋入板内的长度为:
max[(板厚-保护层)*1.414+30d,LaE]=max[(400-40)*1.414+30d,LaE]=509+30d
3、柱子蹲里含有拉筋。
三、软件操作
1、柱墩定义
软件定义只能解决x方向和y方向一个底筋直径的问题,x方向我们先解决C22的钢筋,y方向我们先解决C16的钢筋,间距改成@200。定义好的柱墩属性如图4、图5所示。

图4

图5
图5中,软件默认底筋伸入基础板内的长度是LaE, 我们需要先改成0,入基础板内的长度我们在单构件里另外处理。
2、画柱墩
画好的柱墩如图6所示。

图6
3、单构件输入软件算伸入基础板内长度
从图5可以看出,我们把底筋伸入基础板内的长度设置为0,我们需要在单构件里把这些钢筋的长度补上,先见构件,建立好的构件如图7中的红框内名称。

图7
图8中的5号筋和11号筋是本例计算出的钢筋,509+30d是图纸分析计算出的数据,根数是本工程总体根数。

图8
4、单构件输入另一直径钢筋
(1)建构件
我们在单构件里分别建立柱墩-11x和柱墩-5y,填写相应的构件数量,如图9所示。

图9
(2)单构件输入钢筋计算公式
前面画图部分计算了x方向C22的钢筋,y方向C16的钢筋,单构件x方向需要计算C25的钢筋,y方向需要计算C18的钢筋。
长度我们可以利用软件已经计算出来的长度,选中画好的柱墩,从编辑钢筋里可以看出长度,如图10所示。

图10
因为我们刚才把软件里入构件内的长度设置成0了,我们在单构件里要把这个长度加上,由于斜坡长度不同,我们要从软件计算结果中复制全部长度,然后再加上两头入基础板内的长度,如图11所示。

图11
注:根数与软件计算出来的根数一样。