模板工程量的计算公式和技巧

一、说明

1、现浇混凝土模板,定额按不同构件,分别以:

组合钢模板、钢支撑、木支撑;(编制标底时可用此项)

复合木模板、钢支撑、木支撑;(钢框+12mm厚竹胶板)

胶合板模板、钢支撑、木支撑;(塑料套管穿对拉螺栓)

木模板、木支撑 编制。

2、现场预制混凝土模板,定额按不同构件分别以组合钢模板、复合木模板、木模板,并配制相应的混凝土地膜、砖地膜、砖胎膜编制。

3、现浇混凝土梁、板、柱、墙是按支模高度(地面支撑点至模底或支模顶)3.6m编制的,支模高度超过3.6m时,另行计算模板支撑超高部分的工程量。

若立模高度超过3.6m时,应从3.6m以上,按每超过3m增加一次计算套用定额项目。

超高支撑增加次数=(立模高度-3.6m)/3计算,不足3米者也按1次计算。

超高每增3m的工程量,梁、板是按超高构件全部混凝土的接触面积计算的;柱和墙是按超高部分的混凝土接触面积计算的。

二、工程量计算规则

1、现浇混凝土及预制钢筋混凝土模板工程量,除另有规定者外,应区别模板的材质,按混凝土与模板接触面的面积,以平方米计算。

2、定额附录中的混凝土模板含量参考表,系根据代表性工程测算而得,只能作为投标报价和编制标底时的参考。

3、现浇混凝土基础的模板工程量,按以下规定计算:

(1)现浇混凝土带形基础的模板,按其展开高度乘以基础长度,以平方米计算;基础与基础相交时重叠的模板面积不扣除;直形基础端头的模板,也不增加。

(2)杯形基础和高杯基础杯口内的模板,并入相应基础模板工程量内。杯形基础杯口高度大于杯口长边长度的,套用高杯基础定额项目。

4、现浇混凝土柱模板,按柱四周展开宽度乘以柱高,以平方米计算。

(1)柱、梁相交时,不扣除梁头所占柱模板面积。

(2)柱、板相交时,不扣除板厚所占柱模板面积。

现浇混凝土柱模板工程量=柱截面周长柱高

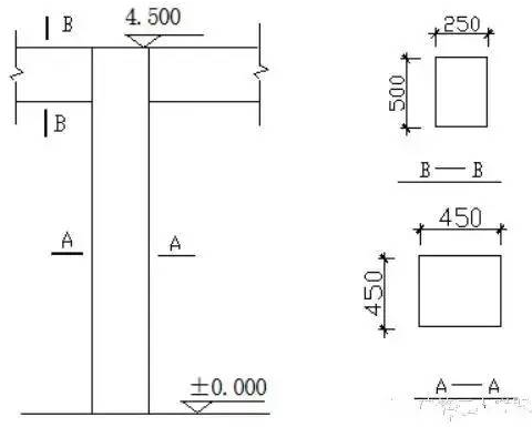
[例10-15]如图所示,现浇混凝土框架柱20根,组合钢模板,钢支撑,计算钢模板工程量,确定定额项目。

解:①现浇混凝土框架柱钢模板工程量=0.4544.5020=162.00m2

现浇混凝土框架矩形柱组合钢模板,钢支撑套10-4-84定额基价=251.33元/10m2

②超高次数:4.5-3.6=0.90m1次

混凝土框架柱钢支撑一次超高工程量=0.454 20 (4.50-3.60)=32.40m2

超高工程量=32.401=32.40m2

柱支撑高度超过3.6m钢支撑每超高3m

套10-4-102定额基价=34.90元/10m

5、构造柱模板,按混凝土外露宽度,乘以柱高以平方米计算。

(1)构造柱与砌体交错咬茬连接时,按混凝土外露面的最大宽度计算。构造柱与墙的接触面不计算模板面积。

构造柱与砖墙咬口模板工程量=混凝土外露面的最大宽度柱高

(2)构造柱模板子目,已综合考虑了各种形式的构造柱和实际支模大于混凝土外露面积等因素,适用于先砌砌体,后支模、浇筑混凝土的夹墙柱情况。

6、现浇混凝土梁(包括基础梁)模板,按梁三面展开宽度乘以梁长,以平方米计算。

现浇混凝土梁模板工程量=(梁底宽+梁侧高 2)梁长

(1)单梁,支座处的模扳不扣除,端头处的模板不增加。

(2)梁与梁相交时,不扣除次梁梁头所占主梁模板面积。

(3)梁与板连接时,梁侧壁模板算至板下坪。

[例10-16]某现浇花篮梁,梁端有现浇梁垫,尺寸如图107所示。木模板,木支撑,计算梁模板、支撑工程量,确定定额项目。

①梁模板工程量

梁断面支模长度=[0.25+(0.21+(0.122+0.072)1/2+0.08+0.12+0.14)2]=1.627m

1.627*(5.24-0.24)+(0.25+0.5*2)*0.24*2+0.600.204=9.335m2

异形梁木模板,木支撑 套10-4-123

定额基价=379.76元/10m2

②梁支撑超高工程量=9.335m2

超高次数:(4.80-0.50-3.60)3.001次

木支撑每增加3m 套10-4-131

定额基价=73.86元/10m2

7、现浇混凝土墙模板,按混凝土与模板接触面积,以平方米计算。

(1)墙与柱连接时,柱侧壁按展开宽度,并入墙模板面积内计算。

(2)墙与梁相交时,不扣除梁头所占墙的模板面积。

(3)现浇混凝土墙模板中的对拉螺栓,定额按周转使用编制。若工程需要,对拉螺栓(或对拉钢片)与混凝土一起整浇时,按定额附注执行;对拉螺栓的端头处理,另行单独计算。

8、现浇混凝土板的模板,按混凝土与模板接触面积,以平方米计算。

(1)伸入梁、墙内的板头,不计算模板面积。

(2)周边带翻檐的板(如卫生间混凝土防水带等),底板的板厚部分不计算模板面积;翻檐两侧的模板,按翻檐净高度,并入板的模板工程量内计算。

(3)板与柱相交时,不扣除柱所占板的模板面积。但柱与墙相连时,柱与墙等厚部分(柱的墙内部分)的模板面积,应予扣除。

[例10-18]某现浇钢筋混凝土有梁板,如图所示,胶合板模板,钢支撑,计算有梁板模板工程量,确定定额项目。

解:①板模板工程量=(2.603-0.24)(2.43-0.24)+(2.43 + 0.24)(0.50-0.12)4+(2.603+0.24)(0.40-0.12)4=72.93m2

有梁板胶合板模板,钢支撑 套10-4-160

定额基价=171.10元/10m2

②有梁板支撑超高工程量=72.93m2

超高次数:(5.20-0.12-3.60)3.001次

钢支撑每增加3m 套10-4-176

定额基价=31.52元/10m2

9、现浇混凝土密肋板模板,按有梁板模板计算;斜板、折板模板,按平板模板计算;预制板板缝大于40mm时的模板,按平板后浇带模板计算。各种现浇混凝土板的倾斜度大于15时,其模板子目的人工乘以系数1.30,其他不变。

10、现浇钢筋混凝土墙、板上单孔面积在0.3m2以内的孔洞,不予扣除,洞侧壁模板亦不增加;单孔面积在0.3m2以外时,应予扣除,洞侧壁模板面积并入墙、板模板工程量内计算。

11、现浇钢筋混凝土框架及框架剪力墙分别按梁、板、柱、墙有关规定计算;附墙柱并入墙内工程量计算。

12、轻体框架柱(壁式柱)子目已综合轻体框架中的梁、墙、柱内容,但不包括电梯井壁、单梁、挑梁。轻体框架工程量按框架外露面积以平方米计算。

轻体框架模板工程量=框架外露面积

13、现浇混凝土悬挑板的翻檐,其模板工程量按翻檐净高计算,执行10-4-211子目;若翻檐高度超过300mm时,执行10-4-206子目。

14、混凝土后浇带二次支模工程量按混凝土与模板接触面积计算,套用后浇带项目。

后浇带二次支模工程量=后浇带混凝土与模板接触面积

15、现浇钢筋混凝土悬挑板(雨篷、阳台)按图示外挑部分尺寸的水平投影面积计算。挑出墙外的牛腿梁及板边模板不另计算。

雨篷、阳台模板工程量=外挑部分水平投影面积

16、现浇钢筋混凝土楼梯,以图示露明面尺寸的水平投影面积计算,不扣除小于500mm楼梯井所占面积。楼梯的踏步、踏步板、平台梁等侧面模板,不另计算。

混凝土楼梯模板工程量=钢筋混凝土楼梯工程量

17、混凝土台阶(不包括梯带),按图示台阶尺寸的水平投影面积计算,台阶端头两侧不另计算模板面积。

混凝土台阶模板工程量=台阶水平投影面积

18、现浇混凝土小型池槽按构件外围体积计算,池槽内、外侧及底部的模板不另计算。

现浇混凝土小型池槽模板工程量=池槽外围体积

19、现浇混凝土柱、梁、墙、板的模板支撑超高:

(1)现浇混凝土柱、梁、墙、板的模板支撑,定额按支模高度3.60m编制。支模高度超过3.60m时,执行相应每增3m子目(不足3m,按3m计算),计算模板支撑超高。

(2)构造柱、圈梁、大钢模板墙,不计算模板支撑超高。

(3)支模高度

柱、墙:地(楼)面支撑点至构件顶坪;

梁:地(楼)面支撑点至梁底;

板:地(楼)面支撑点至板底坪。

(4)梁、板(水平构件)模板支撑超高的工程量计算如下式:

超高次数=(支模高度-3.6)3(遇小数进为1)

超高工程量(m2)=超高构件的全部模板面积超高次数

(5)柱、墙(竖直构件)模板支撑超高的工程量计算如下式:

超高次数分段计算:自3.60m以上,第一个3m为超高1次,第二个3m为超高2次,依次类推;不足3m,按3m计算。

超高工程量(m2)=(相应模板面积超高次数)

(6)墙、板后浇带的模板支撑超高,并入墙、板支撑超高工程量内计算。

2、现场预制混凝土构件模板工程量,按以下规定计算:

(1)现场预制混凝土模板工程量,除注明者外均按混凝土实体体积以立方米计算。

现场预制混凝土模板工程量=混凝土工程量

(2)预制桩按桩体积(不扣除桩尖虚体积部分)计算。

预制桩模板工程量=混凝土工程量

3、构筑物混凝土模板工程量,按以下规定计算:

(1)构筑物工程的水塔、贮水(油)池、贮仓的模板工程量按混凝土与模板的接触面积以平方米计算。

(2)大型池槽等分别按基础、墙、板、梁、柱等有关规定计算并套用相应定额项目。

(3)液压滑升钢模板施工的烟囱、倒锥壳水塔支筒、水箱、筒仓等均按混凝土体积,以立方米计算。

(4)倒锥壳水塔的水箱提升按不同容积以座计算。

模板工程量计算