1、砌筑砂浆
0.000以下墙体砌筑采用M7.5水泥砂浆,0.000以上墙体砌筑采用M5水泥砂浆。
2、砂浆试块的留置
0.000以下M7.5三组标养试块。
0.000以上M5一层一组标养试块,且不少于三组。
3、构造柱
(1)构造柱构造:砌砖墙时,与构造柱连接处砌成马牙槎。每一个马牙槎沿高度方向的尺寸为20㎝(即一皮砌块高度),马牙槎应先退后进,进退尺寸为100mm,见下图。

a、构造柱的设置:按照设计图纸要求,填充墙在内墙转角处,外挑墙端及墙长5m的墙中应设构造柱。
b、构造柱的要求:构造柱厚度同墙厚,宽度200mm,柱内竖筋412,箍筋6@200,接头范围箍筋加密100mm,加密高度600mm。基础墙体构造柱箍筋间距为100mm。
(2)构造柱钢筋绑扎
箍筋与柱竖筋要保证垂直,弯钩叠合处,沿主筋方向错开转圈设置,第一道箍筋距柱根部50mm。柱内竖筋412,箍筋非加密区6@200,接头范围箍筋加密100mm,加密高度600mm。如下图所示:

4、拉结筋
(1)拉结筋设置要求:拉结筋设置在灰缝内,0.000以下拉结筋位置沿墙高每隔500mm设置一道,通长设置。0.000以上拉结筋位置沿墙高每隔400mm设置一道,通长设置。拉结筋与拉结筋搭接长度为55d。
(2)拉结筋、板带筋(6)植入深度为90mm,拉结筋锚入墙内长度为不小于墙长的1/5且不小于700,见下图。

5、混凝土带
按设计图纸要求,当墙高4m的200厚墙及高度3m的100厚墙需在墙半高处设置与柱连接的通长钢筋混凝土带,厚度为60mm,通长纵筋26,分布筋6@250,分布筋应有弯钩。
6、门窗过梁:门窗过梁可预制,可现浇。按设计图纸要求,砌体填充墙过梁可根据洞口宽度按下图施工,当洞口离柱或混凝土墙距离<250mm时,其过梁应现浇,可先由柱、混凝土墙留出过梁纵向钢筋,砌筑时现浇。

7、内墙地骨:按设计图纸要求,首层内隔墙下设地骨,即元宝基础,如下图所示:

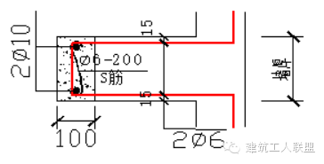
8、门窗洞口:门窗洞口宽1800时,采用与墙厚等宽的混凝土抱框,抱框的纵向钢筋应贯通墙身,并采用植筋的方式锚固于楼层的梁板中,植入深度为15d(d为钢筋直径),抱框尺寸为100墙厚,抱框主筋为210,S筋为6@200,抱框沿高度每400mm设26通长拉结筋,抱框做法见下图。门窗洞口宽<1800时,在门窗洞口两侧墙体每隔一皮砌200mm高的水泥砖。当窗下口无窗台挑板,且无混凝土带时,窗洞口处理方法为:将窗下口砌筑用的空心砌块底盖凿开,灌入砂浆。


门窗洞口尺寸必须与图纸相符,以建筑标高为准,图纸中注明门洞口为M1521,则砌筑完墙体后门洞口尺寸为1500mm2100mm,门洞口高度应减去建筑地面做法之后还剩2100mm,见下图。特别注意管道井处门洞口尺寸,图纸中注明管道井门洞口为FM0621-丙,则砌筑完墙体后门洞口尺寸为600mm2100mm,门洞口高度除应减去建筑地面做法还应减去踢脚高度之后还剩2100mm,见下图:


9、砌筑填充墙
砌筑填充墙时,墙底部应砌200mm高烧结粘土砖,200mm以上使用混凝土空心砌块砌筑,斜砌顶砖采用烧结粘土砖砌筑,如下图示意:

10、导墙
(1)导墙材料:C25素混凝土浇筑。
(2)导墙位置:有防水要求的房间下部墙体。
(3)导墙尺寸:导墙高度200mm,厚度同隔墙板厚。
11、遇下列问题处理办法
(1)框架柱处无门垛

处理办法:调整门洞位置,做100mm宽门垛,纵向设212钢筋,与下部梁采用植筋方式锚固,上部锚固在过梁内,每隔400mm沿垂直方向设置一道水平拉筋,如下图。
