1、自耦减压启动
自耦减压启动是笼型感应电动机(又称异步电动机)的启动方法之一。它具有线路结构紧凑、不受电动机绕组接线方式限制的优点,还可按允许的启动电流和所需要的启动转矩选用不同的变压器电压抽头,故适用于容量较大的电动机。

图1 自耦减压启动
工作原理如图1所示:启动电动机时,将刀柄推向启动位置,此时三相交流电源通过自耦变压器与电动机相连接。待启动完毕后,把刀柄扳至运行位置切除自耦变压器,使电动机直接接到三相电源上,电动机正常运转。此时吸合线圈KV得电吸合,通过连锁机构保持刀柄在运行位置。停转时,按下SB按钮即可。
自耦变压器次级设有多个抽头,可输出不同的电压。一般自耦变压器次级电压是初级的40%、65%、80%等,可根据启动转矩需要选用。
2、手动控制Y-△降压启动
Y-△降压启动的特点是方法简便、经济。其启动电流是直接启动时的1/3,故只适用于电动机在空载或轻载情况下启动。

图2 手动控制Y-△降压启动
图2所示为QX1型手动Y-△启动器接线图。图中L1、L2和L3接三相电源,D1、D2、D3、D4、D5和D6接电动机。当手柄扳到0位时,八副触点都断开,电动机断电不运转;当手柄扳到Y位置时,1、2、5、6、8触点闭合,3、4、7触点断开,电动机定子绕组接成Y形降压启动;当电动机转速上升到一定值时。
将手柄扳到△位置,这时l、2、3、4、7、8触点接通,5、6触点断开,电动机定子绕组接成△形正常运行。
3、定子绕组串联电阻启动控制
电动机启动时,在电动机定子绕组中串联电阻,由于电阻上产生电压降,加在电动机绕组上的电压低于电源电压,待启动后,再将电阻短接,使电动机在额定电压下运行,达到安全启动的目的。

图3 定子绕组串联电阻启动控制线路
4、手动串联电阻启动控制
当三相交流电动机标牌上标有额定电压为220/380V(△/Y)的接线方法时,不能用Y-△方法做降压启动,可用这种串联电阻或电抗器方法启动。

图4 串联电阻线路图
线路如图4所示。当需启动电动机时,按下开关按钮SB1,电动机串联电阻启动。待电动机转速达到额定转速后,再按下SB3,电动机电源改为全压供电,使电动机正常运行。
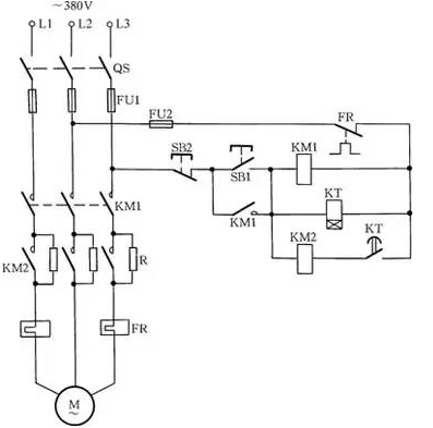
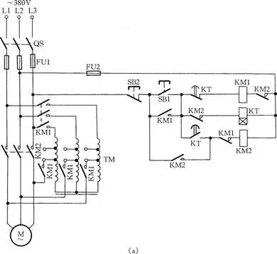
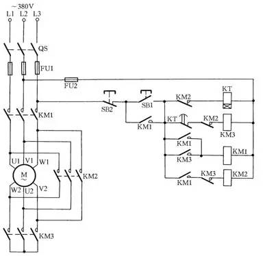
5、定子绕组串电阻(或电抗)降压启动另一法

图5 定子绕组串电阻(或电抗)降压启动另一法
按下启动按钮SB1,KM1、KT获电动作,其常开辅助触点闭合自锁,电动机定子绕组串入电阻降压启动。时间继电器达到整定时间后,KT常开延时闭合触点闭合,KM2获电动作,其主触点闭合将电阻短接,电动机定子绕组加上电源全电压,启动过程结束,如图5所示。
这种线路适用于要求启动平稳的中等容量的笼型异步电动机。它的不足是启动转矩因启动电流减小而降低。另外,启动电阻要消耗一定的功率,所以不宜频繁启动。
6、用晶体管延时电路自动转换Y-△启动控制
用电子元件组成的延时电路具有体积小、价格低等优点。用晶体管延时电路自动转换Y-△启动控制线路如图6所示。当按下启动按钮SB1时,交流接触器KM1和KM2同时得电,电动机接成Y形启动,与此同时,KM1的常开辅助触点把晶体管延时电路接通。继电器KT延时动作,其常闭触点KT打开,切断KM2的线圈回路;与此同时,其常开触点KT闭合,使接触器KM3得电吸合,电动机接成△形正常运行。
调整线路中电容C2容量的大小或电位器RP,可控制三极管达到导通的时间,即延时时间。

图6 用晶体管延时电路自动转换Y-△启动控制
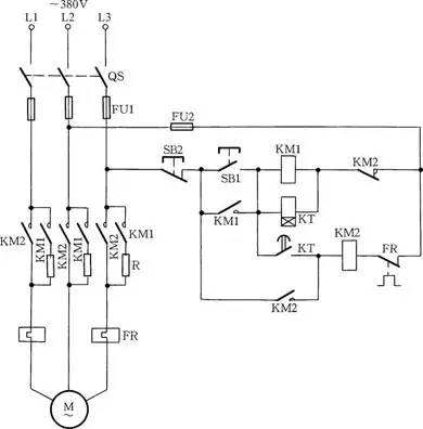
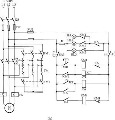
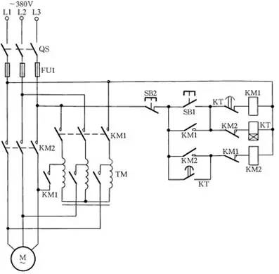
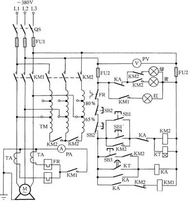
7、采用自耦变压器与时间继电器启动的两种控制
对容量较大的220/380V△/Y形笼型电动机不能用Y-△方法启动,可用自耦变压器及时间继电器完成自动控制启动。见图7(a),只要按下操作按钮SB1,KM1吸合,进行降压启动,经一段时间,电动机达到额定转速后,时间继电器KT动作,KM1失电,KM2得电,电动机在全压下正常运转。按下SB2停止按钮,电动机便失电停转。而另一种采用自耦变压器与时间继电器启动控制的线路如图7(b)所示,它的线路较完善,故在启动大型电动机时采用这种方法非常多见。工作时按下启动按钮SB1,电动机降压启动。待电动机启动完毕,通过时间继电器能自动转换为全压运行。另外图7(b)中还加有指示灯线路,用于指示整个启动过程的情况。

图7 采用自耦变压器与时间继电器启动的两种控制

图7 采用自耦变压器与时间继电器启动的两种控制
8、自耦变压器手动启动控制
自耦变压器手动启动控制线路如图8所示。当启动电动机时,按下SB1按钮,这时KM1接触器得电吸合,电动机通过自耦变压器启动。待电动机启动完毕后,按一下SB3按钮,电动机即可变为正常全压运行。

图8 自耦变压器手动启动控制
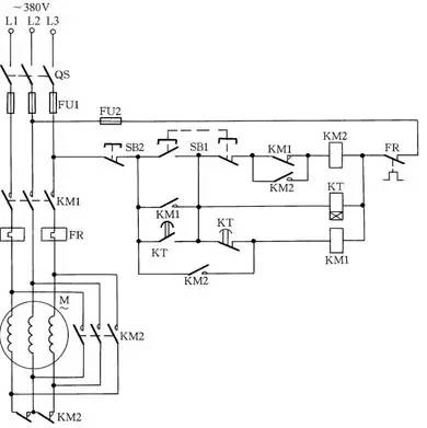
9、用中间、时间继电器延时转换的Y-△降压启动控制
这种控制线路在设计上增加了一级中间继电器和时间继电器,可以防止大容量电动机在Y-△转换过程中,由于转换时间短,电弧不能完全熄灭而造成的相间短路。它适用于55kW以上△形接法的大容量电动机,见图9所示。
工作原理是:当接通电源时,时间继电器KT2获电动作,为启动做好准备。按下启动按钮SB1,KM1、KT1、KM3获电动作。KM1常开辅助触点闭合自锁,电动机绕组接成Y形接法降压启动。KT1达到整定延时时间后,KT1延时断开的常闭触点断开,使KM3失电释放;同时KT1延时闭合的常开触点闭合,使中间继电器KA获电动作。KA常闭触点断开使KT2失电释放,同时KA常开触点闭合。当KT2断电,延时触点达到延时时间(0.5~1s)闭合后,KM2才获电动作。这时电动机由Y形接法转换为△形接法,启动过程结束。

图9 用中间、时间继电器延时转换的Y-△降压启动控制
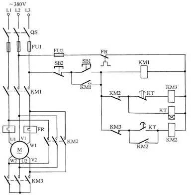
10、用时间继电器自动转换Y-△启动控制
用时间继电器自动转换Y-△启动电动机控制线路如图10所示。当按下按钮SB1时,接触器KM3、KM1吸合,这时电动机为Y形启动。当经过一定延时,电动机启动完毕后(时间继电器一般控制在30s),时间继电器KT常闭触点断开,使KM3失电释放,同时由于KM3的释放又接通了KM2线圈的电源,KM2吸合,电动机改为△形运行。

图10 用时间继电器自动转换Y-△启动控制
11、笼型电动机Y-△换接启动控制
线路如图11所示。在启动电动机时,先合上开关QS,按下按钮SB1,接触器KM1得电吸合,接触器自锁。Y形启动接触器KM3线圈和时间继电器KT线圈保持通电,KM3常开主触点接通,电动机接成Y形启动。同时常闭辅助触点KM3分断,使△形运行接触器KM2线圈断路。待时间继电器延时到一定时间后(时间继电器可由电动机的容量和启动时负载的情况来调整),时间继电器KT的常闭延时分断和常开延时闭合的触点分别动作,使KM3断电,使KM2线圈通电,并使其触点自锁,电动机接成△形运行。同时KM2常闭辅助触点断开,使KT和KM3线圈断电。

图11 笼型电动机Y-△换接启动控制
图11中热继电器FR与电动机一相绕组串联,其整定电流应为电动机相电流的额定值。在△形接法的电动机中,热继电器按上述方法连接,较为可靠。
12、手动Y-△降压启动控制
在条件较差的地区,也可自装手动Y-△降压启动控制线路,见图12。按下启动按钮SB1时,KM1得电,其常开触点闭合,KM3得电,常闭触点断开,常开触点闭合,电动机绕组接成Y形降压启动。当转速达到(或接近)额定转速时,按下SB3按钮,使KM3失电释放,KM2得电吸合,电动机由Y形接法转换成△形接法。这种控制线路适用于55kW以下、13kW以上的△形接法的电动机。

图12 手动Y-△降压启动控制
13、采用补偿器的启动控制
线路如图13所示。按下启动按钮SB1,接触器KM1、时间继电器KT得电,KM1常开触点闭合自锁。接触器KM1主触点闭合,使补偿器接入电动机降压启动回路,电动机开始启动。时间继电器KT按整定时间延时,电动机达到运转速度后,其常闭触点打开,使接触器KM1失电,主触点打开,补偿器脱离,同时常闭触点闭合。另外,时间继电器KT常开触点也接通,这时接触器KM2得电,其常开触点闭合自锁,KM2常闭触点打开,时间继电器KT失电,接触器KM2主触点闭合,电动机投入正常运转。

图13 采用补偿器的启动控制
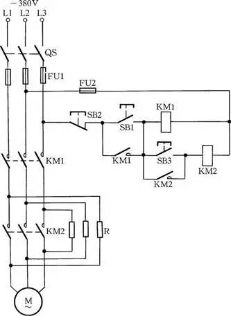
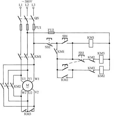
14、用两个接触器实现Y-△降压启动控制

图14 用两个接触器实现Y-△降压启动控制
按下启动按钮SB1,KM1、KT获电动作,KM1常开辅助触点闭合自锁,电动机绕组接成Y形降压启动。经过一段时间,KT延时断开的常闭触点断开,KM1失电释放,其常闭辅助触点闭合。同时KT延时闭合的常开触点闭合,KM2获电动作,其常闭触点打开,将Y形接线断开;其常开触点闭合,使KM1得电动作,闭合其主回路常开触点,电动机由Y形接法转换为△形接法。
这种线路仅适应于功率在13kW以下△形接法的小容量电动机,否则由于KM2接触器常闭辅助触点接在主电路中,容量小,很易烧损。
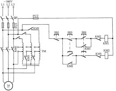
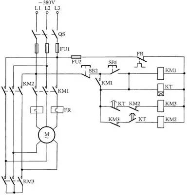
15、用3个接触器实现Y-△降压启动控制
用3个接触器的Y-△降压启动控制线路如图15所示。按下启动按钮SB1,KM1、KT、KM3获电动作,电动机绕组接成Y形降压启动。时间继电器达到整定延时时间后,延时闭合的常开触点闭合,延时断开的常闭触点断开,KM3失电释放,这时KM3常闭辅助触点闭合,使KM2获电动作,电动机绕组由Y形接法转换成△形接法,启动过程结束。
这种控制线路适用于55kW以下、13kW以上的△形接法的电动机。

图15 用3个接触器实现Y-△降压启动控制
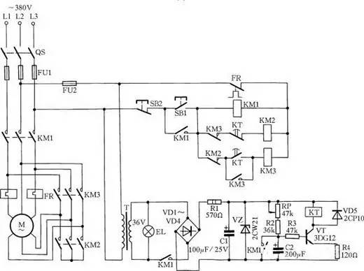
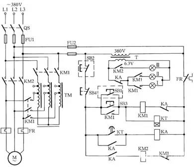
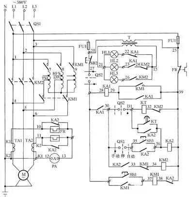
16、常用自动补偿降压启动柜
在需要自动控制启动的场合,常采用XJ01型自动启动补偿器,它主要由自耦变压器、交流接触器、中间继电器、时间继电器和控制按钮等组成。
XJ01型自动启动补偿器工作原理如图16(a)所示:接通电源,灯Ⅰ亮,按下启动按钮SB1,KM1线圈得电,KM1主触点闭合,电动机降压启动。KM1闭合自锁,灯Ⅱ亮。KM1常闭触点断开,灯Ⅰ灭,KT得电,其常开触点延时闭合,KA线圈获电,常闭触点KA断开,KM1断电,KM1常开触点断开。同时常开触点KA闭合,KM2线圈得电,KM2主触点闭合,电动机全压运行,KM2常开触点闭合,灯Ⅲ亮。
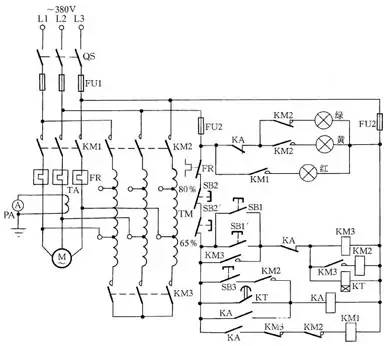
功率较大的电动机也可采用配套的配电柜来满足启动的要求,图16(b)所示是75kW电动机启动配电柜的线路。这种启动器具有自动操作功能和手动操作功能两种。自动操作时,合上电源开关,绿色指示灯亮,按下按钮开关SB1时,KM3和时间继电器KT得电吸合,同时KM3常开触点闭合,KM2也吸合,松开SB1按钮,KM3自锁触点继续接通KM3、KM2、KT线圈回路,保持继续吸合。这时,电源电压便通过自耦变压器降压后接入电动机,使电动机降压启动,经过一定时间,KT时间继电器动作,使KT延时常开触点闭合,中间继电器KA得电吸合并自锁。KA的吸合,断开了KM3、KM2、KT的通电线圈使它们释放复位,同时在KM3、KM2释放后,其控制常闭触点闭合,接通KM1接触器,KM1接触器便投入电动机运行状态,电动机在全压下运行。同时黄灯(启动指示灯)熄灭,红灯(运行指示灯)亮。当需停止电动机运行时,可按下停止按钮SB2,电动机即停止工作。电路中SB3按钮为手动直接投入运行按钮,它的作用是当时间继电器失灵不能自动投入运行时,可先按下自动按钮SB1等电动机达到额定转速接近同步转速时,即电流表的指针逐渐下降到接近电动机额定电流时,再按下SB3按钮,便使电动机投入运行。这种配电柜可控制14~75kW的三相异步电动机。电路中的熔断器、热继电器及变压器与电动机容量也要配套使用。
对于90~115kW的电动机,可使用XJ011系列自动控制自耦式减压启动柜,线路如图16(c)所示,工作原理同上。使用时要注意以下几点。
1)XJ011系列自耦减压启动柜在使用前需用500V的兆欧表测量导线对地电阻不小于1M,并将各个接点加以紧固。
2)安装时,电源线、负荷电动机线应从箱底部穿入,L1、L2、L3标定线接电源或断路器上桩头,MA、MB、MC接三相电动机。
3)自耦变压器备有额定电压65%及80%的二挡抽头,在应用中可根据负荷的大小来决定使用抽头的位置。
4)时间继电器可在0~60s范围内调节,可根据需要调节启动电动机时间。热继电器的额定电流应根据电动机的额定电流值整定。
5)启动柜一般启动时间为10~20s。如果电动机容量较大,负载较重,最长启动时间可调整到25s。
6)启动柜如需要远距离操作,可按线路图中SB1、SB2,引出连接。
7)在使用配电柜过程中,如热继电器发生误动作,可将热继电器的动作电流适当调大一点;如发生过载动作,则需按下热继电器复位按钮,方能继续使用。
8)配电柜在使用期间,要经常清除尘埃,并定期检查各电器接触部位是否接触良好,有问题要及时检修。
9)接触器在工作时,如有噪声或延时释放现象,将衔铁极面积尘或油垢擦净后,即能恢复正常。
10)检修配电柜时,要检查接触器触点有无烧毛现象。如触点烧毛,应用细纹锉将触点修光。
大型配电柜启动装置也可由电工自己进行制作。一般可用角钢和铁皮先焊制一个一定尺寸的柜子,然后根据电动机的功率大小选用额定容量足够的接触器、断路器、自耦变压器、互感器以及热继电器等,安装时电源由上向下延伸,即上桩头接电源,下桩头接负载。电源相间留有足够大的空间,自耦变压器金属外壳、配电柜底壳以及电动机金属外壳要分别用接地线连接在一起并接地,以确保电气运行安全。按照图16(d)所示线路进行组装。它的工作原理是:在启动时,由5排主触点的接触器先动作,接通自耦变压器,然后电源通过自耦变压器降压后,供给电动机M启动,待转速接近到达电动机本身的额定转速时,时间继电器动作,使启动接触器释放,在释放后通过中间继电器把运行接触器KM2线圈回路接通,从而使380V电压直接通过运行接触器的吸合接入到电动机M上,启动结束。

图16(a) XJ01型自动启动补偿器

图16(b) 75kW电动机启动配电柜

图16(c) 90~115kW电动机XJ011系列自动控制自耦式减压启动柜

图16(d) 自制组装大型自动补偿降压启动配电柜
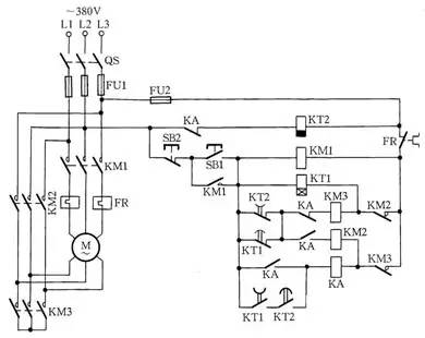
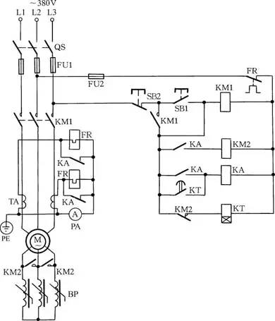
17、频敏变阻器启动控制
图17所示是绕线式异步电动机应用频敏变阻器的启动控制线路。它是利用频敏变阻器的阻抗随着转子电流频率的变化而显著变化的特点来工作的。
启动时按下启动按钮SB1,KM1获电动作,其常开辅助触点闭合自锁,电动机转子电路串入频敏变阻器启动。当时间继电器KT达到整定时间后,其延时闭合的常开触点闭合,中间继电器KA获电动作,其常开触点闭合,KM2获电动作,KM2常闭触点断开,使时间继电器KT断电,同时KM2常开触点闭合,将频敏变阻器短接,启动过程结束。
元件短接KA的作用是,以免因启动时间过长造成热继电器误动作:在启动时,由其常闭触点将热继电器的发热。启动结束后,KA动作把热继电器投入运行。

图17 频敏变阻器启动控制
18、延边三角形降压启动
延边三角形降压启动线路见图18。按下启动按钮SB1,KM1获电动作,其常开辅助触点闭合自锁,KM3、KT获电动作,电动机绕组接成延边三角形降压启动。KT达到整定时间后,延时断开的常闭触点断开,使KM3失电释放,KM3常闭辅助触点闭合。同时,KT延时闭合的常开触点闭合,KM2获电动作,其常开辅助触点闭合自锁,电动机绕组由延边三角形转换为三角形接法,启动过程结束。这种接法适用于要求启动转矩较大的场合。

图18 延边三角形降压启动