一、建筑物定位
房屋建筑工程开工后的第一次放线,建筑物定位参加的人员是:城市规划部门(下属的测量队)及施工单位的测量人员,根据建筑规划定位图(总平面图)进行定位,最后在施工现场形成(至少)4个定位桩。放线工具为全站仪或比较高级的经纬仪。
二、基础施工放线
建筑物定位桩设定后,由施工单位的专业测量人员、施工现场负责人及监理共同对基础工程进行放线及测量复核(监理人员主要是旁站监督、验证),最后放出所有建筑物轴线的定位桩(根据建筑物大小也可轴线间隔放线),所有轴线定位桩是根据规划部门的定位桩(至少4个)及建筑物底层施工平面图进行放线的。放线工具为经纬仪。
基础定位放线完成后,由施工现场的测量员及施工员依据定位的轴线放出基础的边线,进行基础开挖。基础轴线定位桩在基础放线的同时须引到拟建建筑物周围的永久建筑物或固定物上,防止轴线定位桩破坏了,用来补救。
三、主体施工放线
基础工程施工出正负零后,紧接着就是主体一层、二层...直至主体封顶的施工及放线工作。根据轴线定位桩及外引的轴线基准线进行施工放线。用经纬仪将轴线打到建筑物上,在建筑物的施工层面上弹出轴线,再根据轴线放出柱子、墙体等边线等,每层如此,直至主体封顶。
施工测量前置工作:
(1)进场后首先对甲方提供施工定位图进行图上复核,并与业主办理控制点的交接手续,以确保设计图纸的正确。其次,与甲方一道对现场的坐标点和水准点进行交接验收,发现误差过大时应与甲方或设计院共同商议处理方法,经确认后方可正式定位。
(2)现场建立控制坐标网和水准参照点。水准参照点需由永久水准点引入,永久水准点设置在距建筑物附处稳定、可靠的土层内,水准点应采取保护措施,确保水准点不被破坏。
(3)工程定位后要经建设单位和规划部门验收合格后方可开始施工。

控制点或水准参照点做法示意图
第一篇 平面控制网的建立
1.1场区控制网
基础施工阶段地形变化大、地势错阶起伏,单位工程数量多,为实施有效测量控制,开工初在场区内设置由二~四个桩位形成的导线控制网(场区四周边及中间高处各布一点,保证通视即可),场区控制网是单位工程轴网设置的依据,它是建筑物平面控制的上一级控制。
1.2单位工程轴线控制网(建筑方格网)
单位工程轴线多且密集,根据建筑物特点选择有代表性的轴线设置轴线控制网。
控制桩尽量设在开挖区外原始地坪上;另外在基坑底部及长轴线中部加密设置辅助性控制桩,以便于基础施工测量。建筑方格网是建筑物定位和施工放线的基本依据。
(1) 方格网的主轴线应尽可能选择在场区的中心线上(宜设在主要建筑物的中心轴线上)。其纵横轴线的端点应尽量延伸至场地边缘,既便于方格网的扩展又能确保精度均匀。
(2) 方格网的顶点应布置在通视良好又能长期保存的地点。
(3) 方格网的边长不宜太长,一般小于100 m,为便于计算和记忆,宜取10 m的倍数。
(4) 轴线控制桩应尽量投测在方格网边上。

图1 甲方给定的点

图2 把甲方给的点引测到围墙内部,便于使用

图3 根据引测的控制点,建立平面控制网

图4 撒出基槽开挖边线
红色点作为一级控制点,永久使用。黑三角为临时用点,用于基础工程轴线的投测以及作为外控法轴线传递的控制桩。
布置的主控制线撒出开挖线,这个工作要注意放坡尺寸和预留建筑物外墙的操作架距离。基槽开挖,在开挖线的位置是否留有工作面,还要考虑放坡。
1.3 基础施工测量(0.000以下)
垫层混凝土浇筑并凝固达到一定强度后,现场测量人员根据基坑边上的轴线控制桩,将经纬仪架设在控制桩位上,经对中、整平后,后视同一方向桩(轴线标志),将控制轴线投测到作业面上。然后以控制轴线为基准,以设计图纸为依据,放样出其他轴线和柱边线、洞口边线等细部线。

图5 由基坑边缘控制桩向垫层引测轴线
1.4 主体施工测量(0.000以上)
1.4.1外控法
1、基础工程完工后,将经纬仪安置在轴线控制桩A1、A1、B1和B1上,把建筑物主轴线精确地投测到建筑物的底部,并设立标志,如图6中的a1、a1、b1和b1,以供下一步施工与向上投测之用。

2、向上投测中心线
随着楼层不断升高,要逐层将轴线向上传递,如图6所示,将经纬仪安置在中心轴线控制桩A1、A1、B1和B1上,严格整平仪器,用望远镜瞄准建筑物底部已标出的轴线a1、a1、b1和b1点,用盘左和盘右分别向上投测到每层楼板上,如图6中的a2、a2等
3、校核无误后采用外控点定出所有轴线、构件外框位置。
1.4.2内控法
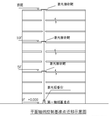
内控法是在建筑物内0.000平面设置轴线控制点,并预埋标志,以后在各层楼板相应位置上预留100mm100 mm的传递孔,在轴线控制点上直接采用吊线坠法或激光铅垂仪法,通过预留孔将其点位垂直投测到任一楼层。
在基础施工完毕后,在0.000首层平面上,适当位置设置与轴线平行的辅助轴线。辅助轴线距轴线500~800mm为宜,并在辅助轴线交点或端点处埋设标志。如图7示。

图7 内控法轴线控制点的设置
1、激光铅垂仪投测
1)投测基准点之前安排施工人员把测量孔部位的混凝土清理干净,然后在一层的基准点上架设垂准仪。通过控制点,采用铅垂仪传递基准点。架设垂准仪时,必须反复地进行整平及对中调节,以便提高投测精度。确认无误后,分别在各楼层的楼面上测量孔位置处把激光接收靶放在楼面上定点,再用墨斗线准确地弹一个十字架。十字架的交点为基准点。如下图:


图9 内控点竖向投测示意图
2) 内控点(轴线控制点)竖向投测操作方法:
(1)将激光经纬仪架设在首层楼面基准点,调平后,接通电源射出激光束。
①通过调焦,使激光束打在作业层激光靶上的激光点最小,最清晰。激光接收靶由3003005mm厚有机玻璃制作而成,接收靶上由不同半径的同心圆及正交坐标线组成。

接收靶示意图
②通过顺时针转动望远镜360度,检查激光束的误差轨迹。如轨迹在允许限差内,则轨迹圆心为所投轴线点。
③通过移动激光靶,使激光靶的圆心与轨迹圆心同心,后固定激光靶。在进行控制点传递时,用对讲机通信联络。
④所有轴线控制点投测到楼层完成后,用全站仪及钢尺对控制轴线进行角度、距离校核,结果达到规范或设计要求后,进行下道工序。
2、主控线弹设
1)基准点投射完后,在各楼层的相邻两个测量孔位置做一个与测量通视孔相同大小的聚苯板塞入孔中,聚苯板保持与楼层面平。
2)依据先前做好的十字线交出墨线交点,再把全站仪架在墨线交点上对每个基准点进行复查,对出现的误差进行合理适当的分配。
3)基准点复核无误后,用全站仪或经纬仪操作进行连线工作。先将仪器架在测量孔上并进行对中、整平调节,使仪器在水平状态下完全对准基准点。
4)仪器架设好后,把目镜聚焦到与所架仪器基准点相对应的另一基准点上,调整清楚目镜中的十字光圈并对中基准点,锁死仪器方向。再用红蓝铅笔及墨斗配合全站仪或经纬仪把两个基准点用一条直线连接起来。
5)在第一次调整测量之后,必须旋转180度再进行复测,如有误差要取中间值。同样方法对其它几条主控制线进行连接弹设。
2、吊线坠法
吊线坠法是利用钢丝悬挂重锤球的方法,进行轴线竖向投测。这种方法一般用于高度在50~100m的高层建筑施工中,锤球的重量约为10~20kg,钢丝的直径约为0.5~0.8mm。投测方法如下:

图10 吊线坠法投测轴线
如图10所示,在预留孔上面安置十字架,挂上锤球,对准首层预埋标志。当锤球线静止时,固定十字架,并在预留孔四周作出标记,作为以后恢复轴线及放样的依据。此时,十字架中心即为轴线控制点在该楼面上的投测点。
用吊线坠法实测时,要采取一些必要措施,如用铅直的塑料管套着坠线或将锤球沉浸于油中,以减少摆动。
第二篇 高程测量
使用甲方给定的水准点之前应仔细校核,如超出允许偏差应查明原因并及时报有关部门。水准点的增设原则:相隔距离一般为150~200 米。增设水准点应与设计单位交的水准点闭合,闭合差不得超限。

图11 水准点引测
水准点应设于坚实、不下沉、不碰动的地物上或永久性建筑物的牢固处。亦可设置于外加保护的深埋木桩或混凝土桩上,并做出明显标志。水准点应每月复核一次,对怀疑被移动的水准点应在复测校核后方可使用。
2.1基础阶段
高程测量直接用水准仪由地面上高程控制点进行引测。要注意标高的控制,注意不要超挖,基槽较深就要一步一步传递,可以在基坑边上测出标高,这样每次你可从此位置用钢尺检查(这里插一句就是关于传递时都最好以原始点为依据,防止误差积累),开挖还要注意的是就是积水坑和电梯井的控制。

图120.000以下标高传递示意图
2.2 主体阶段
结构施工时,在首层施工完后,将高程控制点引至外壁无遮挡的柱身上,或在楼梯间,随着结构上升,用50m钢卷尺将高程向上传递。当传递高度超过钢尺整尺长时,应另设一道标高起始线。楼层内用水准仪将标高转至各相关构件上。
放线的目的就是为了施工控制,操作而用,主要是施工控制线。标高线一般采用建筑50线,主要控制层高,在支顶板时上层钢筋上要用,拉线检查模板高度和平整度,起拱范围,下层打好的墙面,拆模后要抄测建筑50线,也可以控制顶板模板、板厚等。上部结构施工时每个单体建筑物高程引测基点设置数目不得少于三个,结构每施工五层,高程点由测量工程师进行一次标定。
第三篇 沉降观测
正常施工阶段应保证每加载一次施测一次(每一结构层施工完毕观测一次);主体结构竣工后每月观测一次;暴雨后观测一次;工程竣工交付业主使用前还需与业主共同观测一次后向业主进行沉降点的移交。
3.1观测方法
每次观测按固定后视点、观测路线进行,前后视距尽量相等,视距大约15m,以减少仪器误差影响。

图13 沉降观测示意图
观测时间宜选择天气晴好的早晨或傍晚。
每次观测结束后,对观测成果逐点进行核对,根据本次所测高程与首次所测高程之差计算出沉降量并将每次观测日期、建筑荷载情况标注清楚,画出时间与沉降量、荷载的关系曲线图。
测量工程师必须将每次观测结果及时向项目技术负责人、监理工程师进行汇报;若出现明显沉降量的变化或不均匀沉降时,项目技术负责人还应及时与设计、勘察部门联系,确定进一步观测的方案。

图14 沉降点实例
第四篇 垂直度控制
建筑物垂直度控制主要依靠建筑物角柱或外墙模板,要求合模期间进行复查,主要用吊线坠的方法。拆模后用经纬仪检测,如下图
