一、车库分类
1、按规模分类(汽车库建筑分类)
机动车车库建筑规模应按停车当量数划分为特大型、大型、中型、小型。
车库建筑规模及停车当量数表

2、按防火要求分类(汽车库防火分类)
汽车库、修车库、停车场的分类应根据停车(车位)数量和总面积确定。

二、基地要求
1、机动车库的服务半径不宜大于500m,非机动车库的服务半径不宜大于100m。
2、机动车库基地出入口应设置减速安全设施。
3、车库基地出入口的设计应符合下列规定:
1.基地出入口的数量和位置应符合现行国家标准《民用建筑设计通则》GB 50352的规定及城市交通规划和管理的有关规定;
2.基地出入口不应直接与城市快速路相连接,且不宜直接与城市主干路相连接;
3.基地主要出入口的宽度不应小于4m,并应保证出入口与内部通道衔接的顺畅;
4.当需在基地出入口办理车辆出入手续时,出入口处应设置候车道,且不应占用城市道路;机动车候车道宽度不应小于4m、长度不应小于10m,非机动车应留有等候空间;
5.机动车库基地出入口应具有通视条件,与城市道路连接的出入口地面坡度不宜大于5%;
6.机动车库基地出入口处的机动车道路转弯半径不宜小于6m ,且应满足基地通行车辆最小转弯半径的要求;
7.相邻机动车库基地出入口之间的最小距离不应小于15m,且不应小于两出入口道路转弯半径之和。
三、车库尺寸
1、车型外廊尺寸
机动车库应根据停放车辆的设计车型外廓尺寸进行设计。机动车设计车型的外廓尺寸可按下表取值。

注:专用机动车可以按所停放的机动车外廊尺寸进行设计。
2、机动车换算当量系数
机动车库应以小型车为计算当量进行停车当量的换算。

3、机动车最小转弯半径

4、机动车的环形车道最小外半径(R0)和内半径(r0)的尺寸

式中:
a机动车长度;
b机动车宽度;
d前悬尺寸;
e后悬尺寸;
L轴距;
m后轮距;
n前轮距;
r1机动车最小转弯半径(按本规范表4.1.3取值);
R0环形车道外半径;
r0环形车道内半径;
vR机动车环行外半径;
r机动车环行内半径;
W环形车道最小净宽(按本规范表4.2.10-1取值);
v机动车环行时最外点至环道外边安全距离,宜大于或等于250mm,当两侧为连续障碍物时宜大于或等于500mm;
y机动车环行时最内点至环道内边安全距离,宜大于或等于250mm ,当两侧为连续障碍物时宜大于或等于500mm
5、机动车之间以及机动车与墙、柱、护栏之间的最小净距。

注:1 纵向指机动车长度方向、横向指机动车宽度方向;
2 净距指最近距离,当墙、柱外有突出物时,从其凸出部分外缘算起。

▲墙间车位布置

▲柱间车位布置

▲小型车辆布置示意图
四、出入口及坡道
1出入口类型
按出入方式,机动车库出入口可分为平入式、坡道式、升降梯式三种类型。
1、平入式出入口应符合下列规定:
1.平入式出入口室内外地坪高差不应小于150mm,且不宜大于300mm;
2.出入口室外坡道起坡点与相连的室外车行道路的最小距离不宜小于5.0m;
3.出入口的上部宜设有防雨设施;
4.出入口处宜设置遥控启闭的大门。
2、坡道式出入口应符合下列规定:
1.出入口可采用直线坡道、曲线坡道和直线与曲线组合坡道,其中直线坡道可选用内直坡道式、外直坡道。
2.出入口可采用单车道或双车道,坡道最小净宽应符合下表的规定。

注:此宽度不包括道牙及其他分隔带宽度。当曲线比较缓时,可以按直线宽度进行设计。




△直线坡道平面、剖面示意图

△曲线坡道平面示意图

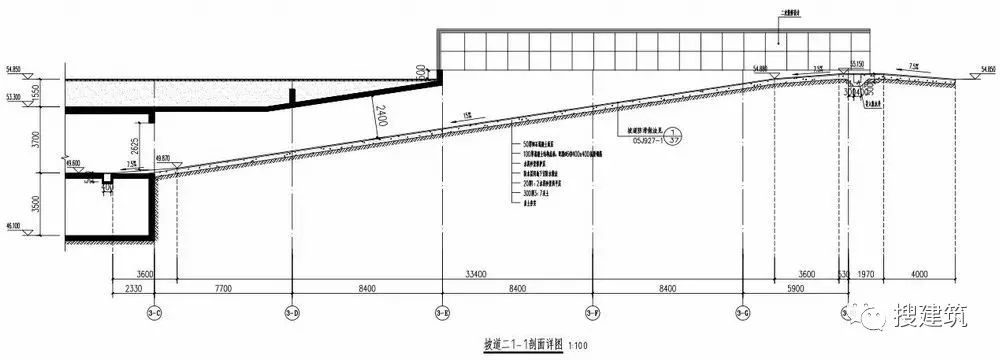
△车库出入口
3.坡道的最大纵向坡度应符合下表的规定。

4.当坡道纵向坡度大于10%时,坡道上、下端均应设缓坡坡段,其直线缓坡段的水平长度不应小于3.6m,缓坡坡度应为坡道坡度的1/2 ;曲线缓坡段的水平长度不应小于2.4m,曲率半径不应小于20m,缓坡段的中心为坡道原起点或止点;大型车的坡道应根据车型确定缓坡的坡度和长度。

注:坡道转向角度为机动车转弯时的连续转向角度。
5.微型车和小型车的坡道转弯处的最小环形车道内半径(r0)不宜小于坡道转弯外最小环形车道内半径表的规定;其他车型的坡道转弯处的最小环形车道内半径应按机动车的环形车道最小内半径计算确定。

6.环形坡道处弯道超高宜为2%~6%。
3、升降梯式出入口应符合下列规定:
1).当小型机动车库设置机动车坡道有困难时,可采用升降梯作为机动车库出入口,升降梯可采用汽车专用升降机等提升设备,且升降梯的数量不应少于两台,停车当量少于25辆的可设一台;
2).机动车出口和入口宜分开设置;
3).升降梯宜采用通过式双向门,当只能为单侧门时,应在进(出)口处设置车辆等候空间;
4).升降梯出入口处应设有防雨设施,且升降梯底坑应设有机械排水系统;
5).机动车库应在每层出入口处的明显部位设置楼层和行驶方向的标志,并宜在驾驶员方便触及的部位,设置升降梯的操纵按钮;
6).当采用升降平台时,应在每层周边设置安全护栏和防坠落等措施;
7).升降梯出入口处应设限高和限载标志。
2出入口最小间距
车辆出入口的最小间距不应小于15m。
3出入口宽度
双向行驶时不应小于7m,单向行驶时不应小于4m 。
4最小净高
车辆出入口及坡道的最小净高应符合下表 的规定。

注:净高指从楼地面面层(完成面)至吊顶、设备管道、梁或其他构件底面之间的有效使用空间的垂直高度。

△车库剖面图
5出入口和车道数量
1、机动车库出入口和车道数量

2、对于停车当量小于25辆的小型车库,出入口可设一个单车道,并应采取进出车辆的避让措施。
3、机动车库的人员出入口与车辆出入口应分开设置,机动车升降梯不得替代乘客电梯作为人员出入口,并应设置标识。
五、车位布置
1、停车区域应由停车位和通车道组成。
2、停车方式
停车方式可采用平行式、斜列式(倾角30、45、60)和垂直式或混合式。
平行式停车位布置:



注:Wu为停车带宽度;We1为停车位毗邻墙体或连续分隔物时,垂直于通(停)车道的停车位尺寸;We2 为停车位毗邻时,垂直于通(停)车道的停车位尺寸;Wd 为通车道宽度;Lt为平行于通车道的停车位尺寸;Qt为机动车倾斜角
3、小型车的最小停车位、通(停)车道宽度
机动车最小停车位、通(停)车道宽度可通过计算或作图法求得,且库内通车道宽度应大于或等于3.0m。小型车的最小停车位、通(停)车道宽度宜符合下表。

▼平行式停车位布置▼

▼垂直式停车位布置▼

4、微型车和小型车的环形通车道最小内半径不得小于3.0m。
5、停车区域净高不应小于出入口及坡道处净高要求。
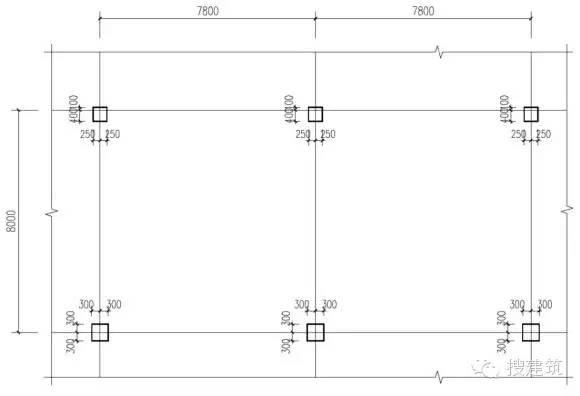
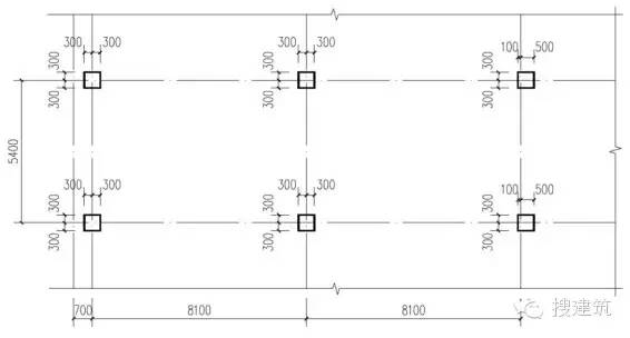
6、常见柱网布置
车库的柱网设置,首先应根据建筑对该项目的产品定位及建筑对车库的不同需求来进行初步布置;结构应在满足建筑要求的情况下对柱网进行调整。
在柱网设置中,8.0x7.8 或以上的柱网称为大柱网;8.0x(5.0+6.2)或以下的柱网称为小柱网。
大柱网及小柱网如下图所示:

△大柱网△

△小柱网△
▼车库柱网布置平面图▼



六、地下车库防火设计
1、防火间距
1、除《汽车库、修车库、停车场设计防火规范》 GB 50067-2014规范另有规定外,汽车库、修车库、停车场之间及汽车库、修车库、停车场与除甲类物品仓库外的其他建筑物的防火间距,不应小于下表的规定。其中,高层汽车库与其他建筑物,汽车库、修车库与高层建筑的防火间距应按下表的规定值增加3m;汽车库、修车库与甲类厂房的防火间距应按下表的规定值增加2m。

注:1 防火间距应按相邻建筑物外墙的最近距离算起,如外墙有凸出的可燃物构件时,则应从其凸出部分外缘算起,停车场从靠近建筑物的最近停车位置边缘算起。
2 厂房、仓库的火灾危险性分类应符合现行国家标准《建筑设计防火规范》GB 50016的有关规定。
2、汽车库、修车库、停车场与甲类物品仓库的防火间距不应小于下表的规定。

注:1 甲类物品的分项应符合现行国家标准《建筑设计防火规范》GB 50016的有关规定。
2 甲、乙类物品运输车的汽车库、修车库、停车场与甲类物品仓库的防火间距应按本表的规定值增加5m。
2、防火分区
1、汽车库防火分区的最大允许建筑面积应符合下表的规定。

注:除本规范另有规定外,防火分区之间应采用符合本规范规定的防火墙、防火卷帘等分隔。
2、敞开式、错层式、斜楼板式汽车库的上下连通层面积应叠加计算,每个防火分区的最大允许建筑面积不应大于上表规定的2.0倍;
3、室内有车道且有人员停留的机械式汽车库,其防火分区最大允许建筑面积应按上表的规定减少35%。
4、设置自动灭火系统的汽车库,其每个防火分区的最大允许建筑面积不应大于上表规定的2.0倍。
3、安全疏散
1、汽车库、修车库的人员安全出口和汽车疏散出口应分开设置。设置在工业与民用建筑内的汽车库,其车辆疏散出口应与其他场所的人员安全出口分开设置。
2、汽车库、修车库的疏散楼梯应符合下列规定:
1.除建筑高度大于32m的高层汽车库、室内地面与室外出入口地坪的高差大于10m的地下汽车库应采用防烟楼梯间,其他汽车库、修车库应采用封闭楼梯间;
2.楼梯间、前室的门应采用乙级防火门,并应向疏散方向开启;
3.疏散楼梯的宽度不应小于1.1m。
3、汽车库室内任一点至最近人员安全出口的疏散距离不应大于45m,当设置自动灭火系统时,其距离不应大于60m。对于单层或设置在建筑首层的汽车库,室内任一点至室外最近出口的疏散距离不应大于60m。
4、与住宅地下室相连通的地下汽车库,人员疏散可借用住宅部分的疏散楼梯;当不能直接进入住宅部分的疏散楼梯间时,应在地下汽车库与住宅部分的疏散楼梯之间设置连通走道,走道应采用防火隔墙分隔,汽车库开向该走道的门均应采用甲级防火门。
4、除本规范另有规定外,汽车库、修车库的汽车疏散出口总数不应少于2个,且应分散布置。
5、当符合下列条件之一时,汽车库、修车库的汽车疏散出口可设置1个:
1 Ⅳ类汽车库;
2 设置双车道汽车疏散出口的Ⅲ类地上汽车库;
3 设置双车道汽车疏散出口、停车数量小于或等于100辆且建筑面积小于4000m 2的地下或半地下汽车库;
4 Ⅱ、Ⅲ、Ⅳ类修车库。
6、停车场的汽车疏散出口不应少于2个;停车数量不大于50辆时,可设置1个。
7、汽车疏散坡道的净宽度,单车道不应小于3.0m,双车道不应小于5.5m。
8、除室内无车道且无人员停留的机械式汽车库外,汽车库内汽车之间和汽车与墙、柱之间的水平距离,不应小于下表的规定。

注:当墙、柱外有暖气片等突出物时,汽车与墙、柱之间的水平距离应从其凸出部分外缘算起。
4、消防车道
1、汽车库、修车库周围应设置消防车道。
2、消防车道的设置应符合下列要求:
1.除Ⅳ类汽车库和修车库以外,消防车道应为环形,当设置环形车道有困难时,可沿建筑物的一个长边和另一边设置;
2.尽头式消防车道应设置回车道或回车场,回车场的面积不应小于12m12m;
3.消防车道的宽度不应小于4m。
3、穿过汽车库、修车库、停车场的消防车道,其净空高度和净宽度均不应小于4m;当消防车道上空遇有障碍物时,路面与障碍物之间的净空高度不应小于4m。
5、电梯井、管道井
1、电梯井、管道井、电缆井和楼梯间应分别独立设置。管道井、电缆井的井壁应采用不燃材料,且耐火极限不低于1.00h;电梯井的井壁应采用不燃材料,且耐火极限不低于2.00h。
2、电缆井、管道井应在每层楼板处采用不燃材料或防火封堵材料进行分隔,且分隔后的耐火极限不应低于楼板的耐火极限,并壁上的检查门应采用丙级防火门。
3、除敞开式汽车库、斜楼板式汽车库以外,其他汽车库内的汽车坡道两侧应用防火墙与停车区隔开,坡道的出入口应采用水幕、防火卷帘或甲级防火门等停车区隔开;但当汽车库和汽车坡道上均设置自动灭火系统时,坡道的出入口可不设置水幕、防火卷帘或甲级防火门。
4、汽车库、修车库的内部装修,应符合现行国家标准《建筑内部装修设计防火规范》GB50222的有关规定。
6、自动喷水灭火系统
除敞开式汽车库、屋面停车场外,下列汽车库、修车库应设置自动喷水灭火系统:
1.Ⅰ、Ⅱ、Ⅲ类地上汽车库;
2.停车数大于10辆的地下、半地下汽车库;
3.机械式汽车库;
4.采用汽车专用升降机作汽车疏散出口的汽车库;
5.Ⅰ类修车库。