一、混凝土溜槽施工技术
01技术原理
大体积底板位于基坑底部,混凝土从基坑边沿向下输送,泵送施工是最常见的混凝土底板浇筑方法。对于超大体积的底板,当需要大方量浇筑时,则需要布置多台混凝土泵。例如:北京央视大楼的大体积底板施工同时使用了20台拖泵和2台汽车泵,上海中心的大体积底板施工同时使用了12台汽车泵、4台拖泵和2台车载泵。点我:领取工程大礼包。缺点:这需要很大的施工场地,用以安放混凝土泵,并停放混凝土罐车。对于通常在城市中心区建设的超高层建筑工程,由于其施工场地狭小的特点,造成了很大的施工困难。另外,泵送混凝土对混凝土性能要求比较高,要求混凝土的和易性要好,特别是压力沁水率要符合要求,否则极易引起堵管现象,对骨料粒径和级配也有很高要求。泵送混凝土的施工速度也有很大限制,单泵通常只能达到30m3/h。溜槽是从基坑边到底部架设的具有一定斜度的槽,混凝土在槽内靠自重流淌,输送到底板浇筑工作面。利用溜槽输送混凝土是一种快速浇筑法,混凝土浇筑速率可大于300~500m3/h。

溜槽施工的优点:
(1)溜槽浇筑混凝土属于非泵送范畴,可以大大调低混凝土坍落度,减少单位用水量,避免混凝土干缩现象。(2)采用溜槽浇筑混凝土,更有利于夏季施工大体积混凝土散热,降低入模温度及水化热。(3)溜槽浇筑混凝土能避免常规施工泵管堵塞现象发生,工效更高,可保证大体量混凝土连续浇筑。
溜槽施工适用范围:
(1)基坑有一定深度,溜槽搭设长度L为基坑深度H的2.5~3.5倍,该范围内的底板混凝土可利用溜槽有效覆盖。(2)底板厚度达到1m以上,面积大,单次混凝土浇筑方量约1万m3。溜槽为混凝土浇筑提供的临时施工措施因此混凝土浇筑完毕后架体需进行拆除,如果浇筑方量较少,采用溜槽相对费用较高。(3)基坑顶部有场地设置卸料口,且混凝土罐车可以停放。
02设计要点
溜槽的平面布置需同时满足混凝土罐车的快速卸料、浇筑面覆盖整个底板(局部边角可以通过地泵收面)、相邻下料点间的混凝土不出现冷缝等条件,具体如下:
(1)主溜槽数量设置:
主溜槽数量的设置与底板面积、混凝土浇筑方量、基坑顶部场地均有关系,大体积混凝土的浇筑时间不宜过长。特别是城市中心区域,混凝土浇筑受早晚高峰期限制,可根据每个溜槽按照平均400m3/h进行浇筑,可以测算出需要的溜槽数量。

(2)溜槽方向及间距:
溜槽设置保证基坑底部卸料点间距大于15m,保证基坑顶部每个卸料点位置有两辆混凝土罐车等候;基坑内下料点间距宜为12~18m,充分考虑混凝土在底板内流动性以及工人振捣操作面的需要。
(3)分支溜槽及串筒设置:
在满足浇筑时间限制的前提下,可以利用分支溜槽及串筒扩大溜槽的覆盖范围。
溜槽的搭设保证混凝土输送与管理人员检查的人行通道需要。溜槽宽度的选取满足混凝土罐车下料宽度及操作要求,溜槽沿线设置人行通道,为保证安全需要,悬挂密目网与大眼网。溜槽宽度宜为650-800mm,槽体侧帮高度200mm,采用白铁皮折制而成,下衬木脚手板。



溜槽一般采用钢管脚手架搭设。脚手架支设在角钢支架上,其立杆、横杆间距根据计算确定。脚手架计算时主要考虑溜槽自重、浇筑混凝土时溜槽内混凝土的重力、人行通道上操作工人的施工荷载,对其整体稳定性及侧向稳定性进行验算;而角钢支撑一般与底板上铁钢筋的临时支撑架共用,因此溜槽下方的角钢支撑设计时既要考虑溜槽脚手架传下来的荷载,又要考虑底板上铁钢筋的自重,对其立杆的强度及稳定性、横杆角焊缝进行验算。


03应用实例
◆中国国际贸易中心三期A阶段
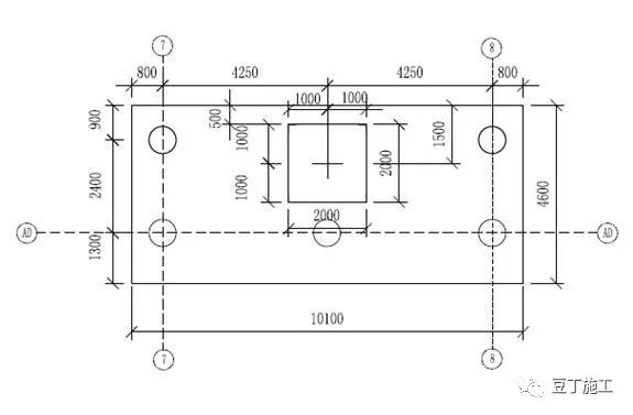
中国国际贸易中心三期A阶段工程主塔楼高330 m,底板标准厚度4.5m,长、宽方向为64m64m,面积约4200m2,混凝土强度等级为C45,坍落度要求为160-180mm,总浇筑方量约2.2万m3,总浇注时间不到两天。基础底板拟采用溜槽施工工艺和斜面分层浇筑法对底板进行一次性连续无缝浇筑。主楼底板平面图如图所示。

为满足大体积混凝土连续浇筑,现场采用3个主溜槽,由基坑南侧向北开始搭设,按照1:3的坡度延伸至基础底板上部。整个溜槽架体约19m高,溜槽宽度3.2m,呈人字形。为了保证混凝土浇筑覆盖整个底板,在两侧巨型溜槽上,设置4个分支溜槽,分支溜槽末端设置小溜槽,并在溜槽相应位置设置串筒。




二、地下室顶板后浇带预封闭技术
01技术原理
实施/优化效果:为了提前进行地下室顶板覆土回填,提供施工场地及道路。适用工程/范围:地下室顶板沉降后浇带。
1、创新:
地下室顶板结构施工完毕,即采用120mm厚预制钢筋混凝土盖板将后浇带进行覆盖,预制盖板每隔4m留一个300的孔(板钢筋不断),将3m长的钢筋混凝土预制管(300)立于孔上,作为混凝土的浇筑孔。之后,后浇带处与整体结构同步施工防水层及回填土。待结构沉降稳定后通过浇筑孔向后浇带内浇筑自密实膨胀混凝土,封闭沉降后浇带。
2、技术特点:
浇灌孔4m间距布置,两端头必须布置一个孔,且在后浇带拐弯处必须增加一根(即将间距缩为2~3m)以防自密实混凝土在拐弯处因增大阻力,难以继续向前流动。


三、取消后浇带施工技术
01技术背景
目前超长超宽大体积混凝土施工通常通过留设后浇带来控制混凝土的裂缝产生,而后浇带的留设则给工程施工质量及进度带来了诸多不便。取消后浇带施工技术既能解决混凝土裂缝的问题,也能节省大量因留置后浇带而产生的人工、材料成本,同时也加快工期。

02取消后浇带的方法及依据
03取消后浇带的优点
1)、提升质量。
取消后浇带增强了结构整体性、抗震性、耐久性、抗渗性,避免后浇带后期处理不到位所产生的各种隐患,保证工程质量。
2)、缩短工期。
取消后浇带,减少了剔凿及二次浇筑等工序,提前对结构进行封闭,为二次结构及装修工作提前插入创造条件,可大大缩短施工工期。、
3)、节约成本。
取消后浇带后,模板及支撑不用单独设置,并且此位置模板及支撑可随同层楼板模板及支撑体系同时拆除并周转使用,可节省模架租赁费用;不需要二次剔凿和清理,节约人工费;不需要单独防护,节约防护费用;止水带可少设或不设置,节约止水带费用

04工程实例
1)、双流县第一人民医院迁建工程PPP项目:
建筑面积20.9万m2,地下1层,单层面积约6.8万m2,地上5-9层。整个工程原设计共计7295m温度后浇带,2172m沉降后浇带,最终取消全部温度后浇带。工期提前50天,节约成本56.4万元。
2)、梅兰芳大剧院:
建筑面积161643m2,地下三层,地上20 层基础底板东西长197.6m,南北长87m,底板最厚2.25m,底板混凝土浇筑总量19800m3,一次浇筑总量最大约7500m3。该工程原设计后浇带总长度5350m,最终全部取消,节约费用共约106.96 万元。
3)、金鼎商贸区C 地块工程:
位于石景山,建筑面积153815m2,地上两栋15 层,两栋9 层,裙房5 层,地下3 层。地基土质为卵石层,反梁筏板基础。取消伸缩后浇带4950m,取消沉降后浇带1950m。
四、不同形式塔吊基础设计与施工技术
01塔吊基础形式选择
桩基础
当地基土为软弱土层,采用浅基础不能满足塔吊对地基承载力和变形的要求时,塔吊基础可采用桩基础。塔吊桩基础可均为新增基础桩,在满足安全合理的布置前提下,也可以考虑部分或全部利用护坡桩、工程桩作为塔吊基础桩。

利用护坡桩的桩基础
当塔吊位于基坑外边缘时,可以考虑利用一根或两根护坡桩作为塔吊基础桩,与塔吊桩和承台共同形成塔吊基础。


利用工程桩的桩基础
当塔吊位于基坑内时,可以考虑利用若干根工程桩作为塔吊基础桩,以节约塔吊的成本。


组合式基础
组合式基础可由混凝土承台或型钢平台、格构式钢柱或钢管柱及灌注桩或钢管桩等组成。可在基坑未开挖完成的情况下提前施工塔吊基础,使得塔吊可以服务于基坑开挖和内支撑施工阶段,适用于采用内支撑+格构柱的基坑工程或基坑阶段对塔吊有需要的工程。


02不同基础形式设计要点
均为新增基础桩的桩基础
1、需分别计算工作状态、非工作状态两种工况下塔吊基础的受力情况,选最不利状态设计桩基和承台。
2、桩基计算应包括桩顶作用效应计算、桩基竖向抗压及抗拔承载力计算、桩身承载力计算、桩承台计算等。3、承台计算应包括受弯、受剪承载力计算、受冲切计算。4、桩的后压浆技术可明显提高桩的承载力、缩短桩长、降低成本、加快施工进度。
利用护坡桩的桩基础
1、需分别计算工作状态、非工作状态两种工况下塔吊基础的受力情况,选最不利状态设计桩基和承台。2、根据计算结果,验算护坡桩的承载力。在护坡桩施工前,对护坡桩的桩长、配筋进行进行复核,需考虑基坑开挖范围内的桩身不能提供承载力,开挖范围内的桩身属于自由端。
3、需根据实际情况对基坑支护进行加固处理(增加锚索、土钉等张拉措施)。4、桩的后压浆技术可明显提高桩的承载力、缩短桩长、降低成本、加快施工进度。
利用工程桩的桩基础
1、需分别计算工作状态、非工作状态两种工况下塔吊基础的受力情况,选最不利状态设计桩基和承台。2、根据计算结果,验算工程桩的承载力。3、桩的后压浆技术可明显提高桩的承载力、缩短桩长、降低成本、加快施工进度。
组合式基础
1、需分别计算工作状态、非工作状态两种工况下塔吊基础的受力情况,选最不利状态设计桩基、承台、格构柱(钢管柱)截面选型、构件计算(柱肢验算、缀件设计、柱间支撑验算、支座梁验算)等。2、需考虑悬臂段格构柱体系的整体稳定性分析(PKPM、Etabs),另需处理好格构柱与竖托桩的连接节点、格构柱与结构底板连接处的防水节点(焊接止水钢片)、格构柱与承台的连接处理等。3、塔机在地下室中的基桩宜避开底板的基础梁、承台及后浇带或加强带。
03
不同基础形式施工要点
桩基础
施工要点:1、在指定的标高处施工基础桩,施工时必须预留不小于500mm的保护土。2、根据项目环境及地质情况的不同,选择合适的施工工艺。3、基础桩作为塔吊基础的主要受力支撑体系,其施工质量的控制是至关重要的,包括其桩径、桩长、垂直度及施工过程中可能遇到的断桩、桩体缩径等质量问题对成桩质量都有很大影响。4、待基础桩桩身混凝土强度达到一定要求时,剔除桩头部分疏松的混凝土及浮浆,控制好桩顶标高。5、垫层素混凝土强度达到60%方可进行预埋件的施工。6、预埋节牙口水平度偏差不得大于1。7、施工过程中需做好桩头处的防水处理。
组合式基础
施工工艺:桩位确定钻机定位钻孔第一次清孔测孔深安放钢筋笼固定安放格构柱下导管第二次清孔测孔深(合格后)灌注混凝土。
施工工艺:1、吊装组合式基础的格构式钢柱时,要保证垂直度和上端偏位值不超过允许值。2、随着基坑土方的分层开挖,应在格构式钢柱外侧四周及时设置型钢支撑,将各格构式钢柱连接为整体。3、基坑开挖中应保护好组合式基础的格构式钢柱。4、开挖到设计标高后,应立即浇筑工程混凝土基础的垫层。
五、止水帷幕形式选择与应用
01
水泥土搅拌法帷幕
水泥土搅拌法既可以构成具有基坑止水和支护两种功能的水泥土挡墙,也可以构成以隔渗功能为主的独立止水帷幕,还可以与支护桩或土钉墙结合,共同发挥隔渗和支挡功能。它将原状土与水泥混合,形成渗透系数远比天然原状土小的水泥土。该方法包括干法和湿法两种施工工艺,施工工期短,对施工条件要求低。
天津嘉里中心
基坑面积约7.3万m2,开挖深度15.4m~16.3m,局部区域达18m,属于超大深基坑工程。围护体采用钻孔灌注桩结合外侧设置单排三轴水泥土搅拌桩,桩径Ф850@600。水泥土搅拌桩止水帷幕进入渗透性相对较小的⑦6层约1.5m,以隔断⑦3层和⑦5层承压水。
02
地下连续墙止水帷幕
地下连续墙可将隔渗和基坑支护功能合为一体,整体性和止水效果好,适用面广,单独作为临时结构时工程造价高,一般采用支护(隔水)和地下室外墙两墙合一的型式。
天津津塔
天津津塔工程基坑开挖深度在-20.6~-25.5m之间,局部深坑最深达-32.1m(主楼电梯井坑)。基坑周边围护结构为两墙合一的地下连续墙,基坑内部设置四道钢筋混凝土内支撑系统。
03
CSM水泥土双轮铣搅拌墙止水帷幕
CSM水泥土连续搅拌墙止水帷幕施工工艺是应用原有的液压铣槽机的设备结合深层搅拌技术,与传统单轴或多轴垂直旋转形成圆形改良柱体不同,此工艺以两组铣轮在水平轴向旋转搅拌原状土,从而形成矩形槽段的改良土体。与其他深层搅拌工艺比较,本施工工艺减少了接头数量,增加了有效面积,止水效果更佳;对地层的适应性更高,可以切削坚硬地层(卵砾石地层、岩层),可以用于防渗墙、挡土墙、地基加固等工程。
天津金融街和平中心
天津金融街(和平)中心工程融景华庭工程基坑开挖深度大面约18.6m左右,局部深坑达23.55m,土层以粘土、粉质粘土、粉土、粉沙、细砂为主,地下水位埋深为4.00~3.00m。基坑支护采用护坡桩+三道钢筋混凝土内支撑。基坑东南侧临近天津地铁3号线,环境变形控制要求严格,1400@1600钻孔灌注桩;其他区域采用1200m@1400m钻孔灌注桩。为保证止水效果,减少基坑施工对周边环境及地铁的影响,基坑周圈采用深层搅拌水泥土止水帷幕。
04
高压旋喷桩+袖阀管注浆组合式止水帷幕
在卵石层较厚且粒径较大的高渗透系数富水地层目前仍无有效可靠的止水帷幕,高压旋喷桩利用高压通过旋转的喷嘴将水泥浆喷入地层形成水泥土加固体填充桩间空隙;外排袖阀管形成封闭挡墙,内排钢质袖阀管注浆通过渗透、压密、劈裂等方式进一步填充砂卵石空隙,二者优势组合,形成封闭止水帷幕。
深圳平安金融中心
深圳平安金融中心基坑深33.8 m,基坑北侧紧邻运营中的地铁1号线,东侧益田路地下有规划中的广深港高铁。基坑周边地上、地下建筑物众多,管线错综复杂,基坑安全至关重要。基坑整体采用护坡桩结合5道混凝土内支撑的支护形式,止水采用高压旋喷结合袖阀管注浆的组合式止水帷幕。
05
超深基坑二次开挖槽底复合止水帷幕
超深基坑槽底复合止水帷幕施工技术是在基坑开挖至槽底后,在坑底内侧周边工作面,从上往下采用高压旋喷工艺处理上部土层、全风化、强风化岩层等;下部的中风化岩、微风化岩裂隙全部由循环灌浆工艺分序灌实、挤密;二者结合,从上到下形成一道连续的复合止水帷幕。适用于超深基坑在开挖至槽底后还需进行大体量二次开挖的项目,这种复合式止水帷幕对于地下水丰富、裂隙发育良好的岩层地区,有着无可替代的优势。
深圳平安金融中心
深圳平安金融中心桩筏基础中主塔楼巨型桩开孔直径达9.5m,最大孔深达40.3m,属于超深基坑中的超深坑中坑。基坑开挖至槽底后,在坑底内侧周边对坑底工作面往下至中风化岩层顶面采用高压旋喷止水帷幕,从中风化岩层往上搭接5米至入微风化0.5米采用基岩裂隙灌浆止水帷幕。
六、钢筋混凝土支撑拆除施工技术
01
支撑拆除要点及考虑因素
内支撑拆除要点
(1)内支撑拆除应遵照当地政府的有关规定,考虑现场周边环境特点,按先置换后拆除的原则制定详细的操作条例,认真执行,避免出现事故;(2)内支撑相应层的主体结构达到规定的强度等级,并可承受该层内支撑的内力时,可按规定的换撑方式将支护结构的支撑荷载传递到主体结构后,方可拆除该层内支撑;(3)内支撑拆除应小心操作,不得损伤主体结构。在拆除下层内支撑时,支撑立柱及支护结构在一定时期内还处于工作状态,必须小心断开支撑与立柱,支撑与支护桩的节点,使其不受损伤;(4)最后拆除支撑立柱时,必须作好立柱穿越底板位置的加强防水处理;(5)在拆除每层内支撑的前后必须加强对周围环境的监测,出现异常情况立即停止拆除并立即采取措施,确保换撑安全、可靠。
内支撑拆除考虑因素
(1)拆撑模式选择支撑拆除对水平结构施工影响较大。一般有顺拆和闷拆两种。支撑选用何种拆撑组织模式既满足主体结构工期要求,同时又可保证拆撑对周边环境影响最小是支撑拆除的重点。(2)拆撑顺序选择支撑分布密,截面大,如何合理确定支撑拆除顺序,在保证安全的前提下最大限度减少对主体结构施工以及周边环境的影响,是支撑拆除的难点。(3)拆撑方法选择如何选择合适的支撑拆除方法,在保证拆撑过程中基坑及结构安全前提下,既可满足支撑拆除进度要求,又能节约施工费用是支撑拆除的难点。(4)渣土外运及成品保护支撑拆除后的渣土量比较大,而主体结构承载力有限,严禁超载,拆除的混凝土渣外运要及时,由于运输量大、碎渣多、基坑深、水平及垂直运输矛盾突出。此外支撑拆除时必须对主体结构楼板采取适当的保护措施,避免对已施工完成主体结构楼板产生撞击破坏。因此如何合理组织渣土的外运和主体结构的成品保护成为拆撑工作的重点。(5)安全管理由于交叉作业严重,施工中存在高空吊物,大量机械、人员同时作业,这些都很容易引发安全问题。因此,施工现场的安全管理同样成为拆撑工作的重点问题。
02
支撑拆除模式及方法
支撑拆除模式
内支撑的拆除与地下室结构的施工紧密相关,内支撑拆除模式的选择一定程度上决定了地下室结构,甚至地上主体结构的施工进度,对工程总工期有着不容忽视的影响。(1)内支撑顺拆 顺做顺拆施工方法是以往工程普遍采用的一种方案。它是按照正常的地下结构施工顺序,遵循先换撑、后拆除的原则,每施工一层地下室结构及换撑完成之后拆除上一道支撑,地下室结构施工与支撑拆除施工顺次进行,直到完成顶板结构之后才能开始地上结构的施工。 顺做顺拆的施工方法,地下室结构施工和支撑拆除均为关键工序,支撑拆除与其它分部工程不能平行作业,导致工期较长。内支撑的拆除与地下室结构的施工紧密相关,内支撑拆除模式的选择一定程度上决定了地下室结构,甚至地上主体结构的施工进度,对工程总工期有着不容忽视的影响。(2)内支撑闷拆此方案的特点是地下室结构顺做施工,保证主楼地上的施工进度,剩余支撑在地下室内陆续拆除,即闷拆,不占用关键工序,可以提前完成主体结构封顶。缺点是闷拆施工时,支撑可能与结构梁、柱发生冲突,需基坑设计单位与结构设计单位配合协调,必要时应对支撑标高或结构梁柱进行调整。同时,后拆撑清理工作量大,成本大幅增加;地下室楼板需预留吊装口,以供拆撑碎料垂直运输;后拆撑受空间和施工机械限制,施工工期较长,会对地下室机电和装修进度造成影响。
支撑拆除方法
常用的混凝土拆除方法有控制爆破拆除、静态爆破、机械切割、人工拆除等。
拆撑方法选择总结
(1)支撑拆除方法的选择一般结合工程所处的周边环境特点,从施工工期、造价、噪音及安全性等多方考虑来确定。(2)内支撑混凝土体量大、强度高,则一般拆除难度大。人工风镐拆除对配筋多,混凝土标号较高的钢筋混凝土破碎效果较差,工期长。液压机械冲击器(炮机)破碎受跨度高度的限制,施工难度大。静态爆破虽然对周边环境的影响小,但工期长;而控制爆破虽然拆撑速度快,但对周边环境影响稍大些。(3)另外地铁安保区外爆破振动对地铁隧道及相关构筑物影响较小,综合静爆和明爆两种方法的优缺点,一般在安保区内采取静力爆破,振动小,有利于地铁保护;在安保区外采用控制爆破,速度快,有利于整体工程进度。(4)最下一道支撑由于拆撑条件和工期条件相对优越,可考虑直接在底板上机械破碎拆除。点我:领取工程大礼包。(5)首道支撑与封板的拆除因为有开敞的空间,可在切割机切割后,直接用塔吊吊运至临时堆放场地,并及时运出工程建设场地。
03
拆撑技术应用
深圳平安拆撑技术
基坑面积约17150m2,基底大面标高约-28.8m,基坑支护采用排桩+内支撑+锚索形式,其中北侧靠近地铁一号线区域采用五道内支撑,其它侧采用四撑+两锚。支撑平面为双圆环形式,小圆环区域设置环形运土坡道,立柱采用钢管混凝土。
(1)拆撑施工部署
(2)拆撑分区及顺序支撑拆除应分区域爆破,每个爆破区域最大长度应控制在40米左右,相邻分区不得同时起爆,不相邻区域可在同一天起爆。第五道支撑分为9个区,施工顺序为:①-1、①-2②-1、②-2③-1、③-2④⑤-1、⑤-2
(3)拆撑方法二到四道撑由于本工程基坑深、支撑内力大,若采取直接爆破拆除会导致支撑内力瞬间释放,这将对基坑支护产生极大不利影响,因此本工程采取静爆结合明爆方式拆除,即先采用静态破碎法拆除支撑与围檩的连接处,其余部位采用明爆方法拆除,拆除时控制爆破单耗量、单次起爆量,分为多次起爆,尽可能的减少对地铁隧道及支护体系的影响。由于支撑与围檩已先行断开,因此在后续爆破过程中,地铁隧道处产生的振动速度将大大减小。
(3)拆撑方法首道撑首道支撑与封板的拆除因为有开敞的空间,不采用爆破拆除,利用切割机切割后,直接用塔吊吊运至临时堆放场地,并及时运出工程建设场地。