竣工验收资料是工程竣工验收活动中形成的资料,包括工程验收总结、竣工验收记录、财务文件、声像、缩微、电子档案等。
壹
竣工图的编制
一、竣工图编制要求
施工过程中没有变动的,由编制单位在施工图图签附近空白处加盖竣工图章,并签字;
有一般性图纸变更的,在施工图上直接改绘,加盖竣工图章,并签字;
结构形式、工艺、平面布置等有重大改变或变更部分超过图面1/3的,应重新绘制竣工图,在重新绘制的图纸上加盖竣工图章,并签字;
编制竣工图时,必须编制各专业竣工图的图纸目录,绘制的竣工图必须准确、清楚、完整、规范,能真实反映工程竣工后的实际情况;用于改绘竣工图的图纸必须是新蓝图或绘图仪绘制的白图,不得使用复印的图纸;
竣工图编制单位应按照国家建筑制图规范要求绘制竣工图,使用绘图笔或签字笔及不退色的绘图墨水。
二、竣工图包含哪些内容
1、综合竣工图
2、建筑竣工图
3、结构竣工图
4、装饰装修工程竣工图
5、建筑给水、排水与采暖竣工图
6、燃气竣工图
7、建筑电气竣工图
8、智能建筑工程竣工图
9、通风空调竣工图
10、地上部分的道路、绿化、庭院照明、喷泉等竣工图
11、地下部分的各种市政、电力、电信管线等竣工图
三、竣工图的绘制方法和要求
(一)利用施工蓝图改绘竣工图
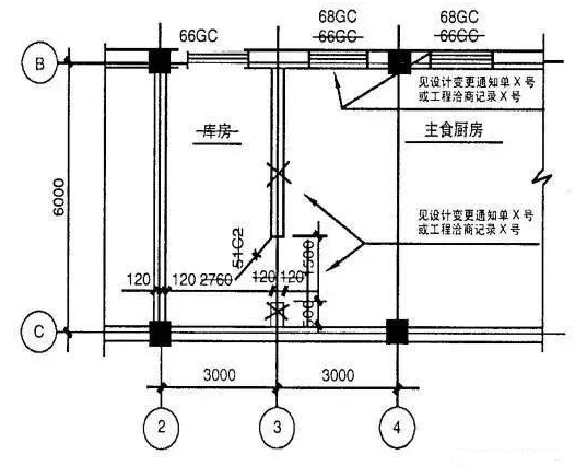
在施工蓝图上改绘竣工图一般采用杠(划)改法、叉改法。局部修改可以圈出更改部位,在原图空白处绘出更改内容。所有变更处都必须引索引线并注明更改依据;
在施工图上改绘,不得使用涂改液涂抹、刀刮、补贴等方法修改图纸。具体的改绘方法可视图面、改动范围和位置、繁简程度等实际情况而定。

1、取消内容
(1)尺寸、门窗型号、设备型号、灯具型号、钢筋型号和数量、注解说明等数字、文字、符号的取消,可采用杠改法。

(2)隔墙、门窗、钢筋、灯具、设备等取消,可用叉改法。
2、增加内容:
(1)在建筑物某一部位增加隔墙、门窗、灯具、设备、钢筋等,均应在图上的实际位置用规范制图方法绘出,并注明修改依据。
(2)如增加的内容在原位置绘不清楚时,应在本图适当位置(空白处)按需要补绘大样图(详图);如本图上无可绘位置时,应另用硫酸纸绘补图,并晒成蓝图,或用绘图仪绘制白图后附在本专业图纸之后。

3、内容变更:
(1)数字、符号、文字的变更,可在图上用杠改法将取消的内容杠去,在其附近空白处增加更正后的内容,并注明修改依据。
(2)设备配置位置、灯具、开关型号等变更引起的改变;墙、板、内外装修等变化均应在原图上改绘。
(3)图纸某部位变化较大或在原位置上改绘有困难,或改绘后杂乱无章,可以采用以下办法改绘:
另绘补图修改重新绘制竣工图画大样改绘

4、加写说明:
(1)图上某一种设备、门窗等型号的改变,涉及到多处修改时,要对所有涉及到的地方全部加以改绘,其修改依据可标注在一个修改处,但必须在此处做简单说明。
(2)钢筋的代换、混凝土强度等级改变、墙、板、内外装修材料的变化等变更难以用图示方法表达清楚时,可加注或用索引的形式加以说明。
(3)涉及说明类型的洽商记录,应在相应的图纸上使用设计规范用语反映洽商内容。

5、注意事项:
(1)施工图纸目录必须加盖竣工图章,作为竣工图归档;凡有作废、补充、增加和修改的图纸,均应在施工图纸目录上标注清楚,即作废的图纸在目录上扛掉,补充的图纸在目录上列出图名、图号;
(2)如某施工图改变量大,设计单位重新绘制修改图的,应以修改图代替原图,原图不再归档
(3)某一项设计变更或工程洽商记录可能涉及到二张或二张以上图纸,某一局部变更可能引起系统变化等情况,凡涉及到的图纸均应按规定修改,不能只改其一,不改其二;
(4)不得将设计变更或工程洽商记录及附图原封不动地贴在或附在竣工图上作为修改,也不得将设计变更或工程洽商记录的内容抄在蓝图上作为修改;
(5)根据规定必须重新绘制竣工图时,应按绘制竣工图的要求制图。
(二)在底图上修改竣工图
用设计底图制成二底(硫酸纸)图,在二底图上依据设计变更、工程洽商记录用刮改法进行绘制,即将需要更改部位刮掉,再用绘图笔绘制修改内容,并在图中空白处做修改备考表,注明设计变更、工程洽商记录编号(或时间)和修改内容;
修改的部位用语言描述不清楚时,可用细实线在图上画出修改范围;
修改后的二底图应加盖竣工图章,没有改动的底图做竣工图也应加盖竣工图章。
(三)重新绘制竣工图
重新绘制的竣工图应与原图比例相同,符合制图规范,并有标准的图框和内容齐全的图签,图签中应有明确的竣工图字样或加盖竣工图章。
(四)用CAD 绘制竣工图
在电子版施工图上依据设计变更、工程洽商记录进行修改时,修改后用云图圈出修改部位,并在图中空白处做修改备考表,原设计人员必须在图签上签字。
四、竣工图章
编制单位、编制人、审核人、技术负责人要对竣工图负责。
所有的竣工图均应由编制单位逐张加盖竣工图章,并签字。
由设计单位编制的竣工图,其设计图签中应明确竣工阶段,并应签名齐全。
竣工图章应加盖在图签附近的空白处,并应使用不易退色的印泥。

贰
竣工验收资料的编制
一、工程概况表(E1)
1、一般情况
工程名称、建筑用途、建筑地点、建设单位、监理单位、设计单位、施工单位、建筑面积、结构类型和建筑层数等。
2、构造特征
地基与基础、柱、内外墙、梁、板、内外墙装饰、楼地面装饰、屋面构造、防火设备等。
3、机电系统名称
工程所包括的机电各系统名称。
4、其它
指特殊需要说明的内容。
二、工程竣工总结(E2)
1、管理方面
根据工程特点与难点,进行项目质量、现场、合同、成本和综合控制等方面的总结。
2、技术方面
工程技术方面的总结,应包括工程采用的新技术、新产品、新工艺、新材料的总结。
3、经验方面
工程实施过程中各种经验与教训的总结
三、单位(子单位)工程质量竣工验收记录(E3-1)
1、验收内容
一分部工程,对所含分部工程逐项检查。
二是质量控制资料核查.
三是安全和主要使用功能核查及抽查结果。
四是观感质量验收。
五是综合验收结论。
2、参加验收单位签名
勘察单位、设计单位、施工单位、监理单位、建设单位都同意验收时,各单位的项目负责人要亲自签字,并加盖单位公章,注明签字验收的年、月、日。
四、房屋建筑工程质量检查报告书(E4)
1、编写依据
有关法规、规范、标准;勘察、设计文件;图纸会审、设计变更文件等。
2、编写要点
地基基础、主体结构、使用功能方面:
(1)勘察、设计变更情况(份数、原因、是否经过审图机关批准等相关内容);
(2)设计意图的实现情况(未按设计意图或设计变更施工的项目、部位、留下的隐患等);
(3)工程验收意见。
质量事故处理情况:
事故件数、发生日期、处理方案执行情况等。
其他方面:
以上内容未包含,但需要在报告中提出的内容。
五、房屋建筑工程质量评估报告书(E5)
1、编写依据
有关法律、法规以及技术标准和工程承包合同。
2、编写要点
地基基础、主体结构、使用功能方面
(1)施工是否符合设计要求;
(2)原材料、构配件及设备是否符合规定要求;
(3)规定的试验、检验项目是否全部完成、有效;
(4)所有隐蔽工程是否符合规定要求;
(5)对分部工程、分项工程和检验批工程是否进行了验收;
(6)对建设行政主管部门、质量监督机构及监理单位提出问题的整改情况;
(7)是否仍存在有争议的问题;
(8)施工进度是否符合要求、工期是否合理;
(9)是否存在违法分包和转包现象。
3、单位工程质量验收
(1)是否对单位工程质量进行了验收;
(2)是否完成工程承包合同规定的内容。
4、质量事故处理情况
(1)事故件数、发生日期、处理方案执行情况;
(2)事故处理是否还存在有争议的问题,是否尚存隐患。
5、其他方面
指以上内容未包含,但需要在报告中提出的内容 。
六、房屋建筑工程竣工报告书(E6)
1、编写依据
《建设工程质量管理条例》中的施工单位质量责任与义务、工程竣工条件及合同要求。
2、编写要点
基本情况:
(1)结构型式:指砌体、框架、框剪、剪力墙、排架、底框等型式。
(2)竣工期支付工程款额度:指至施工单位提交工程竣工验收申请报告时止,共支付给施工单位合同造价款的百分率。
(3)承包形式:
指施工总承包、专业承包、劳务分承包等。
(4)施工期发生的特大自然情况:指从开工之日起至竣工之日止的施工期内,是否遇有下列情况:35℃以上气温几天、冬期施工几天、暴雨几次、工程是否被冲塌、六级以上风几次、500mm以上积雪几次、里氏几级地震几次、由于材料或资金不足等原因停(缓)建几天、施工单位调换等。
3、质量责任人定岗及变更和分包人及合同资质情况
(1)企业技术负责人、单位工程技术负责人、专业技术负责人、项目经理、工长(施工员)、质量检查员、分包单位技术负责人的姓名、性别、职务、职称、岗位证书编号或证号,可列表说明;
(2)分包单位名称、分包合同或协议编号、营业执照号、资质等级,可列表说明;
(3)构配件设备加工单位名称、合同编号、营业执照、资质等级,可列表说明;
(4)对分包单位工程质量的简要评价。
4、完成设计和合同约定情况
(1)合同内约定的工程内容是否全部完成,有否分期验收的约定;
(2)较大设计变更工程量的增减和实施情况;
(3)竣工期内甩项工程内容、原因及其手续办理情况。
5、采用的技术质量标准,企业对分项工程、分部工程自检自评和被认定质量情况
(1)哪些分项工程无质量验收标准,采用什么措施检查、验收;
(2)哪些分项工程发生过质量不合格,怎样处理的,结果如何;
(3)各分项工程按批量划分的自检自评项目是否齐全,有多少项被上级企业或监理、监督部门抽检过,偏差较大项目的处理情况;
(4)各分部工程、分项工程是否全部经过企业的质量部门核查和监理工程师验收,有无遗留事项;
(5)重要的分项工程施工前是否具有施工方案或技术措施,有否安全技术交底。
6、主要建筑材料、建筑构配件和设备的证明文件
(1)相关规范规定的主要建筑材料、构配件和设备在本单位工程中共有多少项,有哪些没有出厂合格证或进场试验报告;
(2)委托复试的法定检测单位名称,是否具有法定资格,有否签约合同;
(3)委托复试时有哪些试件、试样无规定见证人签字,哪些构配件和设备没经过见证人观感检查验收和开箱检查验收。
7、隐蔽工程和使用功能质量自检验收情况
(1)凡规定的工程隐蔽验收部位,还有哪些没有隐蔽工程验收记录,在哪些部位发生过不同验收意见的争论,是否得到了解决,旁证验收不到场而默许验收的有哪些项目;
(2)在消防、供热、供暖、供水、排水、燃气、供电、通风空调、消声、防爆、防辐射等系统试运行或验收中,是否均有旁证,还存在哪些不同意见和质量缺陷。
8、准许使用证明具备情况
(1)有噪音、粉尘、易燃易爆、易导电、易受辐射和排毒场所,是否取得环卫部门的许可证;
(2)电梯、消防、中央空调室、压力容器、锅炉等系统设备运行是否取得有关部门验收或发放了准用证。
9、建设行政主管部门、质量监督机构及监理单位出具的整改令整改情况
(1)各部门共下达多少件整改令,还有哪些没处理,没回执,受过哪种处罚;
(2)在执行不同整改令中,有哪些存在分岐意见,处理结果如何。
10、竣工档案技术资料和施工管理资料编制情况
(1)按规定应移交给建设单位的技术、管理资料,还有哪些不齐备,编写的深度、广度、清晰度、法定手续如何;
(2)编制过程中是否接受过档案管理部门的指导、协助,曾接受哪些部门、机构审查过。
11、企业自我认定地基基础、主体结构的安全可靠度和使用功能完善良好运行程度
(1)地基基础和主体结构能否满足设计要求,可用自检技术数据回答;
(2)抗震设防、防雷、防火、保温、隔热、消防、节能、布线等工程部位能否满足设计要求。
12、其他方面
是指工程质量保修书、工程竣工期、工程主体结构出现的变异情况、工程具有特殊结构(如X光室、防电干扰房间等)质量评定情况,或以上内容未包含,但需要在报告中提出的内容。
七、房屋建筑工程竣工验收报告书(E7)
1、基本情况
结构型式和竣工期支付工程款额度:
同工程竣工报告解释。
工程简要内容:
对整个工程有一个较完整的概括性说明,如基础、主体结构、采暖卫生、燃气、通风空调、电气、电梯、通讯、玻璃幕墙等。
2、建设单位执行基建程序情况
建设单位是否按基建程序执行;
在每一程序中是否执行了具体的承办事项程序;
在执行基建程序中,尚存在哪些问题。
3、对参建各方质量行为评价
(1)对设计、勘察单位质量行为的评价;
(2)对施工单位质量行为的评价;
(3)对工程监理单位质量行为的评价;
(4)对工程检测单位质量行为的评价;
(5)对建设单位合法自行分包施工队伍质量行为的评价。
4、单位工程质量综合评定文件
依据施工单位竣工报告、监理单位质量评估报告和勘察设计单位质量检查报告中的相关部分内容,并按单位工程质量验收的有关结论数据,及通过主体工程检测结果,确认本单位工程质量是否合格及存在的质量缺陷;
报告应附有分部工程、单位工程质量验收记录,地基基础、主体结构验收记录及检测部门出具的工程主体结构检测报告;
单位工程使用功能相关部分质量认定结果。
5、建设、监理、勘察、设计、施工分别签署的质量合格文件及验收人员签署的竣工验收原始文件
对监理单位、勘察设计单位、施工单位做出的三个竣工报告和各方档案资料,在本报告中应给予说明和质量评估;
参加竣工验收人员在会议中统一验收意见的签字书.
6、工程验收备案管理部门认为需要提供的有关资料
有特殊使用功能的工程、工程上的特殊或重要部位必须提供的相关资料;
用文字表述出测试单位、资料名称、测试结论,测试报告作为本报告附件附后。
7、竣工验收时间、内容和组织形式
验收时间、内容、组成人员、验收组织程序是怎样安排的;
验收会议中有哪些不同意见的争议,怎样统一的;
质量监督机构对验收组织全过程有否不同建议。
8、需要补充说明的问题
应提交的备案资料齐备程度和质量情况,如工程质量保修书、房屋开发的质量保证书、工程使用说明书及参验各单位发出的准用证件情况;
工程竣工期主体结构的变异情况等。
八、竣工验收备案书(E8)
建设工程经验收合格后办理竣工验收备案手续前,还应填写《竣工验收备案书》。
九、工程质量保修书(E9)
根据《建设工程质量管理条例》和《房屋建筑工程质量管理办法》的规定,为保护建设单位、施工单位、房屋建筑所有人和使用人的合法权益,维护公共安全和公众利益,施工单位和建设单位应签署《工程质量保修书》。