所以各单位在进行电气工程安装时必须对低压配电中的接地系统工作给予高度的重视。

一、低压供电系统接地方式及其特点
低压配电系统的接地形式分为三种:TN系统、TT系统和IT系统。字母表示的含义是:第一个字母表示电源对地的关系,第二个字母表示电气设施的外露可导电部分对地的关系,第三、四两个字母表示中性线和保护线的组合情况。
TT系统就是将电气设备的金属外壳作接地保护的系统;TN系统就是将电气设备的金属外壳作接零保护的系统。
(1)TT方式供电系统
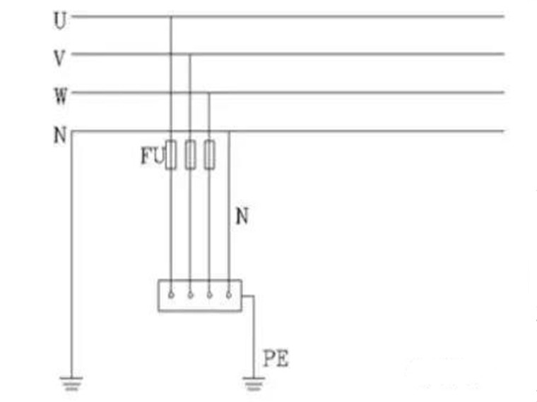
TT 方式供电系统是指将电气设备的金属外壳直接接地的保护系统,称为保护接地系统,也称 TT 系统。
第一个符号 T 表示电力系统中性点直接接地;第二个符号 T 表示负载设备外露不与带电体相接的金属导电部分与大地直接联接,而与系统如何接地无关。
TT系统就是电源中性点直接接地,用电设备外露可导电部分也直接接地的系统。通常将电源中性点的接地叫做工作接地,而设备外露可导电部分的接地叫做保护接地。

(2)TN方式供电系统
TN 方式供电系统 这种供电系统是将电气设备的金属外壳与工作零线相接的保护系统,称作接零保护系统,用 TN 表示。它的特点如下。
一旦设备出现外壳带电,接零保护系统能将漏电电流上升为短路电流,这个电流很大,是 TT 系统的 5.3 倍,实际上就是单相对地短路故障,熔断器的熔丝会熔断,低压断路器的脱扣器会立即动作而跳闸,使故障设备断电,比较安全。
TN 系统节省材料、工时,在我国和其他许多国家广泛得到应用,可见比 TT 系统优点多。TN 方式供电系统中,根据其保护零线是否与工作零线分开而划分为 TN-C 和 TN-S 等两种。
a. TN-C方式供电系统
TN-C系统就是保护接零系统,其中的零线为PEN线,即当工作零线又当保护零线,既与电源开关接又与电气设备金属外壳相连。当总零线断掉,那单相负载无法构成回路,零线电压增高,与此相连的金属外壳设备也带电,很危险。所以必须让零线重复接地,零线断了后,TN-C变成TT保护方式,单相供电变成一火一地。减轻了危险。
TN-C供电系统的特点如下:
(1)由于三相负载不平衡,中性线上有不平衡电流,对地有电压,所以与保护线所连接的电气设备金属外壳有一定的电压。
(2)如果中性线断线,则保护接零的剩余电流设备外壳带电。
(3)如果电源的相线碰地,则设备的外壳电位升高,使中性线上的危险电位蔓延。
(4)TN-C系统干线上使用剩余电流保护器时,中性线后面的所有重复接地必须拆除,否则剩余电流开关合不上;而且,中性线在任何情况下都不得断线。所以,实用中性线只能让剩余电流保护器的上侧有重复接地。
(5)TN-C方式供电系统只适用于三相负载基本平衡情况。

b. TN-S方式供电系统
在TN-S制式的供电系统中,B级(基本保护)的防雷器我们选用3+1电路结构的防雷器。
在3+1电路里3根相线通过防雷器连接到中线,中线通过一个火花间隙连接到保护地(PE)线。
这种电路结构可预防由于绝缘问题而使接电线带电从而引起防雷器产生漏电电流的问题。
如果需要多级浪涌保护,那么必须在分配电箱里安装C级防雷器,即中等保护的防雷器。
对于间隙型防雷器,仅当前级断路器的容量大于防雷器要求的数值时,需要在防雷器前串接适当的断路器。
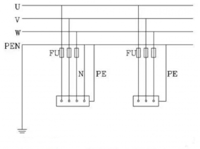
TN-S 方式供电系统 它是把工作零线 N 和专用保护线 PE 严格分开的供电系统,称作 TN-S 供电系统, TN-S 供电系统的特点如下。
① 系统正常运行时,专用保护线上不有电流,只是工作零线上有不平衡电流。PE 线对地没有电压,所以电气设备金属外壳接零保护是接在专用的保护线 PE 上,安全可靠。
② 工作零线只用作单相照明负载回路。
③ 专用保护线 PE 不许断线,也不许进入漏电开关。
TN-S系统即三相五线供电系统,除三相线(U、V、W)和中性线(N)外,还有一条保护接地(PE)线。
(1)谐波电流
当今社会的各类建筑物中的供电系统通常采用直流电子设备以及大量的荧光灯。运行过程会所产生高次谐波,其不仅对电源具有严重的污染作用,而且还会给N 线带来谐波电流,特别是3次谐波电流。
根据相关理论的分析,出现在三相中的3次谐波电流会在 N 线上叠加,而叠加后的电流值相当可观。为了防止 N 线上出现叠加的谐波电流超过相线电流而出现的短路,供电过程中在三相四线回路中采用4根截面相等的电线或电缆。
(2)单相工作电流
N线上电流的大小与相线上的电流一致,单相工作电流会随着照度标准的变化而发生变化,如果电流越变越大,则很可能会产生严重的后果,所以不容小觑。
(3)三相不平衡电流
三相不平衡电流是单相负荷的供电系统中必然会出现的情况。而且随着时间的推移,不平衡的现象会随之发展而变得愈加复杂。TN-S系统供电的制定是特别针对三相不平衡用电负荷,从而防止因用电而出现的意外事故。

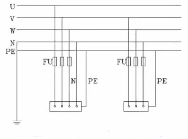
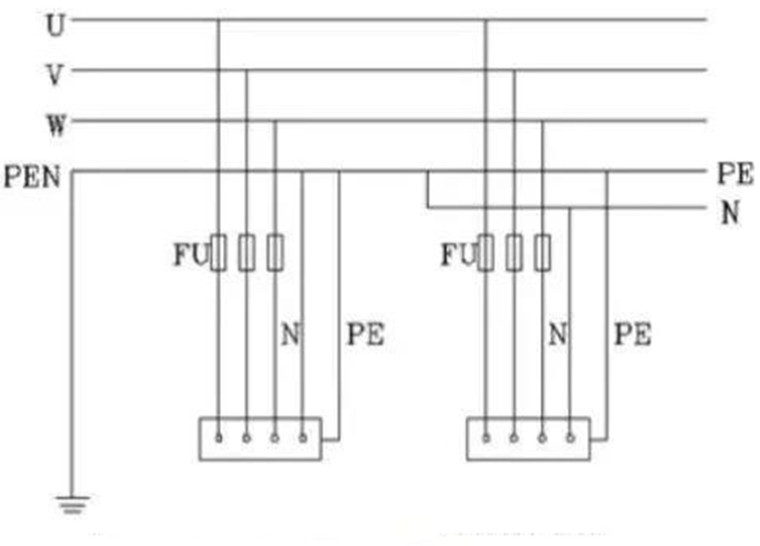
c. TN-C-S方式供电系统
TN-C-S方式供电系统在建筑施工临时供电中,如果前部分是 TN-C 方式供电,而施工规范规定施工现场必须采用 TN-S 方式供电系统,则可以在系统后部分现场总配电箱分出 PE 线。
TN-C-S系统的特点如下:
(1)工作零线 N 与专用保护线 PE 相联通,如图 1-5ND 这段线路不平衡电流比较大时,电气设备的接零保护受到零线电位的影响。
D 点至后面 PE 线上没有电流,即该段导线上没有电压降,因此, TN-C-S 系统可以降低电动机外壳对地的电压,然而又不能完全消除这个电压,这个电压的大小取决于 ND 线的负载不平衡的情况及 ND 这段线路的长度。负载越不平衡, ND 线又很长时,设备外壳对地电压偏移就越大。所以要求负载不平衡电流不能太大,而且在 PE 线上应作重复接地。
(2)PE 线在任何情况下都不能进入漏电保护器,因为线路末端的漏电保护器动作会使前级漏电保护器跳闸造成大范围停电。
(3)对 PE 线除了在总箱处必须和 N 线相接以外,其他各分箱处均不得把 N 线和 PE 线相联, PE 线上不许安装开关和熔断器,也不得用大地兼作 PE 线。
通过上述分析, TN-C-S 供电系统是在 TN-C 系统上临时变通的作法。当三相电力变压器工作接地情况良好、三相负载比较平衡时, TN-C-S 系统在施工用电实践中效果还是可行的。
但是,在三相负载不平衡、建筑施工工地有专用的电力变压器时,必须采用 TN-S 方式供电系统。

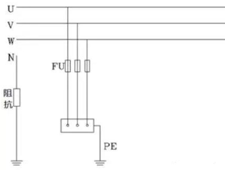
三)IT方式供电系统
IT系统是指在电源中性点不接地系统中,将所有设备的外露可导电部分均经各自的保护线PE分别直接接地,称之为IT供电系统。IT系统一般为三相三线制。也就是说电源的中性点是对地绝缘的或者通过高阻抗接地。
IT 方式供电系统 I 表示电源侧没有工作接地。第二个字母 T 表示负载侧电气设备进行接地保护。
IT 方式供电系统在供电距离不是很长时,供电的可靠性高、安全性好。一般用于不允许停电的场所,或者是要求严格地连续供电的地方,例如电炉炼钢、大医院的手术室、地下矿井等处。
IT系统发生接地故障时,接地故障电压不会超过50V,不会引起相间电击的危险。
