一、土建工程
1.1后浇带做法
⑴地下室侧墙后浇带采用竖向止水钢板(4003)伸入底板内,与水平施工缝止水钢板封闭焊接,专项隐蔽验收。
⑵地下室底板后浇带为了保证施工质量以及预防砼侧面凿毛后碎渣无法清理影响底板结构有效厚度,应将后浇带处底板局部加深,见下图(图审中提出):
1.2首层户内半地下室(储藏室)防水做法
⑴半地下室墙体由地基梁顶标高至地下室外围空间室外地坪标高范围内的墙体统一改为砼浇筑,砼强度等级及抗渗等级按C30S6,,配筋按6@150双排双向布置,墙体厚度不变;地下室外围空间地坪标高以上墙体材料不变;
⑵半地下室墙体迎水面需做一层柔性防水,柔性防水做法采用1.5mm厚柔性卷材(如贴必定)做法,外加20mm苯板或120mm厚砖墙保护层。分隔两侧不同标高的墙体柔性防水层高度做至于标高较高一侧的地面结构层下30mm处,在结构层砼垫层内收口;
⑶半地下墙体必须形成封闭的防水体系。施工中应根据以上原则对设计作相应调整,务必使半地下室墙体防水体系封闭。
1.3首层楼梯休息平台下空间利用

多层住宅首层楼梯间首层休息平台下部空间可利用来摆放电表箱,小高层住宅首层楼梯间首层休息平台下部空间可作为配电室。其中多层住宅首层楼梯间休息平台下电表箱室做法为:首层休息平台下部结构板面标高局部下降,其四周墙体改为砼与底板砼整体浇注,墙体外围设柔性防水层。为便于室内空气流通,配电室门可选用防火百叶门或加设排气扇洞,如下图:其中涉及梯井要求封闭,正面砌墙装钢防火(百叶)门,起步台阶设2-3cm挡水坎(防止物业冲洗楼梯)。
1.4首层结构周边围护做法
如首层结构板与室外地面高差大于首层周边梁高时,为使首层结构板下回填土不滑落,应沿首层结构板周边形成封闭。可根据具体情况及费用确定采用周边梁下挂砼板或在基础梁上砌墙封闭(在首层架空和回填夯实两方面选择后者)。
1.5首层入户大堂台阶做法
在主体施工阶段,环境设计尚未明确时,可在连接台阶的柱上预留梁插筋以便今后浇注结构板,进而在结构板上作砼或砖砌台阶。因室外环境标高不明确,梁插筋预留位置可适当放低(按土建室外标高下400mm)。室外环境标高确定后,在预留梁插筋的高度位置浇注结构平板并相应调整台阶的级数。
1.6卫生间管洞预留预埋:
为保证卫生间梁上安装污水管及排气扇需要,同时为避免卫生间露坎,现决定采取如下措施(注意非标准层):
⑴某些部位卫生间边梁为反梁时,排气扇需安装在卫生间窗上,采取窗玻璃上开洞方法,顶层卫生间屋面梁上不预留洞;否则卫生间排气扇安装吸顶式,采取卫生间梁上预埋钢套管(100~150)方法,洞口大小按原设计,洞口居窗中,洞底在梁底上100;
⑵各层卫生间污水管穿梁采用预埋钢套管方法,洞口大小按原设计,洞底在梁底上100;
⑶对于以上1、2条凡留设有排气扇洞或污水管洞的卫生间梁,如梁高如小于550,则将梁高加大到550,配筋不变。
1.7卫生间降梁
为避免住宅楼卫生间降板周边有梁在砌筑完成后形成反坎(砌筑墙体厚度与梁宽尺寸不一致),可降低梁标高5cm处理,注意降低梁标高时梁截面不变(如因降梁导致入户门高度变化应及时与我司联系)。降梁处理如下图所示:

1.8电梯土建图(指示盒、按钮盒定位及牛腿尺寸,以广州日立为例)
⑴电梯专业土建图纸应与电梯厅装修标高结合起来,确定按钮盒高度(由于按钮盒洞口已加筋,位置应确定准确)。
⑵电梯门下砼牛腿结构图如下图所示:

⑶电梯井底部缓冲基础布置图以及消防电梯集水坑布置图应在电梯土建图中确定。
1.9阳台做法
阳台采用我司统一做法。客厅阳台按梁式,主卧室阳台按板式。但应注意首层一般都带有私家花园,首层出私家花园阳台一般不应带有反沿(可先预留反沿钢筋,环境设计出图后根据需要取舍)阳台找坡并坡向私家花园。
1.10售楼样板房做法:
⑴售楼样板房顶棚楼板面原浆压光并满做911防水涂膜,再做保护层;
⑵砌筑墙体一般采用实心粘土砖材料,墙面抹灰和腻子之间需要做一层海吉布防裂。
⑶样板房外墙尽量采用涂料面层代替面砖和石材(由于上部结构未完成,无法吊线做灰饼,施工样板房外墙面今后拆掉)。
⑷外部悬挑脚手架搭设防护棚下面铁皮或薄钢板喷漆顶棚。
1.11烟道做法:
⑴楼层烟道安装完成后,楼板预留洞需要采用细石砼封堵,并要求在下坎处做防水涂料,具体做法见下图所示;烟道外露部分需要包钢丝网再与厨房墙面一道抹灰。
⑵毛坯房烟道开洞中心位置确定在厨房砼顶棚下150,一般靠墙抹灰完成面150~200左右(橱吊柜厚350时)。
⑶烟道出屋面做法:如下图,靠女儿墙侧面由于细石砼封堵困难,防水应卷到女儿墙顶,风帽高度距屋面2米以上(一般高于女儿墙)。
1.12屋面变形缝做法:
⑴水平变形缝做法:采用国标图集88J5中F节点大样做法([型预制钢筋砼盖板),其中油毡卷材防水层改成PVC卷材防水,预制盖板间改性沥青油膏嵌缝(或整浇预制盖板)。
⑵竖向变形缝做法:3mm粉末静电喷涂铝板(阿克苏诺贝尔、阿克苏9016粉末),铝板颜色应与外墙装饰面层颜色一致,内部采用PVC防水卷材加聚苯泡沫,铝板固定部分应加钢丝网便于抹灰,铝板水平搭接100cm,竖向对接缝3mm打胶(道康宁791),如下图:
⑶变形缝水平PVC卷材和竖向PVC卷材应连接成一个整体防水体系。
1.13屋面栏杆(或栏板)及女儿墙
因尽量避免栏杆或栏板下形成反坎而易于攀爬,使得有效防护高度不足。比如屋顶栏板防水收口可按下图修改。

1.14防火门门框、电缆井门门框等节点做法
不得按图一施工,需按图二施工。


1.15防渗漏措施
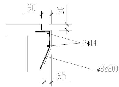
⑴由于屋面露台地面一般有防水及保温做法,如果室内外结构标高无明显高差,完成后的屋面露台建筑标高通常比室内高。为有效预防渗漏,对凡室内外无明显高差的外墙(如顶层出屋面或楼层出楼面的外墙、内天井外墙等),如设计为砖砌体时,都要求墙根500mm高范围的墙体改为C20墙体,内配6@200,墙体厚度不变;同样道理,对卫生间及管井要求墙根做150高C15素砼,对无反梁的户内花园要求分户墙墙根做300高C15素砼、其它墙体墙根素砼反坎做至花园相临客厅建筑标高;斜屋面天沟侧壁加高防止斜屋面保温层防水层加厚以后平行或高出天沟侧壁,一般高于底瓦250~300mm。
⑵楼层内的花池高度范围内的墙体要求用C20砼浇筑并加做防水,严禁采用空心砖砌筑;消火栓处墙体应采用实心砖砌筑,箱体后应保证至少60厚墙体,箱体后60厚墙体背面应挂钢丝网抹灰,箱体内应做好防水处理;
⑶为使屋面有效抵抗温度应力,达到防裂防漏的效果,屋面板(包括屋顶、各层露台、门厅入口顶板、骑楼或走道顶板)配筋需按双层双向布置,且应按设计做好屋面防水;
⑷屋面、外门窗、外墙、卫生间及阳台、地下室及其他部位等防水做法按我司设计部防水设计,需特别注意屋顶花池、外墙空调位,外墙门窗及螺杆洞等都应该做好相应的防排水措施。
⑸未封闭的漏空室内花园、电梯厅、通廊墙体砌筑材料及抹灰按内墙;但墙体及顶棚需采用外墙腻子及外墙涂料,顶棚石膏板应采用防水石膏板(对于狭长的电梯厅和通廊等可根据实际情况取端头一段范围采取以上防雨水做法)。狭长的电梯厅或通廊应设置不于0.5%的坡度坡向地漏或室外。
1.16细石混凝土运用部位
用于卫生间墙底部砼坎、强弱电井及电梯井道砌体墙底部砼坎、高层电梯厅花池侧墙底部砼坎、出屋面外墙体下部砼坎、砌筑窗台压顶、门洞两侧空心砌体填灌、配电箱线管周边、预埋线管切割槽内、预制过梁和现浇构造柱等。
1.17住宅外墙墙根散水
住宅外墙墙根取消散水做法,同时为保证首层住户的墙体防渗要求,住宅首层外墙防水层应延伸至室外地坪下500;如外墙未设计防水层,可加作JS防水做法(详节点大样④)。外墙装饰面层延伸至室外地面下100mm。
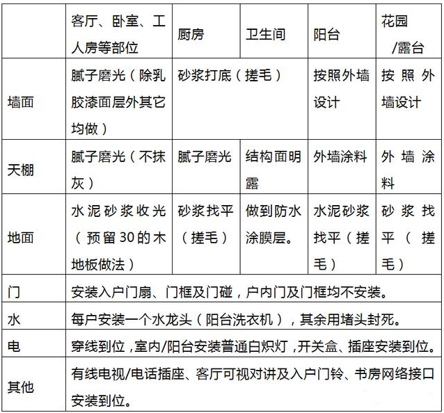
1.18毛坯房做法
⑴电梯厅及门厅大堂二次装修,按我司设计部设计;
⑵小高层楼梯间地面采用防滑地砖;
⑶高层楼梯间平台地面、踏步踢面、踏步踏面、踢脚均采用水泥砂浆,踏步踏面加转角陶瓷防滑条;墙面、顶棚为国产乳胶漆;剪刀型楼梯间单侧沿墙设不锈钢扶手。
⑷入户门采用高级防火防盗实木门,配国产豪华门锁。
⑸室内部分(毛胚房交楼标准):

⑹地下车库墙面及天棚为砼结构层上刮腻子;地面为混凝土随浇随磨光。
1.19标高控制
⑴客厅、餐厅、卧室、储藏室等室内地坪按楼层控制线(楼层建筑标高上1m)下1.03m控制;
⑵厨房室内地坪按楼层控制线(楼层建筑标高上1m)下1.08m控制,卫生间防水做法中取消水泥沙浆保护层,防水层直接做在原浆收光后的结构板面上;
⑶阳台和户内花园按楼层控制线下1.13m控制并按要求找坡,如交楼时卫生间地面防水层上需作完找平层时,卫生间入口标高按楼层控制线下1.05m控制;
⑷电梯厅地面装修完成面按楼层控制线下1.02m控制,楼梯间装修完成面按1.03~1.04m控制;电梯厅装修二次装修完成,墙面是否抹光或拉毛需根据装饰设计确定,顶棚结构面明露,地面找平及找坡由二次装修完成。
⑸电梯门出电梯厅处应设高差15mm倒坡坡向前室。
二、栏杆部分常用做法
2.1因首层住宅可能利用室外作私家花园,因而首层住宅阳台是否需设栏杆需结合园建设计确定;
2.2因尽量避免栏杆或栏板下形成反坎而易于攀爬,使得有效防护高度不足。比如屋顶栏板防水收口可按下图修改。如建筑设计中确有要求时,计算栏杆防护高度时应考虑这一因素;
2.3多层住宅栏杆有效防护高度不得低于1.05m,(小)高层住宅栏杆有效防护高度不得低于1.10m。栏杆垂直净距不大于11cm,距地0.1m高度内不应留空。栏杆不应设置易攀爬的形式;
2.4、进出位:进出位的控制在满足建筑设计要求的前提下设置时应避免底部形成反坎同时应保证固定点应与结构可靠连接。
三、门窗工程
3.1铝合金门窗
⑴铝合金门窗加工尺寸与结构洞口预留20~30mm(便于干硬性水泥砂浆塞缝密实)。门窗安装需结合外墙排砖实际情况调整。
⑵进出位:非凸窗进出位应尽量居中(防水要求),并考虑外墙排整砖,凸窗进出位为完成面退8cm(涂料面且无外部栏杆防护),铝合金百叶窗进出位5~8cm。
⑶非凸外窗高度应高于900mm,如确因设计需要低于900时考虑采用防措施。
⑷所有门扇和落地窗玻璃应要求钢化。
3.2塑钢门窗
⑴塑钢门窗加工尺寸与结构洞口预留15~20mm塞缝,门窗三面采用威固发泡胶,底面塞缝采用干硬性水泥砂浆(防水需要);
⑵进出位控制、钢化要求、门窗通用强制要求等同铝合金门窗要求;
⑶毛坯房塑钢推拉门推拉扇与地面应有35mm以上留隙便于地面二次装修,如下图所示;
⑷推拉门安装节点(以维卡系列为例):

四、大堂电梯厅装修工程
4.1门厅大堂墙面装修设计与外墙分色设计分界线根据现场实际确定;
4.2门厅大堂玻璃门以外部分及未封闭的漏空电梯厅、通廊墙体及顶棚需采用外墙腻子及外墙涂料,顶棚石膏板应采用防水石膏板(对于狭长的电梯厅和通廊等可根据实际情况取端头一段范围采取以上防雨水做法)。狭长的电梯厅或通廊应设置不于0.5%的坡度坡向地漏或室外;
4.3标高控制
⑴电梯厅地面装修完成面按楼层控制线下1.02m控制,楼梯间装修完成面按1.03~1.04m控制;电梯厅装修二次装修完成,墙面是否抹光或拉毛需根据装饰设计确定,顶棚结构面明露,地面找平及找坡由二次装修完成;
⑵电梯门出电梯厅处应设高差15mm倒坡坡向前室。
4.4防火门门框、电缆井门门框等节点做法
不得按图一施工,需按图二施工。

4.5幼儿园专项设计
幼儿园设计需满足《托儿所、幼儿园建筑设计规范》。
⑴疏散通道中不应使用转门、弹簧门和推拉门,门宽应为1200,幼儿经常出入的地方不应设置门槛;
⑵在距地0.60~1.20m高度内,不应装易碎玻璃;窗台距地小于1200时,需在窗扇处加设儿童防护网,对于推拉窗,可固定部分窗扇,仅对开启扇加设儿童防护网;
⑶幼儿经常接触的1.30m以下的室外墙面不应粗糙,室内墙角、窗台、窗口竖边等阳角部位必须做成小圆角;
⑷阳台、屋顶平台的护栏净高不应小于1.20m,内侧不应设有支撑,如有困难时应对支撑或反沿做相应处理;
⑸楼梯栏杆垂直线饰线间的净距不应大于0.11m。当楼梯井净宽度大于0.20m时,必须采取安全措施。
五、人防工程
⑴人防地下室的防护密闭隔墙和密闭隔墙支模时需用止水螺杆,不允许用PVC套管;
⑵人防墙体、顶板、底板应设置间距不大于500500的6以上的拉结筋;
⑶人防门洞四角及穿墙套管的四周内外侧,应配置216的斜向加强钢筋,其长度不小于1000mm;
⑷由于人防门门扇比门洞要大100~200mm,因而绑扎门洞钢筋时,除车道大门、活门槛及临战封堵的洞口底应平该位置的建筑标高外,其它人防门应在建筑标高以上对单扇门留150mm、对双扇门留180mm高的门槛,以利门扇能自由开启。门洞钢筋预留尺寸:门宽+50mm,门高+50mm;
⑸人防地下室顶板不应抹灰。密闭通道、防毒通道、洗消间、滤毒室、扩散室以及战时易染毒的通道和房间的墙面、地面、顶棚均应平整光洁易于清洗;
⑹所有管道穿越防护密闭墙时,必须预埋带有密闭翼环和防护抗力片的刚性防水密闭套管。密闭套管用壁厚大于3mm的钢板卷制或定型钢管制作,密闭翼环应采用厚度大于3mm的钢板制作,其翼高宜为50mm。密闭翼环与密闭穿墙管的结合部位应两面满焊,确保严密不漏气;
⑺电缆穿墙时必须一根电缆穿一个套管,在管口两端应采用密封材料充填,填料应捣实、均匀,然后在朝向核爆冲击波端加装防护抗力片,抗力片上开一个宽度与所穿电缆线外径相同的槽口,两块抗力片的槽口必须对插;
⑻与战时无关的所有排水管道一律不得进入人防地下室范围,给水管道如消防栓管和自动喷淋管需进入时穿顶板直径不得大于75mm,穿侧墙管道不得大于150mm。凡进入人防地下室的管道必须在防护密闭墙或顶板的内侧设置防爆波闸阀,穿越防护单元之间的隔墙必须在两侧加装防爆波闸阀,且其抗力不应小于1.0Mpa。该法门应设置在便于操作处,尽量靠近墙或顶板,并应有明显的启闭标志。
⑼人防单元内砌体墙应采用大于200厚实心砌体材料砌筑。