
空调设计流程图
1.房间面积计算
根据房间开间、进深确定房间面积,如图中卧室面积为:3.6m*3.0m=10.8㎡

2.各房间负荷计算
负荷计算分为详细计算和简易估算,详细计算时需要考虑过冷房和暖房,如下图所示:

冷房过程

暖房过程
工程上一般选用简易估算的方式进行负荷计算,简易计算公式:
热负荷=单位热负荷*房间地面面积*修正系数
例如,前面图中卧室负荷为:
Q=120w/㎡10.8m1.0=1296w。
说明:
修正系数:当地气候条件、房间层高朝向、系统管长、内外机高差。
单位热负荷:一般根据当地气候条件经验选取(下表格附参考)。
房间地面面积:房间内地面的有效面积。

热负荷参考
3.室内机的机型选择
选定机型时,需将前面计算出来的房间负荷与厂家空调样本对应选出 相应型号的室内机功率。具体选择什么形式的室内机,就要根据用户要求、装修情况、房间结 构、层高等确定,下表给出一般机型选择参考:

内机机型选择时的留意点:

4.室外机的机型选择
在满足空调系统内外机管长、第一分歧管前后管长、高差及室外机的容量范围等方面要求时,将相临近的所有室内机制冷量加和,计算出总的制冷量后,与厂家的样本对应查出合适的室外机型号,室内、外机能力配比可在50%~130%之间。
例如:某工程中设计的室内机中RFT56KX 共4台,RFTS36KX共2台,RFU90KX共3台,则室内机合计容量:564+362+903=566,即56.6KW。
对应的室外机:20HP,RFC560KX,内外机配比为56.656.0=1.01。分析:室内外机制冷量基本达到1:1,这样的配置适合所有室内机同时开机的场合。
对应室外机也可选择:18HP,RFC504KX,内外机配比为:56.650.4=1.12。分析:室内外机制冷量达到1.12:1,这样的配置适合室内机中有1台不经常开启的场合。
如果考虑降低成本,则对应室外机也可选择:16HP,RFC479KX,内外机配比为:56.647.9=1.18。分析:室内外机制冷量达到1.18:1,这样的配置适合室内机中有多台室内机不经常开机的场合。
通过以上简单的例题可以看出对于同一容量的室内机群,可以配置不同容量的室外机,配置的原则就看同一系统室内机的同时开机的频率。
配置室内外机系统时需注意的要点:

空调负荷计算及机型选择的注意事项:

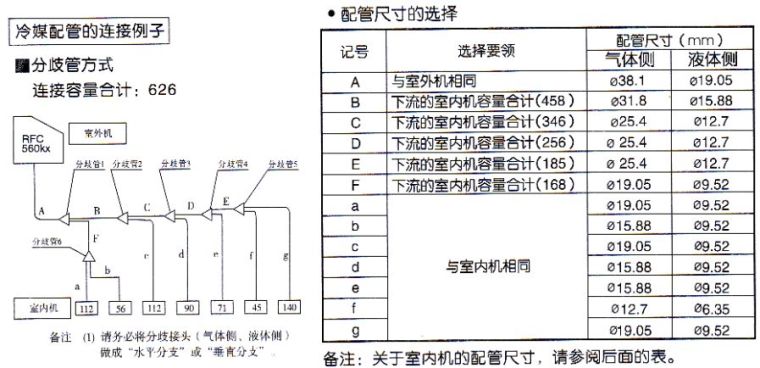
5.分歧管选择、冷媒管计算
根据空调管道井的位置,从管道井将铜管主干管从室外机处引到室内,具体冷媒管的气管、液管管径及分歧管的选择,参照各空调厂家空调系统冷媒配管的连接进行计算。

6.冷凝水管的计算
通常,可以根据机组的冷负荷Q(kW)按下列数据近似选定冷凝水管的公称直径。

沿水流方向,冷凝水排水干管不小于1/100的坡度,支管不小于3/1000的坡度;且不允许有积水部位;冷凝水管表面必须做保温处理;一般情况下,每1kW冷负荷每1h约产生0.4kg左右冷凝水 。