铜的热导率是397W/(㎡℃),铝的热导率为210W/(㎡℃),而霜的热导率仅为0.116~0.139W/(㎡℃)。而且,霜层会使流道变窄,风量减少,最终会完全堵塞蒸发器,严重阻碍空气流动。霜层过厚使制冷装置的工作条件恶化,冷间降温困难,压缩机制冷量降低,其耗电量增加。因此,冷库中的冷风机大约在累积运行5~8小时后,需要进行一次除霜。
现在常用的冷风机除霜方法大致有以下几种:
(1) 电热融霜:电热融霜是利用冷风机内排布的电加热管对翅片加热使霜层融化。这种方法系统简单,操作也更方便,但是冷风机每平方换热面积约配到 40~100W 的电加热管,耗电量太大,对库温的波动影响也很大,不节能;融霜电加热管功率很大,加热管的质量不好或者使用时间久了,容易烧坏甚至引起火灾,电热融霜存在严重的安全隐患。
(2) 水融霜:水冲霜是利用水泵或喷水装置向蒸发器外表面喷水,使霜层被水的热量融化并冲掉的方法。水冲霜操作简单、时间短,是非常有效的除霜方法。在温度很低的冷库内,经过反复的冲霜,水温太低,会影响冲霜的效果;如果在设定的时间内没有把霜冲干净,在冷风机正常工作后,霜层可能会变成冰层,使下次冲霜更加困难。
(3) 热工质融霜:热工质融霜是利用压缩机排出的具有较高温度的过热制冷剂蒸气,经过油分离器后,进入蒸发器中,将蒸发器暂时当成冷凝器,利用热工质冷凝时所放出的热量,将蒸发器表面的霜层融化。同时蒸发器内原来积存的制冷剂和润滑油,借助热工质加压或者重力排入融霜排液桶或低压循环桶。热气除霜时,冷凝器的负荷减小,冷凝器的运行也可节省部分电能。
由此可见,热工质除霜是冷风机除霜最经济的一种方式。目前,桶泵供液系统因为增加很多附属设备,且附属设备增大,使投资成本增加,还只是在大型系统上应用。占市场多数的中、小冷库,利用氟利昂容易实现自动化控制的优势,采用直接膨胀供液加排液桶进行热氟除霜的很有推广价值。
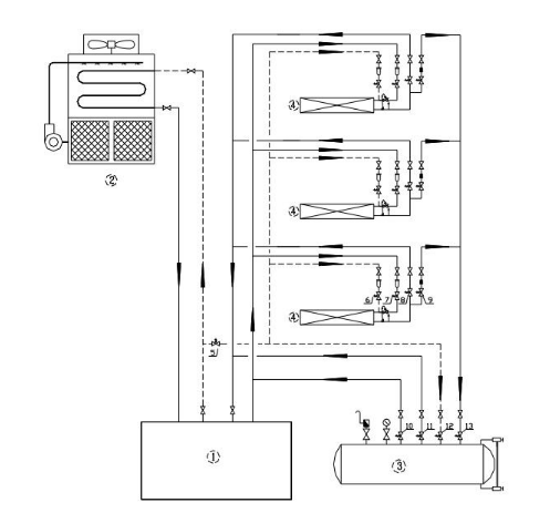
基本原理:利用压缩机排出的热氟利昂蒸气,对冷风机进行加热除霜。除霜后的氟利昂液体排入排液桶,再加压使排液桶内的氟利昂供入供液管参与制冷。除霜时,排液流向和制冷循环时的方向一致。其基本原理如下(见图):

1、压缩机组 2、冷凝器 3、排液桶 4、蒸发器 5、冲霜主电磁阀6、冲霜电磁阀 7、供液电磁阀 8、回气电磁阀 9、回液电磁阀 10、排液电磁阀 11、减压电磁阀 12、加压电磁阀 13、落液电磁阀
制冷时,供液电磁阀 7 和回气电磁阀 8 开启,其他电磁阀关闭。化霜时,供液电磁阀 7 和回气电磁阀 8 关闭,同时冲霜主电磁阀5、冲霜电磁阀 6、回液电磁阀 9、减压电磁阀 11、落液电磁阀 13一起打开。
化霜结束,冲霜电磁阀 6、回液电磁阀 9、减压电磁阀 11、落液电磁阀 13 同时关闭。加压电磁阀 12 打开;当排液桶压力冷凝压力时,排液电磁阀 10 打开,排液桶的制冷剂进入供液管参与制冷。当排液桶内的液位到达下限,冲霜主电磁阀 5、加压电磁阀 12、排液电磁阀 10 同时关闭。减压电磁阀 11 自动开启,将排液桶内的压力减至吸气压力后自动关闭。