水暖是地板辐射采暖的其中一种,也是目前最流行的一种采暖方式,它比起电暖还是相当有优势的。水暖是通过地面盘管,管道里有循环流动的热水,通过地板辐射层中的热媒,均匀加热整个地面,利用地面自身的蓄热和热量向上辐射的规律由下至上进行传导,来达到取暖的目的。
那么一个完整的水暖系统由哪些部分组成,分别有什么作用?水暖的安装施工工艺流程有哪些?
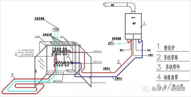
一个完整的水暖系统有四部分组成
1.锅炉采暖炉
炉采暖炉可谓是整个采暖系统的心脏,它能否高效、稳定的运行直接关系到地暖系统是否能够持续有效的供暖。
作用:大多数壁挂炉可自行设定采暖时间,分户计算。有的品牌还可同时提供生活热水。比传统暖气先进、节能、安全,可安装在墙体上、房间角落里,价格多在数千元到上万元左右。
2.地面部分
地面部分通常由保温层、反射膜、采暖管道、回填层等组成。保温层通常为50px的EPS或者XPS材料;反射膜大多为发射铝膜;采暖管道以PEX管为主,其次用的较多的是PE-RT、PB管。
作用:保温材料的费用在整个地暖系统的预算并不占大头,但它却能使整个地暖系统稳定的运行,还能让热量集中在合适的地方散发,把热量损失降低到最低程度。一套完整的采暖系统不可少了好管子,热量必须通过在地面铺设的地暖管通向各个需要采暖的房间。

3.分集水器
分集水器是由分水器和集水器组合而成的水流量分配和会集装置。通常在地面供暖区域中,需要将大面积分成小块控制,或者是一套住宅中有多个功能的房间,需要分别控制。同时,地暖系统受水力特征的控制,地暖盘管限制在一定的长度内。这就需要将同一地面供暖区域或者同一套住宅的各供暖房间分成多个环路,而每个环路又分别需要进行关断和流量调节。
作用:地暖结构系统为暗埋式供暖末端,其大部分结构都埋在地板下面,只有分集水器漏出在外面,作为地暖控制的关键部件,是十分重要的。它一方面将供暖主干管的水按需进行流量分配,保证各区域分支环路的流量满足供暖负荷需要,同时还要将各分支回路的水流汇集,并且输入回水主干管中,实现循环运行。另一方面,由于各个功能区域(房间)需要按需求供热,为了便于调节控制分水器和集水器各分支环路设置了阀门,阀门承担了流量分配和调节任务。
4.温控器
温控器是壁挂炉的必配件,是集成编程器与软件并实现智能化控制温度的开关,可以自由调节室内温度,并能按用户要求设定各种时间段的开关和各种预设好的模式下自动运行调节室温;使之达到舒适的温度。
作用:大多数地暖配备的温控器是智能型温控器。而房间采暖系统中配备温控器尤其是智能温控器,是节能采暖综合体系中一个极为突出的最重要的环节。
水暖施工工艺流程
一、保温板的铺设
1.整板放在四周,切割板放在中间。
2.板与板之间用胶带连接。
3.平整度,高差不允许超过正负5MM。
4.缝隙不大于5MM。
二、反射膜的铺设
1.反射膜铺设一定平整,不得有褶皱。
2.遮盖严密,不得有漏保温板或地面现象。
3.反射膜方格对称整齐,不得有错格现象发生,(方便计算管道间距,反射膜方格间距为5公分)。
4.反射膜之间必须用透明胶带或铝箔胶带。
三、管道的铺设
1.与设计回路相符合。
2.管道铺设间距与设计相符合。
3.如管道回路之间实际铺设长度差距大于30米,则从新调整及时通知公司。
4.管道与墙体之间距离在100150MM。
5.坚决制止出现管道交叉现象。
6.分水器到地面部分管道必须加保温套管。
四、铺设钢丝网
1.钢丝网(200*200mm)用管卡固定。
2.管卡位置钉于钢丝网四角与中间位置,每片钢丝网卡钉数量不得少于8个。
3.不得出现钢丝网翘起现象。
4.钢丝网必须铺设在管道上部。
五、分水器安装
1.为保证分集水器将来维修,分水器所在位置必须保证分水器可整体拆卸。
2.分水器安装时上沿高度不低于600MM。
3.分集水器路数应该与设计相符和。
4.分集水器附近留有一个三空插座。
5.分集水器的进回水两端应安装压力表、自动排气阀。
6.分集水器固定好之后连接壁挂炉给回水主管道,管道接口处装过滤器。
7.分集水器安装完毕临时用反射膜进行覆盖保护,防止落水泥、油漆等污染物。
六、电热执行器安装
1.与温度控制面板连接是否与施工方案相符。
2.与分水器连接是否紧密。
3.开启,关闭是否正常。
七、壁挂炉安装
1.根据壁挂炉尺寸,及安装前预留尺寸,烟道位置,校准准确位置后,挂炉。
2.壁挂炉底下接口采用软管连接。
八、温度控制面板安装
1.安装位置是否与设计位置,以及设计功能相符。
2.温度控制面板一定要安放在所要控制的采暖功能区内。
3.电路是否通畅。
4.运行是否正常。
九、混凝土铺设
1.细石混凝土保护层铺设,铺设前先检查压力表,如压力表压力低于4MPA,则禁止施工。
2.混泥土搅拌:严禁直接在地暖管上进行混泥土搅拌。可在地暖管上铺垫木板或者是塑料板。施工时不得出现钢丝网外露现象,如边界保温条脱落,需将边界保温条复位。
3.混泥土找平后地面高差不得大于5mm。
4.铺设混泥土时,在门口、过道、地漏等位置必须做好记号,防止后期施工中不当行为破坏地暖管道。
水暖安装保养
水暖安装后进行使用要注意保养,尤其是初次使用,要注意加热循序渐进,若是温度升的过快,地板可能会因膨胀发生开裂扭曲现象,同理关闭水暖系统也要如此渐进降温。使用过程中要注意水管温度不能超过45℃,如果超过这个温度的话,会影响地板的使用寿命和使用周期。冬季气候寒冷,需要使用水暖采暖,但冬季的气候比较干燥,如果不注意给房间加湿,长期处于高温的地板会容易干裂变形。