建筑混凝土空心砌块全套施工工艺实例详解

一、混凝土空心砌块施工准备

1、施工材料准备

(1)混凝土空心砌块、加气混凝土砌块与专用砌筑砂浆、胶泥,按照进场批量,提供出场合格证、厂家资质、检测报告等相关原材证明资料,材料外观、质量、尺寸、规格的物理性能符合《砌体工程质量验收规范》中的要求,产品经质检部门认可后进行现场抽样复试;

允许尺寸偏差要求

外观质量

物理性能要求

混凝土空心砌块:设计墙体厚度为100mm,规格为390mm100mm190mm和390mm200mm190mm。养护龄期不得低于28天,应有产品合格证和质量保证书,进场后应见证取样进行强度等级、干燥收缩率、相对含水率检验。

加气混凝土砌块:体积密度级别B06,强度级别A3.5。设计墙体厚度为100mm/200mm,砌块的主要规格为600100240mm;600200240mm

其他材料:拉结筋、预埋件等,提前做好防锈防腐处理。

2、二次结构工程施工的水平运输及垂直运输

(1)水平运输:使用翻斗车及小推车解决水平运输问题。

(2)垂直运输:二次结构施工前立室外电梯。

3、试验计划

(1)混凝土空心砌块:每1万块为一验收批,不足1万也按一批计。

(2)加气砼砌块:以1000块为一验收批,不足1000块也按一批计。

(3)水泥:同强度等级每400t为一验收批,不足400t也按一批计。

(4)砂子:同一产地、同一规格每400m3或600t为一验收批,不足400m3或600t也按一批计;每一验收批取样一组(20kg)。

(5)砂浆:同一砂浆强度等级,同配合比,同种原材料每一楼层或250 m3砌体为一个取样单位,每取样单位标准养护试块的留置不得少于一组(每组6块)。

(6)构造柱、配筋带砼:每一楼层每段制作三组试块。

(7)钢筋植筋拉拔试验:每种钢筋型号做一组拉拔试验,且植3000根钢筋做一组拉拔试验。

(8)试验工做好试件的制作、养护、送检工作,及时将试件资料整理完好,报送资料员归档。

二、混凝土空心砌块施工方法

1、工艺流程

施工准备 墙体放线立皮数杆绑扎构造柱钢筋植筋验收拌制砂浆排砖撂底及混凝土空心砌块、加气混凝土砌块砌筑过梁模板过梁钢筋绑扎构造柱、过梁混凝土浇筑过梁上部混凝土空心砌块、加气混凝土砌块砌筑构造柱柱头模板及混凝土浇筑15天后砌上部斜砖

2、施工准备

(1)水电专业须提前安排水电管路的施工。施工后如遇有工程洽商涉及管路变更,应切割墙面,留槽后补,严禁剔凿破坏陶粒砌块。各种预留孔洞,预埋件,按图纸要求设置,避免之后剔凿。

(2)设置皮数杆:皮数杆的设置间距一般设置在转角处,一般距墙皮或墙角50mm为宜,皮数杆应垂直、牢固、标高一致。

(3)墙体砌筑前,基础墙或楼层表面应清扫干净,洒水湿润。

(4)混凝土墙柱与二次结构墙体的接触面应进行清污处理。

(5)每天砌筑高度1.2米。

3、排砖撂底

依据设计图纸各部位尺寸,排砖撂底,使组砌方法合理,便于操作。根据墙体各个部位实际状况,排砖撂底,制定合理的、便于操作的组砌方法。组砌方法应保证上下错缝,交接处能够咬槎搭砌,最小错缝长度应符合规范规定要求(90mm)。

4、砂浆、胶泥

(1)砂浆拌合均匀、胶泥按标准配比。

(2)砂浆、胶泥应随拌随用,当施工期间最高温度超过30度时,应分别在拌成后2h到3h内使用完;超过上述时间的砂浆、胶泥得使用,并不应再次拌合使用。

5、砌筑施工做法及施工方法

(1)施工做法参照《墙身框架结构填充混凝土空心砌块》、《墙身-加气混凝土》的做法。

(2)砌体施工前,应将地基梁顶面或楼层结构面按标高找平,依据施工图放出轴线、砌体边线和洞口线。

(3)砌块上下皮应错缝搭接,搭接长度不小于90mm(砌筑长度的1/3左右)。

(4)混凝土空心砖与砼交接部位采用顶砌,保证砌块与砼之间的灰浆挤压密实。灰缝内灰浆要饱满,不得出现瞎缝、透明缝。在砌下一皮砌块时,要检查上一皮砌块灰缝是否饱满、密实,如不饱满密实,应填满砂浆挤压密实,再进行下一皮砖砌筑施工。

(5)加气混凝土砌块墙砌筑前,外墙应先浇筑C20细石混凝土基座,高120,内墙砌筑三皮混凝土实心砌块,宽同墙厚。

(6)拉通线砌筑时,随砌、随吊、随靠,保证墙体垂直、平整,不允许砸砖修墙。转角及交接处同时砌筑,不得留直槎;哑巴口两侧交叉砌筑。

(7)组砌方法应正确,上下错缝,交接处咬槎搭砌,掉角严重的砖或砌块不宜使用。

(8)混凝土小型空心砌块的砌体水平缝为8~12mm;加气混凝土水平缝为15mm,竖向灰缝为20mm。

(9)填充墙砌筑时应错缝搭砌,加气混凝土砌块搭砌长度不小于砌块长度的1/3;小型空心砌块搭砌长度不小于90mm;竖向通缝不大于500mm。

(10)与框架柱连接的填充墙,沿框架柱全高每隔400 mm插26.5通长钢筋,后砌隔墙应沿墙高每隔400 mm配26.5通长钢筋与其两端相交墙体拉接。

(11)设置在砌体水平灰缝中的钢筋锚固长度不小于700mm,且其水平或垂直弯折长度不小于20d和150mm;钢筋的搭接长度不小于250mm。

(12)转角及交接处同时砌筑,不得留直槎,斜槎高度不大于1.2m。拉通线砌筑时,随砌、随吊、随靠,保证墙体垂直、平整,不允许砸砖修墙。

(13)混凝土空心砌块、加气混凝土砌块除底部、顶部和门窗洞口处,不得与其他块材混砌。

(14)砖砌体的转角处和交接处同时砌筑,严禁无可靠措施的内外墙分砌施工;对不能同时砌筑而又必须留置的临时间断处应砌成斜槎,斜槎水平投影长度不应小于高度的2/3;砖砌体的灰缝应横平竖直,厚薄均匀;水平灰缝厚度为10 mm。

(15)砌块砌体的水平灰缝厚度及竖向灰缝宽度分别宜为15㎜和20㎜,砌筑时的铺灰长度不得超过800mm,严禁用水冲浆灌缝,砌体灰缝应横平竖直,全部灰缝均应铺填砂浆;水平灰缝的砂浆饱满度不得低于90%;竖缝的砂浆饱满度不得低于80%;砌筑中不得出现瞎缝、透明缝;砌筑砂浆强度未达到设计要求的70%,不得拆除过梁底部的模板。

施工预控要点:1、填充墙砌至接近梁底、底板时,应留有一定的空隙,填充墙砌筑完并间隔15d以后,方可将其补砌挤紧;补砌时,对双侧竖缝用高强度等级的水泥砂浆嵌填密实。2、框架柱间填充墙拉结筋应满足砖模数要求,不应折弯压入砖缝。拉结筋宜采用预埋法留置(现场采用植筋做法,在砌筑施工前做好拉拔检测)。3、填充墙采用加气混凝土砌块等材料时,框架柱与墙的交接处宜用15mm15mm木条预先留缝,在加贴网片前浇水湿润,再用1∶3水泥砂浆嵌实。4、通长现浇钢筋混凝土板带应一次浇筑完成。5、砌体结构砌筑完成后宜60d再抹灰,并不少于30d。6、每砌筑高度宜控制在1.8m以下,并应采取严格的防风、防雨措施。7、严禁在墙体上交叉埋设和开凿水平槽;竖向槽须在砂浆强度达到设计要求后,用机械开凿,且在粉刷前,加贴钢丝网片等抗裂材料。8、宽度大于300mm的预留洞口应设钢筋混凝土过梁,并且伸入每边墙体的长度应不小于250mm。

砼上返台浇注:1、根据图纸设计要求:卫生间隔墙下应做C20细石砼防水台,高度高出相邻地面150mm(结构地面250mm)。2、注意事项:1、将原有地面进行凿毛处理,支设模板验收合格后方可进行浇注砼。2、上返台宽度应考虑墙厚及位置。

6、填充墙与结构的拉结

(1)外填充墙在窗台下部和窗洞顶高度处及内填充墙在门洞顶高度处均应设置钢筋混凝土圈梁 ;墙体高度超过4m时,在半高处也应设置圈梁。圈梁截面为墙厚150,配筋为410,6@250。当圈梁有高差时,应使高低圈梁搭接,搭接长度为1000,圈梁钢筋直接锚入钢筋砼墙内35d,当在洞口处圈梁代过梁时,过梁下铁按下图配置,下铁应伸过洞边400,与圈梁钢筋搭接40d。

(2)填充墙砌至板、梁底附近后,应待砌体沉实15天后再用斜砌法把下部砌体与上部板、两间用砌块逐块填实(或留置3-5cm缝隙用细石微膨涨混凝土填充);当墙长大于5米时,墙顶应与梁板有拉结,采用8@1500膨胀螺栓与梁(板)固定后,用26.5钢筋与膨胀螺栓绑扎在一起,高度为150㎜,用细石微膨涨混凝土填实。

墙长度5m时,墙顶部与梁或板拉结措施

(3)混凝土墙体长度<5m在楼板底(梁底)斜砌一排砖,以保证混凝土墙体顶部稳定、牢固。

混凝土墙体长度<5m时,墙顶部处理措施

(4)填充墙与墙柱采用通长混凝土圈梁及拉结筋进行拉接。

(5)砌块填充墙与钢筋混凝土墙、框架柱、构造柱之间,填充墙与填充墙之间,填充墙与梁板之间应有拉结措施,即沿后砌填充墙全高每隔400 mm设26.5通长钢筋与钢筋混凝土墙、框架柱、构造柱及其两端相交墙体拉接。

(6)配筋带中的钢筋及拉结筋连接采用搭接,搭接长度不小于50d(不小于300mm),其末端应做成180度弯钩,弯后平直段长度不应小于3d。

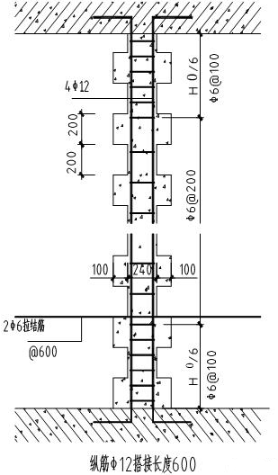
(7)构造柱与墙体的连接处应砌成马牙槎,从每层柱脚开始,先退后进。构造柱与楼面交接处,应预留插筋。构造柱上下端楼层处H/6高度范围内,箍筋间距@250。

(8)构造柱留置原则:在墙体转角处、洞口宽度大于2m洞口的两侧、填充墙端部设置构造柱,墙长大于等于5米,每隔2-3米设置一个;墙高大于2倍的层高时,在其中部设置一个构造柱,柱截面:墙宽200纵筋为410箍筋¢6@250,砼标号C20。

1)外墙窗口下设不小于60mm与墙同宽的c20砼带,2根¢6通长设置分布筋¢6@200。

2)门洞口两侧设置钢筋砼门框,与墙等宽厚度120mm,2根¢10通长设置分布筋¢6@250。

3)室内门口及填充墙中部遇有300mm的安装预留洞部位均须设置过梁,且门过梁设置遇有剪力墙部位的进行植筋现浇,其余的采用预制的办法,配筋如下表,长度为洞口宽度+500,砼标号C20。顶层圈梁、卧梁高度不宜超过300mm。有条件时(防水及建筑节点处理较好)宜在顶屋盖和墙体间设置水平滑动层。外墙转角处构造柱的截面积不应大于240mm240mm;与楼板同时浇筑的外墙圈梁,其截面积高度应不大于300mm。砌体工程的顶层和底层应设置通长现浇钢筋混凝土窗台梁,高度不宜小于120mm,纵筋不少于410,箍筋6@250;其它层在窗台标高处,应设置通长现浇钢筋混凝土板带,板带的厚度不小于60mm,混凝土强度等级不应小于C20,纵向配筋不宜少于38。顶层门窗洞口过梁宜结合圈梁通长布置,若采用单独过梁时,过梁伸入两端墙内每边不少于600mm,且应在过梁上的水平灰缝内设置2-3道不小于26@300通长焊接钢筋网片。顶层及女儿墙砌筑砂浆的强度等级不应小于M7.5。粉刷砂浆中宜掺入抗裂纤维或采用预拌混凝土砂浆。混凝土小型空心砌块、加气混凝土砌块等轻质墙体,当墙长大于5m时,应增设间距不大于3m的构造柱;每层墙高的中部应增设高度为120mm,与墙体同宽的混凝土腰梁,砌体无约束的端部必须增设构造柱,预留的门窗洞口应采取钢筋混凝土框加强。

构造柱与墙体连接剖面图

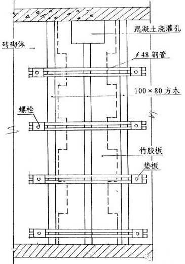
(9)构造柱模板采用15mm厚木质多层板,竖向龙骨采用80100mm木方,间距200mm;横向龙骨采用Ф48钢管,间距600mm。

(10)构造柱必须先砌砖,后浇筑砼,构造柱应有外露面,构造柱模板采用多层板,加固使用钢管及12 螺栓加固,墙体砌筑时,在砖缝中预留20 硬塑管,支模时将螺栓穿入塑料管内加固模板,支模前清理模板,并涂刷隔离剂,在模板与墙体接缝处粘贴海绵条。

构造柱支模立面图

构造柱支模剖面图

(11)浇筑构造柱混凝土之前,必须将砌体和模板浇水湿润,并将模板内的落地灰、砖渣和其他杂物清理干净。砌墙时应在柱模的底部留洞,供清除模板内杂物用。清除完毕立即封闭洞眼。

(12)门洞口周边做钢筋混凝土抱框,与门窗木框边缝的余量每边为15mm。

(13)设计要求的洞口、管道、沟槽应于砌筑时正确留出或预埋,未经同意,不得打凿墙体和在墙体上开凿水平沟槽;宽度超过300mm的洞口上部,加设过梁。

7、墙体拉结筋

墙体拉筋采用植筋胶植筋的方式进行锚固。锚固深度及孔径详见下表,锚固完后应按要求进行现场拉拔试验。

严格按上表要求进行打孔,满足孔深及孔径要求;植筋用的结构胶使用前,将原材料的材质单、出厂合格证、各种证明材料准备齐全,上报监理验收合格后,方可使用;植筋孔洞打完后,用气泵将孔洞内的灰尘吹干净后,经监理验收合格方可进行下道工序施工;植筋完成后,经现场拉拔试验合格后方可进行下道工序施工,植筋拉拔试验每植筋3000根做一组。

8、管线及挂件安装要求

(1)在砌块墙上设置暗线开洞和吊挂件,一定要待砌体墙灰缝达到粘结强度后方可进行。

(2)暗埋管线应先开管槽,管槽的水平长度300mm,竖向宽度100mm,深度D/2mm。管线安装后,需用粘结石膏进行填实。管槽大于上述规定时,应在构造做法上采取增加墙体强度的做法。如墙上有多排垂直管线时,在砌块墙间留出空隙,布管后用粘结石膏填实补平等。

(3)砌块切割应用粗齿锯,支架或管线穿墙时应用电钻,不得用金属錾子或铁锤凿槽手工凿洞。

(4)固定吊挂重物的砌块墙体,砌块空心处应用水泥砂浆填充压实,严禁在二次填充墙体上凿水平槽。

三、质量标准和验收

1、填充墙砌体一般尺寸的允许偏差应符合下表的规定。

填充墙砌体一般尺寸允许偏差

2、混凝土空心砌体水平灰缝应为8-12mm,砂浆应饱满,灰缝平直通顺,立缝用砂浆填实。砂浆饱满度及检验方法见下表

砂浆饱满度及检验方法

3、转角处严禁留直槎,其他部位应留斜槎

4、拉结筋、构造柱,现浇钢筋混凝土带均符合设计要求。

5、各种预埋件符合规定要求。

四、施工注意事项

1.质量保证措施

(1)把好物质进场质量关,各种原材料要有质量合格证或试验报告,并经复试合格后方可使用。

(2)坚持样板引路制度,施工前要先作样板,经项目部验收合格,然后再大面积施工。

(3)认真做好隐预检工作,特别是构造柱、墙拉筋、抱框等钢筋必需通过隐检验收(未经隐检验收不得进行下道工序施工)。

(4)做好两个交底,即:项目技术组对工长的交底和工长对施工班组的交底。交底必须具体,针对每个分项工程要有质量标准和保证质量的措施。

应注意的质量通病:

(5)墙体不通不顺,灰缝不直,砌筑的上下层存在通缝现象。原因分析:未经全面考虑就仓促上马,施工中未按照规范要求施工,造成质量隐患发生。解决方法:砌筑之前,一定要事先进行排砖撂底,砌筑必须架立皮数杆,以校正施工。(5)灰缝应平直通顺,砂浆应饱满,混凝土空心砌体水平灰缝不大于15mm,立缝用砂浆填实。严格按照配合比申请通知单配制,计量要准确,保证搅拌时间,确保砂浆强度。

(6)墙体顶面不平直:在梁底或板底弹出墙边线,认真按线砌筑,以保证墙体顶部平直通顺。

(7)混凝土空心砖墙后剔凿:预留孔洞,预埋件应准备预留,预埋防止后剔凿,以免影响质量。应当避免在砌筑施工完毕后剔凿墙体。如需要在墙体上开槽,需用小型切割机械进行施工开槽,保证槽体顺直便于修理。严禁手工剔凿,施工完毕后,用C20细石混凝土进行填补。

2.成品保护措施

(1)暖卫、电气管线及预埋件应注意保护,防止碰撞损坏。

(2)焊接的拉结筋应加强保护,不得踩倒、弯折。

(3)手推车应平稳行驶,防止碰撞墙体。

3.安全保证措施

(1)严格执行施工安全操作规程,做好施工人员的入场教育,特殊工种(电工、焊工、机工)持证上岗。

(2)工程施工前,工长必须对操作工人进行书面的安全交底。

(3)所有进入施工现场的人员必须戴好安全帽,高空作业时要系好安全带,现场内严禁吸烟。

(4)建筑物人员进出口处搭设护头棚,二次结构砌筑施工的架子外侧必须满封密眼网,任何人不得自高处向下投物,防止高空坠物伤人。

(5)施工用电缆、电气线路有可靠接地,漏电保护装置安全有效,机电设备操作人员使用相应防护用品。

(6)机械设备使用做到定人、定机、定岗位,明确责任。用电时应做到一机、一闸、一保险、配电箱应有门锁及防雨措施

4.文明施工措施

(1)楼内施工垃圾不得下投,必须采用容器下运到指定地点;现场生活垃圾清运指定地点。

(2)做好有效的防尘措施,干拌砂浆材料应入库存放,防止飞扬,散落的砂浆要及时清理装袋。

(3)现场各种料具、构配件应按施工平面布置图指定位置存放,并分规格码放整齐、稳定,做到一头齐、一条线。散料应成堆,界线清楚,不得混杂。

(4)现场设专人负责清扫道路,杂土集中堆放,清理回收有用材料。

建筑混凝土,空心砌块,施工工艺实例