人防工程施工质量通病(土建施工阶段)
(一)底板
通病一
现象:在梁板体系中,当底板上层钢筋与梁上层主筋标高相同时,板的上层钢筋放在了梁的主筋上面。 分析:底板中板梁式结构的梁筋与板筋位置关系:上排双向板筋均应从梁的主筋下方穿过(图一)。因为底板所受的力主要是土压力,底板上层钢筋在梁处是受压区,应该从梁的主筋下穿过,把底板所受的土压力传递给梁。

图一 地基反梁与底板上层钢筋位置关系
防治措施:设计应考虑钢筋重叠放置时对保护层的影响,施工前正确理解图纸,按照正确的顺序布筋进行绑扎。
通病二
现象:地基反梁钢筋绑扎施工时,受拉区钢筋和受压区钢筋配置反置,造成受拉区钢筋承载力不能满足设计要求。 分析:地基反梁与顶板梁受力情况相反,上部为受拉钢筋,下部为受压钢筋,一般平法表示地梁配筋如(图二),B表示下部钢筋、T表示上部钢筋,施工人员往往习惯性的将写在前面的理解为上部钢筋、写在后面的为下部钢筋,忽视了B和T 的区别,从而造成错误。

图二 平法表示地梁配筋
防治措施:在布筋前要正确的理解图纸,对图纸上的每个符号都要弄清楚。
通病三
现象:钢筋混凝土墙门洞未按要求增设45斜向加强筋,或虽然设置但是不符合要求。 分析:人防门的门框下部加强筋斜向45插入底板(图三)。在绑扎底板钢筋时没有考虑门框墙加强筋的留置,等绑扎墙筋时发现遗漏,这是底板已经浇筑,加强筋已经无法设置了。

图三 门框墙洞口加强筋示意图
防治措施:门框墙加强筋应在底板教导混凝土前按设计施工图及规范要求成型绑扎。
通病四
现象:防护门槛钢筋绑扎错误 分析:防护门门槛处钢筋规格大、钢筋密,施工不方便,容易施工不到位或绑扎错误。 防治措施:防护密闭门门槛箍筋应该闭口(图四),在箍筋拐角处应绑扎水平钢筋,水平筋应该锚固到门框墙中,并与门框钢筋绑扎牢靠。

图四 门框箍筋绑扎
通病五
现象:人防门的门槛高度、门槛墙宽度不够,无法安装门扇,影响使用功能。 分析:人防门的门槛钢筋高出底板的高度应该满足各种型号的人防门门槛建筑高度。人防门铰页侧门框最小宽度应满足人防门的安装尺寸,闭锁侧门框最小宽度应满足不会影响门扇的开启(图五)。

图五 人防门安装尺寸要求
防治措施:具体施工安装时,可根据设计图纸要求核定相关尺寸,并注意单扇门和双扇门尺寸要求的区别,特别是铰页边一定要满足门扇的开启要求。
通病六
现象:人防门的门框墙及门槛的截面尺寸太小,门槛的钢筋成型和绑扎不符合要求。 分析:防护门门框墙的厚度有具体要求,不同的墙体有不同的厚度,由于门框墙出施工操作面狭小,钢筋绑扎和模板支护作业有一定的难度,容易发生这样的施工错误,因此要求严格按照设计图纸绑筋和支模。 防治措施:防治措施:防护密闭门的门框墙及门槛截面厚度的最小尺寸不小于300mm(图六)。两个防护单元间的门框墙及门槛截面厚度不小于500mm(图七)。密闭门的门框墙及门槛截面厚度按设计图施工。

图六 门框、门槛最小尺寸

图七 防护单元间门框墙最小厚度
通病七
现象:活置式人防门门槛下没有设置钢筋
分析:置式门槛人防门的门框角钢应在底板浇筑混凝土前安装到位,门框角钢的安装标高应该与建筑标高同高。当地坪装修面层大于60mm时,门框角钢下部角钢内应按防护密闭门门槛的要求配筋;当地坪装修面层不大于60mm时,门框角钢下部角钢的间距为150mm、32的孔中穿钢筋锚固到底板中。 防治措施:活置式人防门门槛在定货加工时应特别留意设计图纸所选用的设计图集号、规格、型号,目前选用定型图集中有两种,一种由国家建设部组织编制,另一种由总参工程部第四研究院组织编,两种图集在施工时预埋件的设置方式是不一样的,施工单位要注意区分,防止因选错图集而导致施工错误,并与防护设备专业安装队伍密切配合。
通病八
现象:排水沟相邻单元之间、非人防区域与人防区域之间不相通。 分析:在底板结构施工时,凡穿越相邻单元之间、非人防区域与人防区域之间的管道都应按规范要求做好防护密闭处理,是人防工程施工及验收的基本要求和质量控制的关键重点内容,穿越防护密闭区域的排水沟将直接破坏工程的防护密闭。 防治措施:按照设计图纸要求,采取预埋热镀锌钢管(或其他规定材料)并按规范要求进行有效的防护密闭处理。
通病九
现象:防护结构外墙插筋没有按照要求锚固和留置搭接位置。 分析:外墙外侧钢筋应该伸到底板底部再水平锚固与底板钢筋搭接,搭接位置一般在反弯点处,近似取0/4+a;内侧钢筋伸到底板底部后向外墙方向锚固。外墙钢筋伸出底板的高度应满足h0/4+a,且左右、内外错开搭接位置。
防治措施:人防工程墙体分类很多,每种墙体的受力特性与普通建筑工程相比都有一定的区别,施工时要严格按照设计图纸操作,防止混淆。
通病十
现象:底板梅花形布置的箍筋拉钩角度不够,下侧弯钩没有挂到节点上,弯钩处未实施绑扎。 分析 :梅花形布置的箍筋作用是为了抵御核爆动荷载作用下结构承受方向相反的作用力,必须保证箍筋两端弯钩有效拉结在刚上下钢筋网片节点上,这样才能保证结构整体共同作用,达到设计要求。 防治措施:施工时保证每个箍筋按要求绑扎到位,在浇筑混凝土前应逐一排查,将漏绑绑扎到位。
(二)墙体
通病一
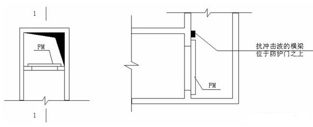
现象:直接受侧向冲击波的人防门没有考虑抗侧向冲击波措施。 分析:若防护密闭门侧向受冲击波时,防护密闭门应嵌人墙体l00mm,或者在门的受冲击波一侧做一根突出墙面l00mm、宽度为200mm的柱子(图八)。

图八 防护措施一
当防护密闭门在竖井边且其正上方无遮挡物时,也应设置一根突出墙面l00mm、高为200mm的梁,与柱子组成门套。柱子与梁的箍筋锚固长度为墙板的厚度(图九)。悬板活门、胶管活门应嵌入墙内,嵌入墙体的深度由设计定。

图九 防护措施二
防治措施:该位置施工措施图纸上都有表示,但施工时容易遗漏,施工工作面狭窄,不利于操作,施工单位不要嫌麻烦,要保证按要求设置。
通病二
现象:人防门门洞转角处,没有绑扎斜向钢筋。
分析:人防门门洞下角的内外侧,应配置两根直径16mm的螺纹斜向钢筋,其长度不应小于1000mm。当墙体厚度大于400mm时,应配置三根直径16mm的螺纹斜向钢筋,其长度不应小于1000mm(图十)。

图十 洞口加强筋
防治措施:钢筋混凝土墙体配筋构造及洞口加强等措施要严格按照设计说明设置,监理单位应重点查验加强筋的设置是否正确。
通病三
现象:临空墙的钢筋没有按图成型和绑扎,内外侧钢筋颠倒。 分析:临空墙是指人防工程中一侧受冲击波直接作用,另一侧为人防内侧且临空的墙体(图十一)。临空墙战时受水平冲击荷载作用,其配筋有特殊性,内外侧竖向筋规格往往不同,弯锚方向及长度均与普通内墙不同,应该按照施工图配筋。现场应重点检查临空墙的外侧与内侧钢筋的规格。这里的外侧和内侧是相对临空墙而言,外侧是指防护区外,内侧是指防护区内。

图十一 临空墙
防治措施:施工现场管理技术人员要认真核实临空墙的内外侧,认真指导操作人员按图纸要求绑扎两侧的钢筋。
通病四
现象:临空墙在底板中的锚固长度不够。 分析:外侧钢筋应伸到板底后再向防护区内锚固,水平锚固段长度应满足35d+墙厚(图十二)。若底板较厚(1米),临空墙钢筋可以锚固到板底。相邻的两个防护单元之间隔墙的垂直钢筋应考虑双向锚固。由于临空墙在底板中的锚固筋较长,水平锚固段必须与底板下层钢筋绑扎牢固。
防治措施:施工人员要分清临空墙、门框墙、外墙、内墙、密闭隔墙等墙体的区别,在钢筋施工时分别按要求绑扎。
通病五
现象:外墙对拉杆件不设止水板。临空墙、密闭墙、单元隔墙、门框墙在支模板时,固定模板的对拉螺栓采用套管。 分析:因为人防工程的墙体多为钢筋混凝土墙,且墙都比较厚,固定模板用的对拉杆件的中段必须设置止水板,同时对拉杆件严禁采用套管。 固定模板的对拉杆件采用套管时,模板拆除施工方便,而且对拉杆件可重复利用,节省成本,但这种做法仅适用于内墙,如果用于人防工程外墙、临空墙、密闭墙,人防工程的防护功能将大大降低。 防治措施:加强施工管理,监理人员旁站督促到位。在制作对拉杆件时就明确内外墙的区别,外墙对拉杆件应设止水板,止水板与拉杆间应满焊(图十三)。

图十三 穿墙对拉杆件做法
通病六
现象:临战封堵的预埋件规格太小或预埋的位置错误。战时加固的预埋件设置的标高和轴线错误,与钢筋没有连接牢固。 分析:临战封堵预埋件可使用角钢或钢板,角钢和钢板后面都应该用钢筋锚固到混凝土中。当临战封堵部位有下槛时,可使用角钢作为预埋件。角钢应与结构面平,其长度同门洞宽。角钢宜采用∟80808mm或∟100100l0mm。角钢应预埋在非防护区一侧,钢板可使用在各种不同的结构形式中,宽度应满足封堵构件的焊接要求,长度等于门洞的宽度,厚度不得小于l0mm。战时加固预埋件应与结构面平,用点焊把预埋件的锚固筋与底板钢筋固定牢,并保证预埋件的轴线准确。 防治措施:认真阅读图纸,土建专业要与设备专业密切配合。
通病七
现象:人防门门框角钢预埋的位置和方向错误,角钢的锚固筋没有锚固到门框墙中并固定牢。 分析:人防门的门框角钢预埋的位置方向应准确,防护密闭门、悬板活门和胶管活门的角钢应预埋在非人防区一侧,密闭门的角钢应预埋在染毒区一侧,滤毒间的密闭门角钢应预埋在密闭通道内,角钢的闭锁盒开口大头在下,小头在上,门轴位置与设计施工图一致。门框角钢与结构面平,角钢的锚固钢筋应锚固到门框墙内,并用点焊把锚固筋与门框墙钢筋固定牢。 防治措施:人防门门框安装应由防护设备定点企业专业队伍完成,土建施工单位要与之密切配合,安排好施工顺序,监理验收核对无误后方可支模隐蔽。
通病八
现象:人防专业防护设备及门框由一般施工队伍安装,没有检验评定资料。 分析:施工配合不到位,有的防护设备生产厂家与总包单位私下达成协议,防护门框及设备安装由一般的施工队伍进行安装,质量监督站在检查时发现人防门门框及其他防护设备安装质量达不到要求,没有专门的防护设备验收资料。 防治措施:监理单位要督促防护设备厂家按照质量要求进行安装操作,要求其填写《河北省人民防空工程质量验收资料管理软件》写相应的报验资料。
通病九
现象:门框墙钢筋绑扎错误。 分析:门框墙要承受门扇传来的水平冲击波荷载,而且很大。在门框墙钢筋绑扎时,与门边垂直方向的钢筋是受力筋,有的施工人员误将门框墙当成承受压力的门柱,以为纵向筋应是受力筋,横向筋应是箍筋,造成门框墙钢筋绑扎错误(图十四)。

图十四 门框墙受力分析图
防治措施:严格按图纸施工,门框墙受力筋的直径不应小于12mm。另外,由于外侧受力筋锚固要求,其开口部位一律放置在门里侧的侧墙内,不能像箍筋那样交错布置。
通病十
现象:人防门门槛处或战时封堵预埋钢板下部混凝土振捣不充分,空鼓现象较多。 分析:由于门框墙位置必须一次性浇筑完成,而且门框墙钢筋密度较大,门框下侧门槛处无法实施振捣,只能通过混凝土的自然流淌将其填满。战时封堵预埋钢板下部混凝土振捣不充分的原因于此类似。 防治措施:门框墙位置处混凝土要求必须振捣密实,严禁出现大面积蜂窝麻面和空鼓现象。施工时一定要注意施工配合,振捣孔要封堵密实,杜绝漏浆跑浆现象。
通病十一
现象:人防门门框角钢的锚固筋没有锚固到门框墙中并固定牢靠。 分析:门框角钢面与结构面平齐,角钢的锚固钢筋应锚固到门框墙门框墙内,并用点焊把锚固筋与门框墙内钢筋固定牢。否则,在混凝土浇筑振捣时极易造成错位从而影响门扇的正常安装和开启。 防治措施:支模前检查相关部位按图纸要求施工完毕后,方可进行下一步工序。
通病十二
现象:人防门开启方向错误。 分析:人防门开启方向为:车库坡道的防护密闭门应朝向坡道方向开启(朝向工程口外),进风口部滤毒室及密闭通道的两扇密闭门均应朝向密闭通道内开启;排风口部简易洗消间及防毒通道内的两扇密闭门,经常会因战时排风管的安装无法正常启闭;楼梯或斜坡处的防爆波活门标高应在楼梯或斜坡之上或之下。 防治措施:人防门安装是不应只考虑平时使用方便,应根据设计图纸要求,由防护设备定点厂按要求安装。
通病十三
现象:施工缝留置错误,造成工程渗水。 分析:人防工程施工缝是渗水的重要通道,要尽量避免施工缝的数量,外墙施工缝留置要遵循以下原则:一般在一个浇筑区段内不宜再留竖向施工缝。水平施工缝一般设两道,一道在底板以上300-500mm处,不得将施工缝留在外墙与底板交接处,另一道留在外墙上端,在插入墙内的顶板负弯矩钢筋的端头之下(图十五)。

图十五 墙体施工缝留置

图十六 施工缝形式
防治措施:施工缝的形式分:凸缝、凹缝、V型缝、阶梯缝等(图十六)。施工时要选择正确位置和形式留置施工缝。
(三)顶板
通病一
现象:板柱结构顶板施工时,上层或下层双向钢筋的位置颠倒放置。 分析:人防工程板柱结构的受力计算与普通双向板受力计算不同,长向钢筋为主受力筋(图十七),一般的设计图纸都有标明X,Y方向钢筋位置关系,施工人员往往习惯性的按照双向板短向为主受力筋配置顶板钢筋,造成错误。


图十七 板柱结构顶板钢筋位置关系
防治措施:一般情况下,顶板的上层或下层双向钢筋,与长边平行的钢筋布置到钢筋网的最外侧,现场施工人员一定要搞清楚位置关系,严格按照图纸施工。对于已经完成绑扎而位置颠倒且返工困难的,可以请设计单位根据情况核算,用短附筋补强。
通病二
现象:未设置人防门吊钩,或者吊钩的规格和位置错误。 分析:由于人防门的门扇很重,吊钩的作用是在安装门扇时协助起吊,方便门扇运输和位置调整。这种通病现象在人防工程建设过程中时有发生,主体施工单位认为这是人防设备生产厂家的事情,两个单位配合不密切,给后期门扇安装带来很大的困难。 防治措施:人防门的门扇吊钩应钩住顶板的上层钢筋,吊钩应放置在门扇宽度的中点以门轴转过45o处(图十八)。不同型号的人防门的吊钩规格应按设计图纸说明中设置,图纸中未进行详细说明的可按(表一)设置,或预埋20以上吊钩。吊钩严禁采用冷加工钢筋制作。

图十八 门扇吊环位置及规格

表一 吊钩规格表
(四)其他土建专业通病
通病一
现象:板、墙的箍筋(拉结筋)数量不足,没按梅花形布置。墙板拉结筋弯钩长度不够,角度不够,弯钩角度偏小。 分析:在核爆动荷载作用下,结构瞬间受正负荷载作用,受拉和受压钢筋的作用发生相互转换。墙板箍筋(拉结筋)可保证受拉筋和受压筋的共同作用。防护结构利用了钢筋混凝土的弹塑性工作阶段,允许混凝土产生裂缝,塑性铰部位可能有局部混凝土破碎震落。密置的墙板箍筋(拉结筋)可防止碎块脱落,保持混凝土的整体性。以保证构件在延性状态下发挥作用。墙板箍筋必须勾在墙板两侧钢筋网的十字交叉点上,不设或少设墙板箍筋(拉结筋)必将降低结构的抗力(图十九)。有的施工单位嫌麻烦,认为墙板的箍筋(拉结筋)设置这么密没什么必要,因而大大减少了墙板箍筋(拉结筋)的数量,墙板箍筋下料时没有考虑主筋十字交叉处的尺寸,绑扎施工操作不当,草率施工应付了事,这是不允许的。

图十九 箍筋配筋示意图

图二十 箍筋制作及绑扎
防治措施:人防工程的施工技术人员不断地总结拉结筋施工的技巧,一些工地发明了如图这样的扳手,它是一根1米左右长度的钢筋,端头焊接一个比拉结筋尺寸大一号的螺母,施工时两个工人配合,一个人扶正拉结筋位置,另外一个人将拉结筋的一端套在螺母上,然后向一个方向用力,将拉结筋的一端弯成135(图二十)。这样的操作大大提高了拉结筋的施工速度和质量,这种做法值得推广。
通病二
现象:板上下层钢筋或墙体两侧钢筋的十字节点对不齐,造成箍筋下料长度不够,使墙板的箍筋无法施工。 分析:布筋时没有考虑两层钢筋的位置关系,绑扎过程中由于人员踩踏造成位移。这样的通病在人防工程施工现场广泛存在,施工现场管理不到位,对绑扎完成的操作面保护不够,绑丝松垮脱落现象严重,造成大面积钢筋位移(图二十一)。

图二十一 板墙箍筋施工要求
防治措施:顶底板上下层钢筋或墙体两侧钢筋应一一对齐,每隔一米设置一道控制线。绑扎施工完成后注意保护,严禁无关人员随意踩踏。
通病三
现象:一、二级钢筋代换时,按照一般建筑工程常用的代换法计算并施工。 分析:人防工程一般不宜进行钢筋代换。必须代换时,应经设计单位同意。人防工程钢筋代换与一般建筑工程常用的代换法有所不同。 因此,不同种类的钢筋代换需要再乘 以相应的调整系数(表二)。

表二 钢筋代换调整系数表
防治措施:人民防空工程施工及验收规范》(GB20134-2004)第6.3.2条规定钢筋的级别、种类和直径应按设计要求采用。当需要代换时,应征得设计单位的同意,并应符合下列规定: 1.不同种类的钢筋代换,应按等强代换的原则进行; 2.钢筋代换后,应满足设计规定的钢筋间距,锚固长度、最小钢筋直径、根数等要求; 3.对重要受力构件不宜用光 面钢筋代换变形(带肋)钢筋; 4.梁的纵向受力钢筋与弯起钢筋应分别进行 代换。