文章以下图中的柱梁和节点为例:(图纸可通过加文章末尾的QQ群获取)

第一种场景
针对概算的情况下,怎么通过表格和建模完成快速的算量
表格算量:
钢柱:从图中得到GZ1/GZ2的底标高为-0.27,GZ3的底标高为-1.57,由于图中没有明确描述3.42M层钢柱顶端标高,我们就按照本层的钢柱顶标高为3.42为准,即钢柱长度分别为3690,3690,和4990,并数出三种钢柱的数量5根、11根,3根。进行如图表格输入:(打开GJG2018点击绘制表格输入)

钢梁:概算可忽略钢梁节点扣减长度,因此,钢梁长度即为轴线长度,因此我们可根据图纸输入:

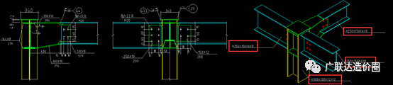
节点:首先我们需要结合结构图和大样图确定某种节点的数量和尺寸,然后在吧对应的节点钢板输入到所归属的主构件中(一般柱梁节点中,钢板与那个构件相连就归属在那个构件中,如果都有相连,那就归属在主构件中),例如下图节点:


建模算量:
【cad识别柱梁】
1、导入图纸并进行分割:
2、cad识别轴网:左侧导航栏选中轴网点击CAD识别点击左上角提前轴线,按提示完成操作点击提取标识,注意要把轴号和绿色标注都提前点击自动识别:ps(如果按图层无法正确识别,可按颜色进行提取识别)

3、识别柱与梁构件表:(注意柱梁的名称要与结构图一致,例如GL-1与GL1名称必须统一)

4、CAD识别钢柱/钢梁:左侧导航栏选中钢柱左上角提前柱边线左上角提取柱标识自动识别柱调整部分钢柱底标高


5、创建计算节点:要注意,这里如果只是需要做概算的话(允许部分扣减量损失),可以直接用万能节点输入。


并可将其应用到有相同节点的位置。减少重复计算时间。
第二种场景
想要对施工图纸进行精确的算量,需要考虑各种钢柱,钢梁,与非矩形钢板的扣减问题。
表格算量:
需要实际测量钢柱和钢梁扣减之后的长度,考虑到各个位置的节点扣减长度和关系不一致,这一步可能会花费大量的时间,这里暂不做演示。
建模算量:
相对第一种情况,前面的CAD识别操作一致,唯一的区别在于节点创建的时候,需要按照图纸的要求选择对应的节点样式(不能选用万能节点,因为它不能扣减)。


(明显可看到常见真实节点后,钢梁长度自动扣减)
综上:针对需要概算和小型的钢结构项目,任然可以使用软件内置的表格输入完成,而且数据来源可靠,速度较快;但是针对大型的钢结构,要求精确计算的时候,就需要用到建模计算的方法了。