管道工程图概述:
1.1 管道工程图的分类
(1)按工程项目性质分类:
工业管道工程图:为生产输送介质,为生产服务的管道系统;
卫生管道工程图:为生活或改善劳动卫生条件而输送介质的管道属于建筑安装工程领域。
本课件学习以卫生管道工程图为主。
(2)按专业分类:
在建筑安装工程范围内卫生管道工程图又可分为建筑给水排水管道、供暖管道、燃气管道、通风与空调管道等。
(3)按图形和作用分类:
1、基本图纸:图纸目录、设计施工说明、设备材料清单、工艺流程图、平面图、轴测图、立(剖)面图等。
2、详图:大样图、节点详图和标准图等。
1)图纸目录:便于查阅和保管,将一个项目工程的施工图纸按一定的名称和顺序归纳整理编排而成。通过图纸目录,可知道该项目整套专业图的图别、图名及其数量等。
2)设计施工说明:设计人员在图样上无法表明而又必须要建设单位和施工单位知道的一些技术和质量的要求,一般以文字的形式加以说明。其内容包括工程设计的主要技术数据,施工验收要求以及特殊注意事项。
如空调工程施工图纸的设计说明则有空调冷负荷、耗电、耗水指标等。
3)工艺流程图:是整个管道系统整个工艺变化过程的原理图。是设备布置和管道布置等设计的依据,也是施工安装和操作运行时的依据。通过此图,可全面了解建筑物名称,设备编号,整个系统的仪表控制点,可确切了解管道的材质,规格,编号,输送的介质与流向以及主要控制阀门等。
4)平面图:管道平面图是管道工程图中最基本的一种图样。主要表示设备、管道在建筑物内的平面布置,表示管线的排列和走向,坡度和坡向、管径和标高以及各管段的长度尺寸和相对位置等具体数据。
5)轴测图:是管道工程图中的重要图样之一。它反映设备管道的空间布置,管线的空间走向。建筑给水排水和暖通工程图,通常结合平面图和轴测图进行识图。
6)立(剖)面图:是管道工程图中常见图样。主要反映管道在建筑物内的垂直高度方向上的布置,反映在垂直方向上管线的排列和走向以及各管线的编号、管径、标高等具体数据。
7)节点详图:是对以上几种图样无法表示清楚的节点部位的放大图。能清楚地反映某一局部管道和组合件的详细结构和尺寸。
8)大样图:是表示一组设备的配管或一组管配件组合安装的详图,能反映组合体各部位的详细构造和尺寸。
9)标准图:是一种具有通用性的图样。是为使设计和施工标准化、统一化,一般由国家或有关部委颁发的标准图样。其反映了成组管件、部件或设备的具体构造尺寸和安装技术要求,是整套施工图纸的一个组成部分。
1.2 管道工程图的表示方法
管道工程图是设计人员用来表达设计意图的重要工具。为保证管道工程图的统一性、便于识图性,管道工程图中管线表示方法必须按国家标准进行绘制。
(1)管道线型:管道工程图上的管道和管件必须采用统一的线型来表示。如管道线型规定中有粗实线、中实线、细实线、粗虚线、中虚线、细虚线、细点划线、折断线、波浪线等。
(2)管道代号:管道图中,若有多种管道,应在管线的中间注上规定的字母符号以区别各种不同的管路。常见的管道代号有:

若管道图中仅有一种管道或统一图中大多数相同管路,其管道代号可略去,但在图纸中加以说明。
(3)管道图例:管道图中的管子,管件和阀门采用规定的图例加以表示,其并不完全反映事物的形象,只是示意性地表示具体的设备或管件。因此,要熟悉常用管件和阀门的图例,以便于流畅的识读图纸。
(4)管道标高与坡度:为了表明管道在空间的位置,往往对其相对标高进行标注。标高以m为单位。压力管道、圆形风管应有管中心标高。重力管道、沟道宜分别标注管内底、沟内底标高。
管道坡度宜采用单线箭头表示,如下:

(5)管径标注与系统编号
1、管道工程图中标注管径的符号有De、DN、d、ф。
1)De--主要是指管道外径,一般采用De标注的,均需要标注成外径壁厚的形式。常用于表示无缝钢管、焊接钢管(直缝或螺旋缝)、铜管、不锈钢管、PPR、PE管、高密度聚乙烯管(HPPE)、聚丙烯管管径及壁厚。
2)DN--是公称直径,一般来说,GB/T50106-2010《给水排水制图标准》上都有规定,水煤气输送钢管(镀锌或非镀锌),铸铁管等管材,管径宜以公称直径DN表示。聚乙烯(PVC)管、钢塑复合管管径也常用公称直径表示。
以镀锌焊接钢管为例,用DN、De两种标注方法如下:DN20 De252.5mm ;DN25 De323mm ;DN32 De404mm。
3)d--混凝土管公称直径
钢精混凝土管以内径d表示(如d230,d380)等。
4)ф--无缝钢管公称直径。在通风空调工程中圆形风管也用其表示外径。如ф100:1084、ф320等。
2、管道工程中管道标示及系统编号
管径尺寸应标注在管道变管径处;水平管道的管径尺寸应标注在管道上方;斜管道(指轴测图中前后方向的管道)的管径尺寸应标注在管道的斜上方;竖管的管径尺寸应标注在管道的左侧。

为使管道图表示的管道系统更为清楚,当建筑物的给水排水进出水口数量多于一个时,采用阿拉伯数字进行编号,如图:

当建筑物内穿过一层及多于一层楼层的立管数量多于一个时,也常采用阿拉伯数字编号,如图:

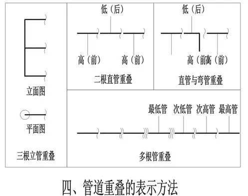
(6)管道转向、连接、交叉、重叠的表示方法:



1.3 管道工程图的特点:
识读管道工程图时应注意以下特点:
(1)管道工程图中的设备、管道、部件均采用国家统一图例符号加以表示。
(2)管道工程图与房屋建筑图密布可分。
(3)管道系统有始有末,总有一定得来龙去脉。识图时可沿(逆)管道内介质流动方向,按先干管后支管的顺序进行识图。
(4)在水暖工程图中,应将平面图和系统轴测图对照阅读。
(5)掌握管道工程图中的习惯画法和规定画法
A、给水排水工程图中,常将安装于下层空间而为本层使用的管道绘制于本层平面图上;
B、管道工程图中,某些不可见的管道(如穿墙和埋地管道等)不用虚线而用实线表示;
C、管道工程图是按比例绘制的,但局部管道往往未按比例而是示意性的表示。局部位置的管道尺寸和安装方式由规范和标准图来确定。
D、室内给水排水系统轴测图中,给水管道只绘制到水龙头,排水管道则只绘制到卫生器具出口处的存水弯,而不绘制卫生器具。
采暖与通风空调工程图
一、供暖工程系统组成
热源、室外热力管网和室内供暖系统
热源:生产热能的部分,常见的有锅炉和热电站等
室外热力管网:是输送热能(热能以蒸汽和热水的形式作为介质来输送的)动各用户点的管道系统。
室内采暖系统:是以对流或辐流的方式将热量传递到室内空气中的供暖管道和散热器所组成部分。
二、供暖系统分类
供暖系统按传递热媒种类的不同,分为热水供暖系统、蒸汽供暖系统、热风供暖系统和烟供采暖系统等。
热水供暖系统:热水供暖所采用的热媒是热水(低于100℃)或高温热水(110~130℃)。
蒸汽供暖系统:高温蒸汽经供暖管道输送至用户点,通过散热装置向室内供暖。
热风供暖系统:是将空气加热到适当温度(35~50℃)后,直接送入房间,与房间空气混合,是房间温度升高以达到供暖目的。
烟气供暖系统:利用燃料燃烧产生的高温烟气,在输送过程中向房间散热以进行供暖的方式。
三、热水供暖系统
(1)热水采暖系统的组成和分类
A、根据热水在系统中循环流动的不同,可分为自然循环热水采暖系统和机械循环热水采暖系统。
自然循环热水采暖系统:主要依靠冷热水的重力密度的不同,形成自然循环流动。这种系统由锅炉、供水管、散热器和回水管组成。
机械循环热水采暖系统:主要依靠系统中的水泵作为动力,促进系统的循环流动,这种系统由热源、管道(热水管、回水管)、散热器和水泵所组成。

B、按热水干管敷设位置的不同,可分为上分式(上供下回式),中分式(中供式)和下分式(下供下回式)系统;
上分式:供水干管位于系统的顶层,回水管敷设于系统的地层。
下分式:供水干管和回水干管均位于系统的底层;
中分式:供水干管位于系统中的中部,分上部系统和下部系统。

C、按立管的布置特点可分为单管式和双管式系统;
图2-1,该机械循环热水供暖系统的左侧,连接每个散热装置的热水供水管和连接散热器底部的回水管是分开设立的,称为双管式系统。而该系统右侧部分,热水供水管和回水管是共用的,即散热装置通过供水管和回水管串联连接,上层散热器的回水管是下层散热器的供水管。
D、按管道敷设方式的不同,可分为垂直式和水平式系统。
垂直系统:散热器在垂直方向上通过供水和回水管连接,供回水管与供水立管相平行;
水平系统:散热器在水平方向上连接,散热器的供水管和回水管与供水立管相垂直,且水平系统仅有单管式。按水平干管与散热器连接方式可分为水平串联(图2-7)和水平跨越式(水平并联,图2-8);

水平系统:水平串联式和水平跨越式(图2-7、图2-8)
(2)热水供暖系统的具体样式
垂直式系统:
上供下回式(上分式);
下供下回式双管系统(下分式);
中供系统(中分式);
下供上回式(倒流式,传热效率较低,散热器面积较大,适用于高温热水供暖系统)系统;
混合式系统(下供上回式和下供下回式两系统组成);
同程式系统与异程式系统;同程式易于平衡阻力,用于较大的建筑物内。

同程式系统:供回水干管中的水流方向一致,通过各个立管的循环环路长度基本相同。
回水干管中得水流方向相反,通过各个立管得循环环路的总长度都不相等,这样的系统称为异程式系统。
四、蒸汽供暖系统
(1)蒸汽供暖系统组成
组成:热源、管道(蒸汽管、凝结水管)、散热器、疏水器(汽水分离设备)
(2)蒸汽供暖系统的基本样式
与热水供暖系统的基本样式类似,主要的蒸汽供暖系统样式有:
双管上供下回式(蒸汽管干管和凝结水干管分开设立,蒸汽干管位于系统顶层,凝结水管位于系统底层);
双管下供下回式(蒸汽管和凝结水管均设置在系统底层);
上供上回式;单管串联式;
五、采暖工程图的识读
采暖工程图的组成:平面图、系统图和详图三部分组成。
平面图:主要表达了管道、附件及散热器在建筑平面上的位置,以及它们之间的相互关系,是施工图纸的主体部分。识读内容:
A、热源入口在平面上位置、管道直径、热媒来源、流向等;
B、建筑物内散热设备的平面布置、种类、数量以及散热器的安装方式(明装、暗装);
C、供水干管的布置方式,干管上阀门、附件的位置和型号以及干管直径等;
D、按立管编号理清立管在平面图中的位置及数量;
E、查明膨胀水箱、集气罐及设备的平面位置、规格尺寸。
系统图:表示了从热媒入口到热媒出口的供暖管道、散热设备、主要阀件的空间位置和相互关系的图形。表明整个供暖系统的组成及设备、管道、附件等的空间布置关系,表明了立管的编号,各管的直径、标高、坡度、散热器的型号和数量、膨胀水箱和集气罐及阀门的位置。识读内容:
详图:是包括标准图和非标准图在内的,供暖系统和散热器安装、疏水器、减压阀、膨胀水箱的制作和安装详图。
通风空调工程
一、通风空调工程概念
通风:把空气作为介质,使之在室内的空气环境中流通,用来消除环境中危害气体的一种措施。主要指送风、排风、除尘、排毒等方面工程。
空调:在前者基础上发展起来的,是指为满足生活生产要求,改善劳动环境,采用人工的方法使房间内的空气温度、向度湿度、洁净度、气流速度、气味、气压等达到一定要求的工程技术。
二、通风系统
1、通风系统组成
送风系统:进风装置、过滤装置、送风机、送风管道、送风口等
排风系统:排气罩(排风口)、排风道、净化处理装置、排风机和风帽等
2、通风系统分类
按作用范围分为:局部通风和全面通风
按工作动力分为:自然通风和机械通风
自然通风可分为:有组织的自然通风、管道式自然通风、渗透通风。
机械通风可分为:局部机械通风(局部送风和局部排风)和全面机械通风。
三、空调系统
1、空调系统组成
组成:空气处理设备、回风口、回风机、空调装置、送风管道、送风机、新风口。
2、空调系统分类
按空气处理设备的集中程度:集中式、半集中式和局部式。
按处理房间冷、热负荷所用介质:全空气式系统(风道系统)、全水式系统(风机盘管系统和冷辐射板系统)和空气-水式系统以及制冷剂式系统(整体式空调机组)。
四、通风空调工程图组成
通风空调工程图主要表达通风空调的系统和设备布置为主,一般由以下几个部分组成:
(1)平面图:(系统平面图、空调机房平面图)
(2)剖面图:空调系统剖面图;空调机房剖面图
(3)系统图:表明风道在空间上的曲折和交叉及管件的相对位置走向。
(4)原理图:表明整个系统的原理和流程。
(5)详图:设备的安装详图。
五、通风空调工程图的识读
1、通风空调工程图基本图例识别
2、平面图、剖面图、系统图联合识读。
(1)平面图了解设备、管道平面布置位置及定位尺寸;
(2)剖面图了解设备、管道在高度方向的位置情况、标高尺寸及管道在高度方向上的走向;
(3)系统图了解整个系统在空间上的概貌;
(4)原理图了解空调房间的设计参数,冷(热)源、空气处理机、输送方式等
(5)详图了解设备、部件的具体构造、制作安装尺寸和要求。
3、对于系统识读时,按空气流向进行识读。
(1)通风工程图:
送风系统为:送风口-进风管道-通风机-主干凤管-支风管-送风口;
排风系统:排风罩-吸风管道-排风机-立风管-风帽
(2)空调系统图
新风口-新风管道-空气处理设备-送风机-送风干管-送风支管-送风口-空调房间-回风口-回风机-回风管道-空气处理设备。