暖通空调工程概述
暖通空调工程的主要功能
(1) 为避免冬季、夏季室内温度、湿度过低或过高,室内工作和生活的人员所产生不舒适感,采用人工方式,消耗一定的能源,按需要搬运转移空气中的热量、水分,营造使人体感觉舒适的室内环境。
(2) 为使在建筑物内部工作的机器、设备及部件正常运转,维持室内合乎机器设备正常运转的温湿度。
(3) 按消防法规要求,暖通空调工程还担负着为在火灾发生时利用机械通风设备,强制排出火灾燃烧烟气和强制输入室外新鲜空气的作用。
(4) 在大多数附有地下室或无外部通风构造的室内空间的建筑物中,暖通空调工程利用机械通风设备强制实现室内外空气的交换。
暖通空调工程的主要设备
设备是暖通空调工程的心脏,其功能有提供冷热源、提供输送动力、热能转换等。具体而言,提供冷热源的设备即空调主机,包括制冷机组、供热锅炉等,它们通过输入能量,制造或产生我们需要的冷量或热量;提供输送动力的设备主要指水泵和风机,它们提供了输送动力,使得流体按我们的需要流动;热能转换则是根据我们的需要将流体中的热能通过换热装置转换出来,常见的水-水换热器、汽-水换热器和空气-空气换热器属于此范畴。值得一提的是,我们常使用的风机盘管、空气处理机组等设备组合了风机与换热盘管,既提供了空气输送动力又提供热能交换,一般被称为空调末端设备。

在空调工程中为保证空气品质还有空气净化设备,如各种过滤器、吸附装置、消毒灭菌设施等;在水系统中则有各种各样的水过滤装置、水处理装置和加药装置;为实施自动控制而设置的各种电动风阀、电动水阀、温控装置等也常被纳入暖通空调设备范畴,但它们在系统中主要起辅助、提升系统品位的作用,我们一般称之为辅助设备或设施。
1.空调冷源设备
(1) 空调冷源设备的特点与分类
集中空调系统,一般所担负的空调面积大、房间多,因此,空调冷源设备容量通常很大。空调工程能耗是建筑能耗中的重要部分,而冷源设备又是空调工程的主要能耗设备,因此,冷源设备的选择关系到工程的投资、运行费用及能源消耗。冷源设备在空调工程具有十分重要的地位。
空调工程中常用冷源的制冷方法主要分为两大类:一类是蒸汽压缩式制冷,另一类是吸收式制冷。压缩式制冷,根据压缩机的形式可以分为活塞式(往复式)、螺杆式和离心式等,一般利用电能作为能源。吸收式制冷,根据利用能源的形式可以分为蒸汽型、热水型、燃油型和燃气型等,后两类又被称为直燃型,这类制冷机以热能作为能源。根据冷凝器的冷却方式又可分为水冷式、风冷式。根据机型结构特点还有压缩机多机头式、模块式等等。
(2) 电制冷水冷式冷水机组
电制冷水冷式冷水机组属于蒸汽压缩式制冷范畴,一般主要由压缩机、蒸发器、冷凝器、膨胀阀、自动控制和保护装置组成。顾名思义水冷式冷水机组的冷凝器利用水冷却,一般利用循环冷却水,随着科技的发展和节能的需要,也有采用地表水、地下水冷却的。在实际工程中我们根据压缩机类型一般分为离心式冷水机组、螺杆式冷水机组、活塞式冷水机组和涡旋式冷水机组。
离心式冷水机组单机容量大,制冷性能系数COP值高,但在部分负荷下运行时容易发生喘振现象。螺杆式冷水机组由于在压缩机构造上的特点,在部分负荷下仍能稳定、高效地运行,常被用于负荷波动大、需要调节的场合。活塞式冷水机组和涡旋式冷水机组均为小容量制冷机,其中活塞式冷水机组由于振动大、运行维护复杂,目前运用较少,而涡旋式冷水机组运行噪声小,调节方便,在小型工程中运用较多。

图1为电制冷水冷式冷水机组的图面示意,一般来说,在图纸上设备以方框表示,图中的电制冷水冷式冷水机组为水冷螺杆式冷水机组,我们可以看到主要的接管有空调水接管、冷却水接管,均为一进一出,旁边的空调水循环泵、冷却水循环泵则与空调主机配套形成完整的制冷循环过程。设备接管位置需要留出安装检修空间。而设备控制屏和电源进线位置则需要留出操作空间。设备的参数等要求应由图纸的设备表查出。
知识拓展:
性能系数(COP)又被称为能效比,是在规定条件下制冷机的制冷量与其净输入能量之比。水冷冷水机组的COP值较高,一般在4~6,其中水冷离心机组COP值一般为5~6,水冷螺杆机组的COP值一般为4.4~5.2,水冷活塞机组或水冷涡旋机组的COP值一般为4~5。风冷热泵机组的COP值一般为3左右。GB 50189-2005 公共建筑节能设计标准:

(3) 电制冷风冷热泵机组
电制冷风冷热泵机组是指利用风冷冷却的蒸汽压缩式制冷机组,其压缩机类型主要有螺杆式、涡旋式和活塞式。其中螺杆式压缩机被用于大型的风冷热泵机组,涡旋式和活塞式多用于小型或模块式风冷热泵机组。
风冷热泵机组在制冷循环上设有四通换向阀,蒸发器与冷凝器可以互换,从而实现夏季制冷冬季制热的功能。其优点是供热效率高,制热COP可达3.0以上,简化了空调热源的设置,在中、小建筑中得到广泛的应用,缺点是夏季COP低于水冷机组,在夏热冬冷地区的冬季工况中,结霜的现象使得供热效果不佳。
(4) 溴化锂吸收式冷水机组
溴化锂吸收式冷水机组是利用水在高真空度状态低沸点蒸发吸收热量而达到制冷目的的制冷设备。溴化锂水溶液作为吸收剂吸收其蒸发的水蒸汽,从而使制冷机连续运转,形成制冷循环。
溴化锂吸收式冷水机组一般可分为蒸汽型、直燃型和热水型等类型,直燃型包括燃油和燃气两种。它们之间的区别主要在于高压发生器,在高压发生器内吸收水蒸汽后变成的溴化锂稀溶液被加热蒸发,浓缩成溴化锂浓溶液,这个过程是吸热过程,其热源可以是蒸汽、热水,也可以是直接在高压发生器内燃烧燃料如油或气。所以,上述溴化锂冷水机组的分类和命名,主要是根据高压发生器所应用的热源类别而定。溴化锂吸收式冷水机组的优点是:以热能驱动,不直接耗用大量电能;不应用氟利昂类制冷剂,制冷剂采用水,对环境无影响,有利于环境保护;运行平稳,无噪声,无振动。
对于直燃型溴化锂吸收式冷水机组,夏季制冷,冬季可以制热,也可以同时供冷和供热,除了满足空调冷、热源的要求外,还可以提供其它生活方面的供热,做到了一机多用,可以节省占地面积和投资。
2. 空调热源设备
(1) 暖通空调热源设备的分类
按热源介质分可分为蒸汽锅炉和热水锅炉;按能源燃料种类分可分为燃煤锅炉、燃油锅炉、燃气锅炉、电锅炉和热泵设备;按设备承压分可分为常压热水锅炉、真空锅炉、承压锅炉;按热源的来源可分为自备热源、城市供热、工厂余热和废热等。
(2) 蒸汽锅炉
蒸汽锅炉根据提供蒸汽的压力分为压力锅炉和低压生活锅炉。承压低于0.1MPa的蒸汽锅炉在暖通空调供热中属于低压锅炉,不受压力容器类相关规范规程的监督。承压大于等于0.1MPa的蒸汽锅炉属压力容器,应当遵守蒸汽锅炉监察规程的规定,空调热源所选择的蒸汽锅炉一般是压力容器。当选用蒸汽锅炉作热源时,需要进行二次换热,将蒸汽通过热交换器加热空调循环水。
蒸汽锅炉可以是燃煤锅炉,也可以是燃油、燃气或电热锅炉。从环保角度而言,燃煤锅炉污染严重,尤其是在城市里,使用受到很大的限制。燃油、燃气和电热锅炉均能满足环保要求,但考虑燃料价格和国家节能政策因素,目前使用较多的是燃气锅炉。
知识拓展:压力容器
运行中最高压力大于等于0.1MPa,内直径大于等于0.15m且容积大于等于0.25m3的容器被成为压力容器。出于安全生产的需要,我国安监部门对锅炉等压力容器的设计、生产、运行均有一系列的标准和规程规范。
(3) 热水锅炉
热水锅炉根据运行压力分为承压热水锅炉、常压热水锅炉和真空热水锅炉。
承压热水锅炉可以提供水温高于100℃的高温热水,在我国北方的集中供热系统中运用较多,属于压力容器。
常压热水锅炉是指锅炉在运行时所承受的压力相当于大气压,即锅炉本体不承受压力,而空调供水是通过二次换热进行加热,空调循环水可以按设计要求承受不同压力,与锅炉本体无关。常压热水锅炉通常可分为内置式换热器外置式换热器两类,一般提供热水温度不超过90℃。
真空热水锅炉的锅炉本体内保持真空,锅炉本体也处于负压下工作,运行安全可靠。真空热水锅炉炉内水容积小,热水供应启动速度快,炉内充水可用软水或纯水,不结垢、无腐蚀,在蒸汽介质下,换热管的传热效率比较高,但需要设置一套真空装置。锅炉内的水容积比较小,相应的其热容量也比较小。

图2为热水锅炉的图面示意,设备外形按比例绘制在锅炉房内,燃烧机位置的突出是表示该位置需要经常操作、检修和维护,需要留有足够的空间。在接管方面需要落实设备的要求,本例中设备表除标明设备供热能力参数外,还标明为内置两套换热器,分别提供空调热水和卫生热水,则锅炉本体应有空调热水的供回水接管和卫生热水的供回水接管,锅炉烟道接口、排污管接口、通气管接口等需要通过设备厂家提供的随机文件确认。
(4) 热泵设备
热泵机组在制冷循环上设有四通换向阀,蒸发器与冷凝器可以互换,从而实现根据需要制冷或制热的功能。根据低位热源的种类可以分为空气源热泵(常称为风冷热泵)、地表水水源热泵、地下水水源热泵等。
热泵设备冬季提供的空调热水温度一般为45℃,在需要卫生热水的场合,也可以提供50℃以上的热水,由于提供热水的温度并不高,热泵设备有比较高的供热性能系数,空气源热泵的性能系数一般在3以上,地下水水源热泵的性能系数可以达到4.8以上。
3. 流体输送设备与空气处理设备
我们常遇到的流体输送设备是水泵与风机,在暖通空调工程中,它们将热能的载体(水或空气)输送到有需求的地方,同时也消耗了输送能耗。
(1) 水泵
暖通空调工程中使用的水泵一般式清水泵或热水泵,其输送液体为不含有体积超过0.1%和粒度大于0.2mm的固体杂质,清水泵输送液体温度为0~80℃,热水泵可以输送130℃以下的液体。比较特殊一点的是蒸汽锅炉给水泵,由于其要求小流量、大扬程,一般采取多级泵。
水泵的主要参数是流量、扬程和电机功率,高层建筑空调水系统为闭式循环,水泵承受的系统静压力远高于水泵自身的扬程,应注意核对,一般而言在最高工作压力不大于1.6MPa时可不必特殊订货。

图3为水泵接管的图面示意,图中表示的为立式离心泵,进水管设有闸阀、变径管、软接头,出水管设有软接头、变径管、止回阀和球阀。进出水管上设置的压力表是为了在运行中了解水泵的实际运行参数。我们可以注意到,在设备的进出口接管段设有软接头,设备与基础的连接设有隔振器,这些是为了避免水泵运行的振动通过基础和管道传递出去。
(2) 风机
暖通空调工程中常用的风机按其叶轮的作用原理可以分为离心式风机、轴流式风机和斜流式风机。离心式风机具有流量范围广、风压高的特点,轴流风机则具有风压低、流量大的特点,斜流式风机介于前两者之间。
根据风机输送介质的特点,风机有防爆风机、防腐风机、锅炉引风机,民用建筑中还有消防排烟风机。

图4为风机的图面示意,本例中风机为柜式离心风机,风机以其外形轮廓线表示,进风口和出风口设有风管软接头,可以在风机运转时隔离风机振动的影响。风机的参数需要从设备表中提取。
知识拓展:水泵与风机的并联运行
水泵与风机的并联运行是我们常遇到的情形,在一个暖通空调系统中,管道是固定的,如果有两台或多台输送设备并联运行,系统流量会增加,但不会与台数成倍数关系。这是因为固定的管路系统在流量增加后,阻力也随之增加,根据相关理论,阻力与流量的平方成正比,所以体现在系统的流量上就并不是与设备台数成倍数关系了。如果在正常运行工况下两台设备并联的流量为正常流量,那么单台设备运行时,其流量要大于正常流量的一半,这也导致了电机输出功率增加而有可能烧坏电机。
(3) 热交换设备
热交换设备是暖通空调工程中常用的设备,用于将不同温度的热媒之间进行热能的转换,如用高温热水或蒸汽加热低温水。对热交换设备的要求是传热效率高,体积小,结构简单和节省金属耗量,维修保养方便,阻力小等。
热交换器根据热媒的种类可分为汽-水换热器、水-水换热器;根据热交换方式可分为表面式热交换器和直接式热交换器;根据换热器的体积可以将其分为容积式换热器、半容积式换热器和即热式换热器。
表面式热交换器是加热热媒与被加热热媒不直接接触,通过金属表面间接进行热交换, 直接式热交换器是两种热媒直接混合达到热能转换的目的。
容积式换热器在工程中常遇到的是壳管式换热器,其结构简单,造价低,制作方便,运行可靠,维修方便。浮动盘管式热交换器属于半容积式换热器传热效率比较高,结构紧凑,占地面积小,运输、安装都十分方便。板式换热器属于即热式换热器,其特点是结构紧凑、体积小,拆洗方便,承压能力高,另外,板式换热器还有一个突出的特点是能够在小温差下传热,因而也广泛用于空调冷水系统竖向分区时的换热设备。
(4) 空气处理设备
空气处理设备用于对房间空调送风进行冷却、加热、减湿、加湿以及空气净化等处理,通常使用的有风机盘管、柜式空调器和组合式空调机组等,在暖通空调工程中常被称为空调末端设备。
风机盘管是空调工程中广泛应用的空气处理设备,由风机、换热盘管、机壳、凝结水盘等组成。风机盘管根据安装形式分为卧式暗装、卧式明装、立式暗装、立式明装等几种基本形式,根据送风压力可分为普通型和高静压型。风机盘管的主要设备参数是风量、风压、表冷器排数、运行噪声、电机功率等,产品样本所标注的冷量和热量是在指定工况下的情形,具体运用中应考虑实际工况的修正。
柜式空调器的构造和原理基本与风机盘管相同。柜式空调器处理空气的能力和机外余压都比风机盘管要大,可以接风管进行区域性空调。柜式空调器按结构形式可分为卧式和立式两类,按处理工况可分为空调机组和新风机组,空调机组的设计进风工况为室内回风工况,新风机组的设计进风工况为室外新风工况。
组合式空调机组是由各种不同的功能段组合而成的空气处理设备。组合式空调机组的基本功能段有:混合段,表冷段,加热段,喷淋段,过滤段,加湿段,新风、排风段,送风段,二次回风段,中间检修段,送、回风机段,消声段等。根据空调设计对空气处理过程的需要,可选用其中某些功能段任意组合。

图5为末端设备的接管示意图,风机盘管与吊顶式风柜的水管接管均有三个接口,分别是供水管、回水管和凝结水管,考虑设备振动的因素,接口处均设置软接头。一般来说考虑排出设备内热交换盘管的空气气的因素,回水管在上,供水管在下,凝结水管为自流排水,因此在设备底部接管。两者也有不同之处,由于吊顶式风柜的处理风量大、风压高,设备的尺寸要比风机盘管大,一般要利用梁内空间安装,因此吊顶式风柜的回水管上需要设置自动放气阀,而风机盘管除了在设备本体设置手动放气阀外,一般可以在梁下安装,利用回水管将盘管内空气带出。在凝结水的接管处理上,风机盘管的凝结水盘是露在外部的,因而直接接管即可,吊顶式风柜因为凝结水盘在设备内部,运行时设备内部存在负压,凝结水管需要设置水封,以利于稳定地排出凝结水,在这个环节上吊顶式风柜与组合式空调机组是相同的。
知识拓展:组合式空调机组的小知识
组合式空调机组的外壳通常是采用双层钢板(彩钢板)中间用聚氨脂发泡做作保温层,也有的采用钢板加保温层的做法。混合段设有回风和新风接口,作为新风和回风在此混合之用。表冷段和加热段都是采用表面式换热器作为热交换器,根据热媒的情况实现冷却、加热功能,表冷段可以使用7℃的冷水或60℃的热水作为热媒;加热段一般使用高温热水或蒸汽作为热媒,两种热媒的换热器结构有一定差别,选型时应标明以免误用。表冷段和加热段是分开设置还是合用一套应根据空气处理过程的需要而定。加湿段用于对空气进行加湿处理,一般在有蒸汽来源时采用蒸汽加湿,也有的采用电加热水产生蒸汽用于加湿。过滤段是对空气进行净化处理,根据对洁净度的要求和空气的质量,可选用粗效过滤器或粗效加高效过滤器两级过滤。中间检修段用于设备检修和运行维护,如热交换器的维修、过滤器的清洗和滤料的更换等,应根据组合情况的需要设置。喷淋段的作用比较复杂,它根据水温的变化可以实现冷却或加热、加湿或减湿等功能,相应的其运行管理也比较复杂,一般应用不多。

暖通空调系统的简介
暖通空调系统涵盖的范围比较广泛,采暖、通风、空调、冷热源系统均属于暖通空调系统。暖通空调系统为建筑内部空间提供舒适的工作条件、生活条件,可以说建筑的外在美要看建筑造型和立面,内在美则要看暖通空调系统运行的效果,所以暖通空调系统在建筑中占有很重要的地位。
1. 采暖系统简介
采暖系统由热源或供热装置、散热设备和管道组成,可以使室内获得热量并保持一定温度,以达到适宜的生活条件或工作条件。采暖系统的划分一般以热媒类型分为低温热水采暖、高温热水采暖、低压蒸汽采暖和高压蒸汽采暖,也有以散热设备形式分为散热器采暖、辐射采暖和热风机采暖。
在民用建筑中,采暖系统以低温热水采暖最为常见,散热设备形式也以各种各样的对流式散热器和辐射采暖为主。热源方面在北方严寒和寒冷地区由城市集中供热热网提供热源,在没有集中供热热网时则设置独立的锅炉房为系统提供热源。
长江中下游地区单独设置采暖系统的建筑并不多见,大部分建筑在空调系统的设置中利用空调系统向建筑提供热量,保证室内舒适性。随着人民生活水平的提高,部分高档次住宅设置了分户的采暖系统,热源采用燃气壁挂炉,散射设备采用散热器方式或地板辐射采暖方式。
2. 通风系统简介
广义的通风系统包括机械通风和自然通风,自然通风利用空气的温度差通过建筑的门、窗、洞口进行流动,达到通风换气的目的;机械通风则以风机为动力,通过管道实现空气的定向流动。机械通风系统的识图与安装是我们本书介绍的重点。
在民用建筑中,通风系统根据使用功能区分主要有排风系统、送风系统、防排烟通风系统,也有在燃气锅炉房等使用易燃易爆物质或其它有毒有害物质的房间设置事故通风系统、厨房含油烟气的通风净化处理系统等。通风系统的设置需要了解建筑功能需求,其过程不仅有空气的流动,往往还伴随着热、湿变化。
知识拓展:风量平衡、热平衡与湿平衡
根据能量守恒与质量守恒的原理,通风系统具有风量平衡、热平衡和湿平衡的特点。风量平衡即针对某一建筑房间,进入房间的空气质量与排出房间的空气质量相等;热平衡即房间进风与排风的热量差值应等于房间内部热源产热与房间散热之间的差值;而湿平衡则是房间进风与排风的湿量差值应等于房间内部散湿量。这几个平衡是我们理解通风系统的基础。
3. 空调系统简介
空调系统是以空气调节为目的而对空气进行处理、输送、分配,并空盒子其参数的所有设备、管道及附件、仪器仪表的总合。
在空调系统的分类上有许多方法,较多的是以负担室内热湿负荷所用的介质分为全空气系统、全水系统、空气-水系统和冷剂系统。
(1) 全空气系统:全空气系统的特征是室内负荷全部由处理过的空气来负担,由于空气的比热、密度比较小,需要的空气流量大,风管断面大,输送能耗高。这种系统在实现空调目的的同时也可以实现可控制的室内换气,保证良好的室内空气品质,目前在体育馆、影剧院、商业建筑等大空间建筑中应用广泛。
(2) 全水系统:全水系统的特征是室内负荷由一定的水来负担,水管的输送断面小,输送能耗相对较低。典型的全水系统如风机盘管系统、辐射板供冷供热系统,因为其没有通风换气作用,单独使用全水系统在实际工程中很少见,一般都需要配合通风系统一同设置。
(3) 空气-水系统:空气-水系统的特征介于全空气系统和全水系统之间,由处理过的空气和水共同负担室内负荷,典型的空气-水系统是风机盘管+新风系统,这种系统由于比较适应大多数建筑的情形,因此在实际工程中也应用最多,酒店客房、办公建筑、居住建筑等大多采用风机盘管+新风系统。
(4) 冷剂系统:冷剂系统顾名思义就是由制冷系统的蒸发器或冷凝器直接向房间吸收或放出热量,在这一过程中,负担室内热湿负荷的介质是制冷系统的制冷剂,而制冷剂的输送能量损失是最小的。最常见的冷剂系统是分体式空调、闭式水环热泵机组系统,近年来随着技术的进步,变制冷剂流量多联分体式空调系统(也就是我们俗称的VRV、MRV、HRV等)在实际工程中得到了普遍的应用,这也是一种典型的冷剂系统。
知识拓展:变制冷剂流量多联分体式空调系统
变制冷剂流量多联分体式空调系统即控制冷媒流通量并且通过冷媒的直接蒸发或冷凝来实现制冷或制热的空调系统,其特点是一台室外机可连接多达40台的室内机,室内机和室外机的配管长度可达150米(各厂商不同),可以灵活运用在各种规模、各种用途的建筑物。不再复述。
在一般情况下,空调系统的分类没有上述那么学究化,常按室内温湿度控制要求分为舒适性空调和工艺性空调,按提供冷热源设备的集中或分散分为中央空调或分体空调。舒适性空调是以人体舒适为目的,室内温湿度没有精度要求,如我们常见的商场、酒店、办公楼等民用建筑;工艺性空调则以满足工艺生产要求或室内设备要求而设置的空调系统,一般对温湿度等参数有精度要求,如医院手术室的净化空调系统、电子厂房的恒温恒湿空调系统、印刷车间的恒温恒湿空调系统等。
在实际工程中,中央空调的称谓可能更加广泛,其含义是由空调主机提供冷热源,通过管道、末端设备将冷、热量提供给有需要的房间,上述的全空气系统、全水系统、空气-水系统和冷剂系统中的变制冷剂流量多联分体式空调系统常被我们称为中央空调系统。
暖通空调专业施工图识图
暖通空调专业中常用的空调工程,一般都包含冷冻水、冷却水系统和风路系统等等,其中风路系统为空调工程所独有,冷冻水、冷却水系统的识图方面的内容,基本等同于给排水工程的识图内容,故而本节对于冷冻水、冷却水系统的识图内容不再另作赘述,着重介绍风路系统和暖通空调设备、部件方面的识图内容。
知识要点准备
1. 具备建筑构造识图制图的相应基本知识。
(1) 具备建筑构造识图制图基本知识:建筑平面图、立面图、剖面图的概念及基本画法;
(2) 具备建筑识图的投影关系的概念。
2. 具备画法几何的相应基本知识。
(1) 具备画法几何中轴测图的基本概念;
(2) 具备将平面图转换绘制轴测图的基本能力。
3. 具备空间想象能力
(1) 具备将平面图、原理图或者系统图中所表现出来的管道系统在脑海中形成立体架构的形象思维能力;
(2) 具备通过文字注释和说明将简单线条、图块所表达的暖通空调专业的图例等同认识为本专业不同形态、不同参数的管道和设备。
4. 具备基本专业知识
(1) 具备理解图中所出现的专业术语、名词的含义;
(2) 具备了解设计选用设备的基本工作原理、工作流程;
(3) 具备了解设计选用材料的基本性能和物理化学性质。
图纸目录
图纸目录是为了在一套图纸当中能快速的查阅到需要了解的单张图纸而将立起来的一份提纲挈领的独立文件。暖通空调专业的图纸目录也不例外,在本教材所提供的某综合楼建筑的暖通专业施工图当中,第一张图纸就是目录,见图6图纸目录组成。

(1) 暖通空调工程施工图图纸目录的内容一般有:设备表、材料表、设计施工说明、平面图、原理图、系统图、大样、详图等;(与给排水工程施工图目录相同)
(2) 一般因不同的设计院、设计工程师的传统和习惯不同,目录内容编制的顺序会有所差别,不过一般都会按照:说明平面图系统、原理图大样、详图的基本顺序进行编排;(与给排水工程施工图目录相同)
(3) 图纸目录内容大致都会体现:设计单位、建设单位、项目名称、图纸阶段(方案、初步设计、施工图等)、整套图号、页数、序号、名称、单张图号、标准或复用图号、折2#图张数、备注、制表、校核、审核等内容,上述内容编制的顺序会有所差别,不过一般都会按照:说明平面图系统、原理图大样、详图的基本顺序进行编排;(与给排水工程施工图目录相同)。
(4) 图纸目录一般先列新绘图纸,后列选用的标准图或重复利用图。
(5) 初次接触一套暖通空调工程施工图,其识图顺序应按照图纸目录进行。
设计说明和施工说明
设计说明部分介绍设计概况和暖通空调室内外设计参数;冷源情况;冷媒参数;空调冷热负荷、冷热量指标,系统形式和控制方法,说明系统的使用操作要点等内容。
施工说明部分介绍系统使用材料和附件,系统工作压力和试压要求;施工安装要求及注意事项等内容。
在本课件所提供的某综合楼建筑的暖通专业施工图当中,第二张图纸就是设计说明,编号:暖施-02。本设计说明包括了设计说明和施工说明两部分内容。
(1) 本教材所提供的某综合楼暖通空调工程施工图设计说明的内容有:
a. 设计依据:
设计依据必须来自于国家规范性文件,具有权威性;这些文件是强制推行的,具有法律效应;并且必须标明规范性文件的详细编号,还应精确到文件颁布实施的年份。
设计采用的标准和规范,只需列出规范的名称、编号、年份,设计气象参数则需列出具体数据,因本教材所提供的某综合楼建筑虚拟位于湖南省长沙市,所以均采用该地的设计气象参数。气象参数可以在专业设计手册或者工程所在地气象局获得。图7设计依据一为本教材提供施工图中采用的标准、规范和气象参数。

知识拓展:国家标准与规范的颁行年份
随着国家社会和经济的发展,国家针对某些规范在一定的时机会组织相关资源针对那些存在争议或者已经过时的条文进行修订,由于进行的工作仅仅是修订,所以在规范中,很多还能满足实际需要的条文会得到保留,整个标准和规范的框架都没有发生变化,所以,很多新修订的规范,在颁行时往往在规范名称和编号后面缀以(****年版),以示与以前规范的区别;并且,也标明了该标准和规范其法律效应从某一时间开始,那么,我们在设计文件当中不能援引过时的标准和规范。
暖通空调专业的设计依据当中还包括有室内计算参数,其表达的意思是:我们这幢建筑物室内的温湿度环境,在实施本设计后应该达到的目标。见图8,图纸上的表格详细给出了哪一类型的房间在冬季和夏季计算工况要实现的目标。

b. 设计说明:
本课件所提供的某综合楼暖通空调工程施工图设计说明通过表格的方式叙述了各房间的设计负荷,见图9:其中包括建筑功能、计算指标、计算负荷、建筑面积、夏季最大负荷出现时间等数值,实际上是对本幢建筑负荷计算的总体表现。

知识拓展:暖通空调工程负荷
设计计算负荷:在室外设计计算温度下,为达到一定的室内设计温度,暖通空调系统在单位时间内向建筑物供给的热量或冷量。
指标:指标的原意是再进行负荷计算后按建筑面积或空调面积分摊的负荷数据,通过大量工程实际的积累,可以作为同类项目空调负荷估算的依据,并由此引出一种简便易行的负荷估算方法面积指标法:同样使用功能的房间,在同一个地区,按照单位建筑面积给出负荷经验数值,计算时直接将房间建筑面积乘以面积指标,则很快得出该房间的负荷。
本教材所提供的某综合楼暖通空调工程施工图设计说明通过文字的方式叙述了本设计总的设计思路、冷源和热源形式、设计范围以及标注方法。
设计范围:详见暖施-02图中设计说明的6、7条,界定了:锅炉的燃气供气系统未包含在本设计内;风口、风管的具体形式和走向将与装饰专业配合,这部分的设计是有更改余地的。
C. 施工说明:
本教材所提供的某综合楼暖通空调工程施工图设计说明通过文字的方式叙述了本设计采用的安装形式、主辅材料、系统承压能力及一些需注意的事项(详见暖施-02)。
其内容大部分来自于本专业相应施工规范,但因为一个工程只能采取一种方式进行施工,所以其内容具有鲜明的本工程的特异性。
这一段文字,对于施工来说是非常重要的,如果在施工当中没有依据这些文字来进行,则会违背设计,没有做到按图施工。
c. 运行管理说明:
本教材所提供的某综合楼暖通空调工程施工图运行管理说明通过文字的方式叙述了本设计在系统施工完毕、投入日常运行之后需要注意的事项(详见暖施-02)。其叙述的考虑部分负荷运行时的水泵输送节能,采取分季节、大小泵组合的方式就是为今后本工程投入日常运行之后,节约耗电的举措。
知识拓展:暖通空调工程节能运行管理
我国近年来经济发展很快,人口众多,单位DGP的能耗居世界前列,加上我国能源蕴藏量本就不高,所以目前能源日趋紧张;《民用建筑节能条例》、《公共机构节能条例》已于2008年7月23日国务院第18次常务会议通过,自2008年10月1日起施行。
而在现代建筑当中,用于空调供冷、供热的能源消耗约占据整幢建筑总能耗的60%左右,而空调系统经过设计、安装到最终被用户所使用,真正的耗能阶段是在实用阶段,如果不抓好这个阶段的管理,再节能的设计或设备也会造成能源浪费,所以暖通空调工程的节能运行管理就显得十分重要了。
3. 设备表、通风系统表、图例
(1) 设备表:一般小型工程中,设备表和材料表会统一作为一份设备材料表出现,但是在本教材所提供的某综合楼暖通空调工程,这种大型工程的施工图当中,由于使用的设备和材料众多,所以设计人员一般都会将设备表和材料表分开。
设备表当中,主要是对本设计中选用的主要运行设备进行描述,其组成主要有:设备科学称谓、在图纸中的图例标号、设备性能参数、设备主要用途和特殊要求等内容。图10是一个典型的设备表格式。

a. 科学称谓:应采用国家本行业通用术语表示,一般都比较精准,不易混淆,阅读时要注意每个字眼,一字之差就变为另外一种设备了。
b. 图例标号:在图纸当中,设备一般都用抽象的方框、圆等图形来表示,仅以图例标号来表示该设备属性,所以在阅读设备表的同时,最好能够记忆图例标号所代表的设备,以便后期阅读图纸时,能够更加快捷、高效;同时也利于后期阅读图纸时,能够顺利根据图例标号查找到该设备的名称及参数。
c. 设备性能参数:一般都标明了本设备的主要参数,例如风机的主要参数是风量(L表示)和风压(P表示)、噪声、耗电功率(N表示);水泵的主要性能参数是流量(L表示)、扬程(H表示)、耗电功率(N表示)等。
d. 设备主要用途及特殊要求:标明该设备用在何处、作何用途;有些设备还必须增补文字来更加明确的指向其特殊要求,例如:卧式暗装风机盘管,生产厂家能够提供带回风箱的产品,也能提供不带回风箱的产品,所以本设计的设备表中标明:必须带回风箱。
知识拓展:回风箱
回风箱是位于风机盘管进风端的附属构造物,其用途是便于连接回风口,规范风机盘管进风的方向;有的工程是选用不带回风箱的风机盘管,然后在现场利用多种材料和方式实现回风箱的用途。在实际工程中,带回风箱的盘管噪声稍大,这是由于带回风箱的风机盘管通过回风箱、回风口将风机噪声传入室内,而不带回风箱的风机盘管则被吊顶内的装饰材料吸收了部分噪声。如果工程中需要使用带回风箱的风机盘管,由生产厂家成套制作外观质量较好。
(2) 通风系统表:一般简单设计中,通风系统单一,设计人员一般不列出通风系统表;但就本教材所提供的某综合楼暖通空调工程,这种大型工程的施工图当中,通风系统复杂,系统数量多,用途各异,所以列出通风系统表以便于对照平面图理解设计意图。(详见暖施-03)
(3) 图例:暖通空调工程的图例由两部分组成:风系统图例和水系统图例。
a. 风系统图例:
图11是本教材提供某综合楼暖通空调工程暖通施工图的风系统图例,需要说明的是不同的设计图例有可能不同,在识图中应以该套图纸的图例为准,在没有特殊说明时以国家相关的制图标准为准。

b. 水系统图例:暖通工程的水系统图例基本与给排水工程相同。图12是本课件提供某综合楼暖通空调工程暖通施工图的水系统管图例。

c. 系统代号:一般简单设计中,通风系统单一,设计人员一般不列出通风系统代号;但就本教材所提供的某综合楼暖通空调工程,这种大型工程的施工图当中,通风系统复杂,系统数量多,用途各异,为便于识别,图纸中列出通风系统代号,见图13。

知识拓展:系统代号
系统代号一般是采用其系统的科学称谓的拼音字母组合而成,例如:PY代表排烟,SF代表送风等等。在给排水工程中,我们也见过类似情况,例如:J代表给水,W代表排水、污水等等。对于系统代号并没有统一的规定,一般以图纸说明为准,没有特殊说明的可参照制图标准。
4. 平面图、剖面图
平面图主要体现建筑平面功能和暖通空调设备与道的平面位置、相互关系,在本书所附的范例图纸中,平面图主要包括地下室通风平面图、各层空调风管平面图、各层空调水管平面图等。应当说明的是,在一些比较简单的项目中,空调风管和水管可能在同一张图上表达。剖面图则主要体现在垂直关系上各种管道、备与建筑之间的关系,一般而言在平面管道与设备有交叉或建筑较复杂,平面图无法体现其设计意图时就通过绘制剖面图来体现。
在看平面图前,应先了解建筑功能、建筑朝向、室内外地面标高和建筑防火分区等信息,有了一个基本的概念后再进一步了解暖通空调的系统设置情况和一些基本的参数如系统的总供冷量和供热量、循环水量等,这些可以在设计说明、通风系统表、设备表中提取。了解以上基本情况对于下一步的识图有很大的帮助。
(1) 风管平面图:
风管平面图主要体现通风、空调、防排烟风管或风道的平面布局,在施工图中一般用双线绘出,并在图中标注风管尺寸(圆形风管标注管径,矩形风管标注宽高)、主要风管的定位尺寸、标高、各种设备及风口的定位尺寸和编号,消声器、调节阀、防火阀等各种部件的安装位置,风口、消声器、调节阀、防火阀的尺寸及相关要求在相应材料表中体现。在图面上,风管一般为粗线,设备、风口和风阀管件为细线。
图14为暖施-04图负一层通风平面图的局部,因为该部位是配电间、锅炉房部位,因而风管比较复杂,通风系统的设置和参数可以通过通风系统表了解,在平面图中,通风管道的走向和管径、设备位置、风口位置比较直观,但我们还应注意风管在穿过房间隔墙、进出设备、风管交叉时图面上表示的相关部件,如本图中配电间排风兼排烟系统的风管在穿越配电间的隔墙处设置了排烟防火阀,风机进出口不仅设置了风管软接头,还设置了风管止回阀,在风机房内,由于平面尺度小,风管有重叠交叉,此时完全在平面图中表述比较困难,则应注意到风机房画有剖面符号B-B和C-C,从剖视符号看,C-C剖面可以体现出该位置的重叠关系,可以直接寻找这一剖面了解这一部位管道的相互关系。

风管平面图中,风机房、风井部位需要给予关注,因为风井还牵涉到上下楼层的平面,而风机房部位则由于风机的安装往往存在比较复杂的空间关系。本图中防火阀的类型较多,有常开防火阀、常开排烟防火阀,为表达清楚分别设置了不同的阀门代号,如FH-W表示常开防火阀,边上的70℃表示防火阀的动作温度;FYH-SDW表示常开排烟防火阀,边上的280℃表示防火阀的动作温度。防火阀其余的要求可以通过材料表查询。在风管平面图中,识图的目的是了解通风系统的组成和管线走向、风井的位置、管径大小、设备的位置、相关阀门管件的位置等。
知识拓展:风管的管径
在设计图纸没有明确说明时,采用金属、非金属或其他材料板材制做的风管管径以外径或外边长为准,采用混凝土、砖等建筑材料砌筑的土建风道以内径或内边长为准。圆形风管的管径系列规格如下(单位mm):100,120,140,160,180,200,220,250,280,320,360,400,450,500,560,630,700,800,900,1000,1120,1250,1400,1600,1800,2000;矩形风管的风管边长规格如下(单位mm):120,160,200,250,320,400,500,630,800,1000,1250,1600,2000,2500,3000,3500,4000。应当说明的是在民用建筑中,由于建筑空间的限制,矩形风管容易布置和加工,因而应用很普遍,在风管高度上由于建筑尺寸限制一般控制在400mm以内。综合考虑风管的经济性和阻力特点,矩形风管的宽高比一般应控制在6以内,不应超过10。
(2) 水管平面图:
空调水管平面图主要体现空调冷热水管道、冷凝水管道的平面布局,在施工图中一般用单线绘出,并在图中标注水管管径、标高,识图中应注意各种调节阀门、放气阀、泄水阀、固定支架、伸缩器等各种部件的安装位置,管路上的阀门、伸缩器等未单独注明管径时均按与管路相同处理。在图面上,水管为粗线,设备、水阀管件为细线,各种管线的线型以及阀门管件的图样见相关的图例说明。
在水管平面图中,水系统立管位置应引起重视,因为立管是起着连接各层空调水管的作用,理清立管也就理清了空调水系统的主要管线。
图15是一张空调水管平面图的局部,空调水管管线的线型通过查图例可以知道粗实线为空调供水管,粗虚线为空调回水管,细双点划线表示凝结水管,在相应的管径标注和立管编号标注中,也相应以L1、L2、N来表示。管井是水管平面图中应注意的位置,大多立管均由管井引出,而立管的编号又可以与上下楼层对应,帮助识图者了解整个空调水系统的走向。图纸中在空调供回水由立管引出处设置有阀门,一般来说每层的供回水管、设备的进出口均有阀门,本设备进出口的阀门没有体现是因为平面图中表示这些阀门太繁琐也容易导致图面不清,因此另外绘制有设备接管大样图来表示设备进出接管阀门管件。

空调水管平面图提供的信息仅限于所绘楼层的平面部分空调水管的信息,空调水管在竖向标高的变化如立管等的情况并不能通过空调水管平面图来反映,因此要了解空调水系统的整体情况还需要绘制空调水系统图或立管系统图。在空调水管平面图中我们应注意了解空调供回水水管的平面走向与布局,管径的大小以及与其它楼层的立管联系,因跨越建筑伸缩缝而设置的水管软接头、因直管段太长而设置的固定支架、伸缩节等。一般来说,除特殊情况外,空调水管平面图不标注水管的定位尺寸,而由施工单位根据现场安装空间确定。
知识拓展:水管的种类与标注
空调水管目前以镀锌钢管、焊接钢管和无缝钢管应用最多,采用的管径标注系列为公称直径DN(单位mm):15,20,25,32,40,50,65,80,100,125,150,200等(数值为管内径)。镀锌钢管一般直接标注DN,无缝钢管和焊接钢管则应标注管外径壁厚,也可以在材料表中注明。随着科技的发展,塑料管材也开始在工程中使用,如PP-R管、PB管、PE-X管等经过计算均可用于某一空调工程,塑料管的管径标注一般是公称外径壁厚,在识图中应根据国家相关标准确定。
(3) 剖面图:
当平面图不能表达复杂管道的相对关系及竖向位置时,就通过剖面图来体现。在剖面图中应以正投影方式绘出对应于机房平面图的设备、设备基础、管道和附件,注明设备和附件编号,标注竖向尺寸和标高;在平面图设备、风管等尺寸和定位尺寸标注不清时可在剖面图上标注。
图16就是前文以暖施-04图局部为例(图14)时提到的C-C剖面,我们可以看见在风管重叠处风管上下布置,在竖向上错开,这也是这个剖面图强调表示的内容。

图17是暖施-04中的A-A剖面,在这里应该强调一下,它主要表现了车库排风兼排烟系统P(Y)-1由风机排入排风井之间管道的竖向关系,由图中可以看到消声静压箱高度较高,因此其位置错开结构主梁位置,利用了部分梁内空间安装。表达管道设备与结构梁、板的相对关系是剖面图在图面表达上的特点
在剖面图中我们需要了解的信息是竖向上管道设备的相互关系,与结构梁板的相互关系,与其它管线设备的相互关系,它是作为平面图的补充,应结合平面图相互对照比较才能准确识图。

知识拓展:风管的导流措施
风管是空气流动的管路,在设计中对空气的流向和流量有明确的要求,在风管的直管段上没有问题,但在风管的拐弯处、合流分流三通处、进入排风井处空气的流动存在不确定性,如果没有引导措施会导致气流的异动,增加噪声和风机动力消耗。因此,在制做安装过程中在风管的上述部位增加导流板引导空气自然顺畅流动。在前面例举的两个剖面图中,排风井的宽度尺寸并不大,排风管排入排风井时若无导流措施就会发生气流直冲至排风井井壁并部分反射回来,与后续进入的空气发生振荡,消耗风机的输送能耗,最终导致排风量大大小于设计风量,而导流板的加入则可以引导气流流向排风井的通大气口,避免能量的浪费。在流速较高的风管安装中按气流方向增加导流措施应成为常识。
5 立管系统图或竖风道图
空调冷热水管路采用竖向输送时可通过绘制立管系统图并给立管编号,注明立管管径、接口标高,在立管系统图上还可以表达管道伸缩器、固定支架位置等。
图18是暖施-19空调水立管系统图中的局部,可以看出立管系统图很清晰地表达了立管在竖向上管径的变化,接各楼层水平管标高与管径,而立管本身需要的放气、泄水措施在图中也得到了体现,这些在平面图中不便于表达的内容在立管图中得到了很好的体现。应当说明的是在本图中,立管的泄水措施有两个,一个地上泄水一个底部泄水,这是考虑地下室排水均需要通过积水坑收集后用水泵排出,不仅流量有限还需要耗费电能,在地上设置排水管将地上部分立管内容水利用自流直接排出可以减轻地下室排水负荷,节约能源。
空调水立管系统图的识图需要对应平面图中的立管编号,重点了解在竖向上立管的管径变化、接口标高和伸缩器、固定支架、泄水、放气措施。

知识拓展:管道的伸缩
热胀冷缩的原理在暖通空调系统的管路中随处可见,空调水管夏季输送冷水冬季输送热水,锅炉烟道排出锅炉燃烧的烟气等,由于运行中管道内介质与管道外具有相当的温度差,热胀冷缩就不可避免了。热胀冷缩产生的热应力在工程中是要充分重视的,其后果往往是管路弯曲、支管连接处焊缝开裂,在支吊架固定牢固时甚至可以顶裂结构梁、板。管道的伸缩量与管材、温差有关,一般来说塑料管的伸缩率远大于钢管,温差越大伸缩量越大。在设计中应核算管道的伸缩量,当其超过一定限度时就应该采取设固定支架和伸缩器的措施。
对于层数较多、分段加压、分段排烟或者中途竖风井有转换的防排烟通风系统,可以绘制竖风道图。图19就是暖施-18中加压送风的竖风道图。

在竖风道图中可以明了地看出各加压送风系统的送风口标高、尺寸,出于完整表达系统的需要,还将加压送风机的安装标高、送风管管径及安装标高等绘制在图纸上,将竖风道图与相应的风管平面图对照观看可以迅速了解整个系统的基本情况。
在本课件提供的某综合楼暖通空调工程施工图中,通过在空调水管平面图上标注标高、绘制空调水立管系统图方式体现了空调水系统在竖向上的变化内容,因此没有专门绘制空调水系统图。应当指出,对于复杂的建筑,尤其是建筑竖向上变化较多时,还是需要绘制专门的空调水系统图,在空调水系统图上表示立管编号及管径、各水平管管径和标高、所接设备的设备编号和标高,对于有坡度要求的管道还应注意坡度的标注。对于系统图的识图方法,与立管系统图一样,也是要与平面图对照,逐条管线区分落实。
6 流程图
流程图一般用于体现复杂的设备与管道连接,在本教材提供的某综合楼暖通空调工程施工图中绘制了制冷站、锅炉房流程图就是表达冷热源设备与相应管线连接的。
流程图表达的重点是整个冷热源系统的组织与原理,通过设备、阀门配件、仪表、介质流向等的绘制表达出设备与管道的连接、设备接口处阀门仪表的配备、系统的工作原理。流程图的识图先要了解相关的图例、设备表,对照设备表参数可以了解系统基本工作参数。
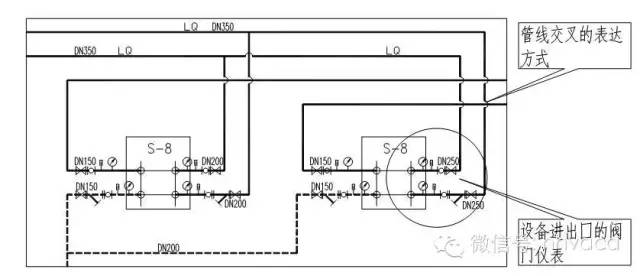
图20中表示了制冷主机进出水管设置的阀门仪表,包括空调冷却水管和空调冷冻水管,为了识图的方便和不引起误解,不同类型管线交叉的地方用圆弧线绕过。图中在设备进出口均设置了温度计和压力表,表示经过制冷主机S-8后,介质的压力、温度发生了变化,需要进行监控。

泵组在流程图中是比较重要的,它是流体输送的动力,图21是流程图中的冷却水泵泵组,我们可以注意到水泵进出口设置的阀门管件,压力表的设置表明水泵进出口压力的变化,而止回阀上面介质的流向则表明整个系统中介质按此方向流动,而每台泵接管管径的标注也弥补了平面图中管径无法逐段标注的遗憾。

图22为流程图中的冷却塔(S-12)接管,应该注意道除空调循环冷却水的进水和出水外,由于水分的不断蒸发和排污的需要,不仅有排污管还需要有新水补入管,排污水管除直接排屋面雨水沟外还考虑引至卫生间作为冲洗用水,这是提示冷却水的排污水可以综合利用,提高用水效率,节约水资源。在自来水补水管段上设置的止回阀、上弯管段和放气阀组成一个防止回流的安全装置,可以确保在止回阀失效的情况下冷却塔底盘的水也不会回流污染自来水。

图23是流程图中分、集水器接管部分。流程图中的分、集水器部分体现了空调水系统根据建筑功能设置的空调供回水环路,考虑到随室外气象参数的变化,不同功能建筑房间的空调负荷变化是不一样的,在回水管上设置温度计可以对不同环路的负荷情况有一个基本的判断,并依据此判断调节分水器上供水环路的平衡阀使其流量分配能适应负荷的变化。在分集水器之间的联通管上设置差压旁通阀是为了保证主机的流量出于稳定运行的区间,因为在末端设备的电动两通阀大多关闭时,空调水系统的阻力增加很多,流量下降较大,而此时差压旁通阀根据压差动作使得分水器内的空调冷冻水直接回流到水泵和主机,保证了主机的流量。

流程图的识图需要对空调系统有一定的专业基础知识,对设备的情况有一定的了解,其图面简单但包含的专业知识较多,这需要在实际工作中给予重视。
知识拓展:吸入式与压入式
在空调冷热源系统中,吸入式与压入式指水泵位于空调主机的进水端还是出水端,循环水泵出水进入空调主机被成为压入式,而循环水泵自空调主机吸水则称为吸入式。两者的差别在于空调主机承受的运行压力不同,压入式系统中空调主机承受的压力较高,因为水泵扬程提供的压力加上水系统高度的静水压都传递到了空调主机,因此在水系统高度不高时多采用压入式,而吸入式则在高层建筑中采用较多。本课件提供的某综合楼暖通空调工程施工图的空调冷热源系统采取的就是吸入式系统。
7. 机房安装详图
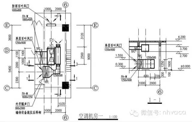
空调机房是风管与设备连接交叉复杂的部位,在平面图表达不清时就通过机房安装详图来体现。
图24是本课件示例图中对于一层和二层的空调机房的安装详图(见暖施-10)。机房安装详图一般通过平面和剖面来表示风管、风道、设备与建筑梁、板、柱及地面的尺寸关系,其识图的要点与前文介绍的平面图、剖面图相同。在机房安装详图部分,更重视的是设备、管道的安装和操作空间,除图面表达详尽外,其安装的空间和实际运行后的操作需要空间在图面上应留出。
