关于CAD的底色、线条、栅格和捕捉功能

底色采用白色。
线条采用多段线,线宽设为0.25。知道为什么吗?
ISO在制图标准中规定,所有的图符都必须是2.5的倍数。这里的倍数可以是整数,也可以是小数,例如0.5、0.2、0.1等等。所以我绘图时将多段线的线宽设为0.25。
栅格设置为1.25。因为所有的图块都必须是2.5的倍数,因此将栅格定义为2.5的一半。
捕捉功能关闭。
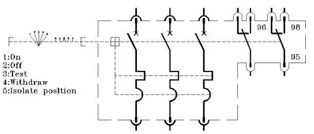
关于图块
这是最关键的一招。
我们先来看看继电器常开接点的图块,如下:

注意看,它上部的垂直线高度是2.5,中间斜线部分的高度是5,下部的垂直线的高度是2.5,图块的宽度也是2.5。线宽当然就是0.25。
图块只能靠自己去建立。图绘制的越多,图块库也就越多。
图块多了,名称繁复。可以修改CAD的菜单,增加专门用于按名称调取和插入图块的自创菜单,这样就方便多了。
用图块绘图
下图是组合图块,是低压断路器的组合图:

注意哦,在绘制组合图时,务必时时刻刻注意到所有的间距都是2.5的倍数。这是关键!否则点和线就不能对齐,出现错位。
我用图块和组合图块构成一张电动机直接起动的控制原理图,如下:

这张图没有什么特色,我们把它适当地加上框,然后突出一下,如下:

感觉不一样了把?我们可以用它来做某种强调说明。
注意:颜色以淡淡的青色和绿色为主,显得十分高雅。这是我从施耐德学来的。施耐德公司做的文档,给人的视觉效果特别好,我发现他们就喜欢用淡色的颜色来填空说明。
我们再看下图:

这是居家配电系统图。我们也把它框起来,看看效果:

有点温馨的效果。不过,颜色似乎深了一点,淡些会更好。
总之,绘图一定要美观,这样才能取得吸睛的效果。
这是我图库中预先保存的断路器时间电流特性曲线坐标图的图块,一旦需要,立即调出,然后用属性块自动绘上保护参数曲线。下图中已经绘上了断路器LSI保护参数特性曲线:

如果让属性块直接写上文字,则断路器脱扣器的时间电流特性曲线就能立马得到。事实上,我绘制此图用的时间是1分半钟。
下图是我用来说明RCD工作原理的。

最后,给大家看看我的书稿中用于说明智能型开关柜的图:

用CAD绘图,其实是一种技术。CAD越熟悉,给自己提供的方便也越多。
给大家看看我的家装设计图:

这里有平面图,有布置图,有电气、水、煤气等管道图,还有家具结构图和三视图,以及全部家装材料表。也就是说,装修公司只要按我的图去施工就可以了。这样一来,装修公司还能骗到我吗?
下图是核心区三维图,就是上图中居于中心位置的图:

此图是真正的CAD三维图,可以从任意位置和角度去看它。
这是书房的书橱和餐厅局部:

绘制图纸,真的是一种个人技能。只有掌握了这门技能,在表达方面才能实现完全自如。