怎样调整不平衡电流
在很久以前,电学奇才斯坦因梅茨(C.P.Steinmetz)就已经找到了利用无功补偿来平衡三相电流的解决办法。在《电力系统无功功率控制》一书中有比较详细的介绍,有兴趣的读者不妨一读。
斯坦因梅茨的办法有两个缺点:其一是计算过程比较繁复,读者很难从计算过程中领会这种调整不平衡电流方法的物理意义。其二是只能适用于三相三线系统,当应用于三相四线系统时,如果零线电流不为零,就会出现较大的误差。
笔者在多年研究无功补偿技术的基础上,总结出了一套简明易懂的调整不平衡电流理论与计算方法,下面就进行介绍。
调整不平衡电流的基本原理
要了解首调整不平衡电流的基本原理,首先要了解wangs定理,读者可以参见本博客中的Wangs定理一文。
在了解wangs定理的前提下,这里具体介绍一下怎样调整不平衡有功电流。
设有一个电阻连接在A相与B相两端,这是一个典型的不平衡负荷,调整不平衡电流的目标就是将这个电阻的电流平均分配到三相当中去,具体的方法如图1所示:

利用wangs定理的基本概念,在A相与C相之间接入一个适当的电感L将A相有功电流的1/3转移到C相,这时电感L在A相产生的感性无功电流恰好将电阻在A相产生的容性无功电流抵消掉。在B相与C相之间接入一个适当的电容C将B相有功电流的1/3转移到C相,这时电容C在B相产生的容性无功电流恰好将电阻在B相产生的感性无功电流抵消掉。电感L在C相产生的感性无功电流恰好将电容C在C相产生的容性无功电流抵消掉。这样三相电流完全平衡,并且三相的功率因数全等于1。
设有一个电阻连接在A相与零线之间,这是另一个典型的不平衡负荷,调整不平衡电流的目标就是将这个电阻的电流平均分配到三相当中去,具体的方法如图2所示:

在A相与C相之间接入一个适当的电感L1将A相有功电流的1/3转移到C相,在A相与B相之间接入一个适当的电容C1将A相有功电流的1/3转移到B相,这时电感L1在A相产生的感性无功电流恰好将电容C1在A相产生的容性无功电流抵消掉。在B相与零线之间接入一个电感L2将电容C1在B相产生的容性无功电流抵消掉。在C相与零线之间接入一个电容C2将电感L1在C相产生的感性无功电流抵消掉。于是三相电流完全平衡,并且三相的功率因数全等于1。
一个实际的有功负荷系统相当于在各相与相之间以及各相与零线之间分别接有不同的电阻,在计算的时候将各电阻分别单独计算,然后按叠加原理加在一起就可以确定各相与相之间以及各相与零线之间需要接入的电感和电容数量。在叠加的过程中,如果某一路既有电感又有电容,则进行抵消处理,例如:计算得出A相与B相之间应接入15Kvar的电感和7Kvar的电容,则抵消处理之后仅剩8Kvar的电。
以上介绍的方法需要使用电感,在实际的无功补偿装置中使用电感是不适合的,因为电感的价格高、损耗大、重量大。所幸的是,实际的电力系统负荷总是存在电感的,正因为负荷存在电感,才需要进行无功补偿,于是我们就可以利用负荷的电感来调整不平衡有功电流。理论计算与实践经验均表明:只要在各相与相之间以及各相与零线之间恰当的接入不同数量的电容器,就可以在无功补偿的同时调整不平衡有功电流。并且接入的电容器总Kvar数与分相补偿装置将各相功率因数补偿至1所需要的总Kvar数相同。
由于调整不平衡有功电流需要利用负荷的电感,因此负荷的功率因数越低意味着可以利用的电感越多,则调整不平衡有功电流的能力就越强。计算表明:如果负荷的功率因数为0.7,那么最大相电流是最小相电流2倍的情况可以调整到平衡。如果负荷的功率因数为0.85,那么最大相电流是最小相电流1.5倍的情况可以调整平衡。如果负荷的功率因数为1,那么意味着没有可以利用的电感,因此无法进行不平衡调整。
下面举一例说明如何连接电容器来达到即补偿功率因数又调整不平衡电流的目的。
设有一用电系统如图3所示:

这是一个功率因数很低且三相严重不平衡的例子,三相的功率因数均为0.707。C相电流比A相电流大一倍。在这个例子里,由于负荷含有足够多的电感,因此只要恰当地投入电容器,就可以使三相的功率因数均为1,并且三相电流平衡。电容器的接法如图4所示:

由图4中的数据可知,补偿电容器的总容量恰好等于负荷中的电感总容量,只是由于恰当地选择了电容器的接法,不仅使三相的电流平衡,并且三相的功率因数均等于1,零线没有电流。从图中可以看出,接在相与相之间的电容器是不相等的,因此可以起到既补偿无功又调整不平衡有功电流的作用,这里利用了Wangs定理2。从图中还可以看出,接在B相与零线之间和接在C相与零线之间的两个电容器的电流恰好抵消了零线电流,这里利用了Wangs定理3。由此可见3个Wangs定理之间并不矛盾,恰当地利用Wangs定理可以起到简化计算的作用,并且不论采取什么样的算法,得到的结果是唯一的。在补偿了无功并且调整了不平衡有功电流之后,零线电流就消失了,乍看起来我们不由得会感谢上帝的巧妙安排,不过仔细想想这其中自有其必然性,既然三相电流平衡则零线电流当然不会存在。
上例中的负荷含有足够多的电感,因此可以取得较好的调整不平衡效果。当负荷的功率因数较高,可以利用的电感较少,而三相电流的不平衡现象又比较严重时,可能达不到完全平衡的目的。但是理论计算与实验的结果都表明:只要负荷中含有电感,就可以在将三相的功率因数均补偿至1的基础上,使三相有功电流的不平衡程度有所减轻,仍然可以达到其他补偿方式所达不到的效果。下面举一例说明这个问题。
设有一用电系统如图5所示:

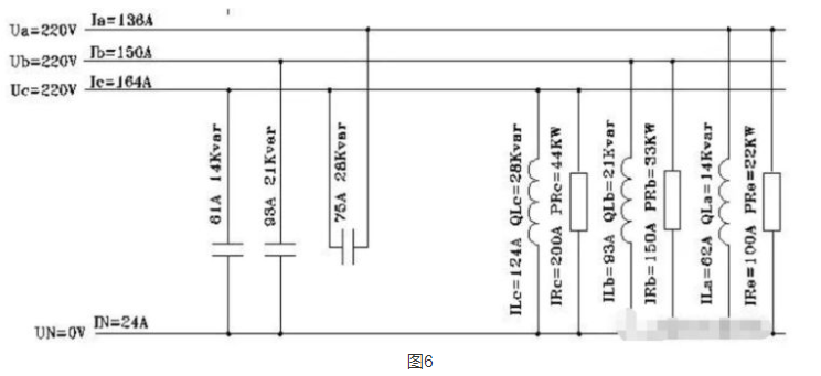
图5的不平衡程度与图4的例子相当,只是三相的功率因数较高均为0.85。对于这种情况,虽然可供利用的负荷电感较少,达不到使有功电流完全平衡的目的,但是仍然可以取得一定的调整不平衡效果。补偿电容器的接法示于图6:

由图6中的数据可知,补偿电容器的总容量恰好等于负荷中的电感总容量,补偿后三相的功率因数均等于1,三相的有功电流虽然没有完全平衡,但不平衡程度大大减轻,零线电流明显减小。
从以上的例子可以看出,只要恰当地在系统的各相线与相线之间及各相线与零线之间接入不同数量的单相电容器,就可以达到即补偿功率因数又调整不平衡有功电流的目的。并且投入的电容器总量与将三相的功率因数均补偿至1所需的电容器总量相同。虽然计算方法十分复杂,但在计算机技术高度发达的今天,实现起来还是没有问题的。
几种补偿装置的补偿效果比较
在负荷平衡的情况下,各种形式补偿装置的使用效果从理论上都是一样的,但是当负荷不平衡时,则使用效果就有很大的不同。
下面从理论上将几种类型的补偿装置进行一下比较。设系统实际负荷情况如图3所示。使用调整不平衡无功补偿装置的效果如图4所示,这里不再重复。
如果使用三相电容器同时投切的补偿装置来进行补偿,由于三相的电感量不同,只能参照A相的电感量来进行补偿,否则A相就会产生过补偿。补偿后的结果示于图7。从图7与图4的数据对比中可以看出,投入三相电容器后,虽然三相的电流都有所减小,但是三相间的不平衡程度反而有所加剧,未投电容器前C相与A相的电流比为2:1,投入电容器后C相与A相的电流比反而变成了2.24:1。投入电容器前后的零线电流没有变化,这是因为零线电流是由不平衡电流引起的,三相电容器不接零线,所以零线电流不可能改变。从此例可以看出,三相电容器同时投切的补偿装置不适于在三相电流严重不平衡的系统中应用。

还以图3所示实际负荷情况为例,如果使用单相电容器分相投切的补偿装置来进行补偿,补偿后的结果示于图8。从图8与图4的数据对比中可以看出,投入相应的单相电容器后,三相的电流都有所减小,三相间的不平衡程度没有变化,未投电容器前C相与A相的电流比电容器为2:1,投入电容器后C相与A相的电流比仍然是2:1。投入电容器后的零线电流减小,这是因为零线中的不平衡无功电流被消除掉了,只剩下不平衡的有功电流部分。从此例可以看出,在三相电流严重不平衡的系统中应用时,单相电容器分相投切的补偿装置比三相电容器同时投切的补偿装置的使用效果要好一些。

从以上的介绍中可以看出,使用调整不平衡电流功率因数补偿装置可以取得最好的效果,并且零线电流最小。