
空气净化器和新风系统虽然听起来很像,都是过滤和净化空气,但其实二者在本质上是不同的,一个是室内的死循环,一个室外的大循环。

工作原理
新风系统是由送风系统和排风系统组成的一套独立空气处理系统,其基本原理和作用是导入室外空气的同时排出室内浊气,达到不开窗也能够通风换气的效果。新风系统安装上静电集尘盒或滤网,就会具备空气净化功能。另外,新风系统再安装上热交换机,便具有热交换功能。

空气净化器主要由高浓度负离子发生器加过滤网、高密度无纺布及颗粒活性炭三级过滤器与循环风机组成。当污浊的空气被吸入空气净化器,在空气净化器通过层层滤网进行空气过滤,将各种有害物质吸附到滤网上,然后再将清新的空气排出,这样以来就可以达到净化空气的目的。
由此可知新风系统和净化器的最大区别是:新风系统可以24 小时给室内补充新鲜空气( 氧气)、并同时排出污浊空气。而空气净化器由于完全是在室内封闭运行,只能让污浊空气在室内循环。
特别是随着现代化生活的发展,越来越多的家电里都用到了滤网,空调滤网,油烟机滤网,新风系统滤网,空气净化器滤网等等。在家电的使用过程中,滤网上的灰尘会越来越多,滤网的效果也会越来越差,而且会造成二次污染。所以在家电的使用过程中,如何保证滤网的清洁是一个重要的课题,但先前的各类技术手段和方法是没有办法保证这个检测功能完全商业化的。无论是空调还是空气净化器,一旦滤网被堵塞,那么就会造成空气的二次污染。那么有什么办法可以知道滤网是否需要清洗呢?针对空气净化器和新风系统中过滤网容易堵塞的情况工釆网提供了一款质量流量防堵塞传感器 - FS7002很好的解决了这一技术难题。

FS7002质量流量防堵塞传感器是采用MEMS流量传感芯片来制作,适用于各类一般用途的清洁、干燥气体。独特的封装技术使之在相同的管径下可测量不同范围的流量,大批量生产以确保高可靠性,高性能和低成本。该传感器是专为快速测量流速变化而设计,适用于多种设备,如LCD投影仪的散热系统、空气清新机、各种仪器、通风管道或风扇马达等,可及时反馈散热系统过滤器的运行情况并防止因为堵塞而引起的异常情况。
FS7002质量流量防堵塞传感器产品特点:
测量范围达0~10m/sec
响应时间快
微型设计,易于安装
灵敏度高
连接方式可根据客户需求定制
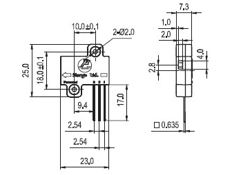
FS7002质量流量防堵塞传感器机械图:

FS7002质量流量防堵塞传感器技术参数:
